Крупнейшая бесплатная информационно-справочная система онлайн доступа к полному собранию технических нормативно-правовых актов РФ. Огромная база технических нормативов (более 150 тысяч документов) и полное собрание национальных стандартов, аутентичное официальной базе Госстандарта. GOSTRF.com - это более 1 Терабайта бесплатной технической информации для всех пользователей интернета. Все электронные копии представленных здесь документов могут распространяться без каких-либо ограничений. Поощряется распространение информации с этого сайта на любых других ресурсах. Каждый человек имеет право на неограниченный доступ к этим документам! Каждый человек имеет право на знание требований, изложенных в данных нормативно-правовых актах!

  


 

ГОСТ 1465-80

Напильники. Технические условия

Обозначение:ГОСТ 1465-80
Текущий статус документа: действующий
Название документа рус.:Напильники. Технические условия
Название документа англ.:Files. Specifications
Дата актуализации текста:01.12.2013
Дата издания:01.05.1992
Дата введения:01.01.1984
Дата последнего изменения:22.05.2013
Переиздание:переиздание с изм. 1
Взамен:
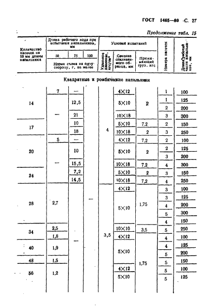
Область применения:Настоящий стандарт распространяется на слесарные напильники общего назначения
Список изменений:№1 от 01.01.1983 (рег. 27.08.1982) «Текстовое изменение; Дата введения перенесена»
№2 от 01.04.1985 (рег. 12.11.1984) «Срок действия продлен»
№3 от 01.02.1988 (рег. 23.07.1987) «Срок действия продлен»
№4 от 01.09.1990 (рег. 06.03.1990) «Срок действия продлен»
ГОСТ 1465-80ГОСТ 1465-80ГОСТ 1465-80ГОСТ 1465-80ГОСТ 1465-80ГОСТ 1465-80ГОСТ 1465-80ГОСТ 1465-80ГОСТ 1465-80ГОСТ 1465-80ГОСТ 1465-80ГОСТ 1465-80ГОСТ 1465-80ГОСТ 1465-80ГОСТ 1465-80ГОСТ 1465-80ГОСТ 1465-80ГОСТ 1465-80ГОСТ 1465-80ГОСТ 1465-80ГОСТ 1465-80ГОСТ 1465-80ГОСТ 1465-80ГОСТ 1465-80ГОСТ 1465-80ГОСТ 1465-80ГОСТ 1465-80ГОСТ 1465-80ГОСТ 1465-80ГОСТ 1465-80ГОСТ 1465-80ГОСТ 1465-80ГОСТ 1465-80ГОСТ 1465-80
 




ГОСТЫ, СТРОИТЕЛЬНЫЕ и ТЕХНИЧЕСКИЕ НОРМАТИВЫ.
Некоммерческая онлайн система, содержащая все Российские Госты, национальные Стандарты и нормативы.
В Системе содержится более 150000 файлов нормативно-технической документации, действующей на территории РФ.
Система предназначена для широкого круга инженерно-технических специалистов.

Рейтинг@Mail.ru Яндекс цитирования

Copyright © www.gostrf.com, 2008 - 2026