Крупнейшая бесплатная информационно-справочная система онлайн доступа к полному собранию технических нормативно-правовых актов РФ. Огромная база технических нормативов (более 150 тысяч документов) и полное собрание национальных стандартов, аутентичное официальной базе Госстандарта. GOSTRF.com - это более 1 Терабайта бесплатной технической информации для всех пользователей интернета. Все электронные копии представленных здесь документов могут распространяться без каких-либо ограничений. Поощряется распространение информации с этого сайта на любых других ресурсах. Каждый человек имеет право на неограниченный доступ к этим документам! Каждый человек имеет право на знание требований, изложенных в данных нормативно-правовых актах!

  


 

ГОСТ 24160-80

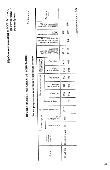
Торф. Методы определения влагоемкости и водопоглощаемости

Обозначение:ГОСТ 24160-80
Текущий статус документа: действующий
Название документа рус.:Торф. Методы определения влагоемкости и водопоглощаемости
Название документа англ.:Turf. Methods for the determination of moisture-holding capacity
Дата актуализации текста:01.12.2013
Дата издания:08.09.1980
Дата введения:30.06.1981
Дата последнего изменения:22.05.2013
Область применения:Настоящий стандарт распространяется на торф, добываемый фрезерным способом, предназначенный для подстилки, тепличных грунтов, животноводческих комплексов, и устанавливает методы определения его влагоемкости и водопоглощаемости.
Влагоемкость и водопоглощаемость определяют двумя методами: ускоренным и типовым.
Ускоренный метод применяют для оперативного контроля этих показателей.
Типовой метод применяют при научных исследованиях для характеристики динамики поглощения влаги
Список изменений:№1 от 01.07.1986 (рег. 29.12.1985) «Поправка»
№2 от 01.07.1991 (рег. 27.12.1990) «Срок действия продлен»
ГОСТ 24160-80ГОСТ 24160-80ГОСТ 24160-80ГОСТ 24160-80ГОСТ 24160-80ГОСТ 24160-80ГОСТ 24160-80ГОСТ 24160-80ГОСТ 24160-80ГОСТ 24160-80ГОСТ 24160-80ГОСТ 24160-80ГОСТ 24160-80ГОСТ 24160-80ГОСТ 24160-80ГОСТ 24160-80ГОСТ 24160-80ГОСТ 24160-80
 




ГОСТЫ, СТРОИТЕЛЬНЫЕ и ТЕХНИЧЕСКИЕ НОРМАТИВЫ.
Некоммерческая онлайн система, содержащая все Российские Госты, национальные Стандарты и нормативы.
В Системе содержится более 150000 файлов нормативно-технической документации, действующей на территории РФ.
Система предназначена для широкого круга инженерно-технических специалистов.

Рейтинг@Mail.ru Яндекс цитирования

Copyright © www.gostrf.com, 2008 - 2026