Крупнейшая бесплатная информационно-справочная система онлайн доступа к полному собранию технических нормативно-правовых актов РФ. Огромная база технических нормативов (более 150 тысяч документов) и полное собрание национальных стандартов, аутентичное официальной базе Госстандарта. GOSTRF.com - это более 1 Терабайта бесплатной технической информации для всех пользователей интернета. Все электронные копии представленных здесь документов могут распространяться без каких-либо ограничений. Поощряется распространение информации с этого сайта на любых других ресурсах. Каждый человек имеет право на неограниченный доступ к этим документам! Каждый человек имеет право на знание требований, изложенных в данных нормативно-правовых актах!

  


 

ГОСТ 6247-79

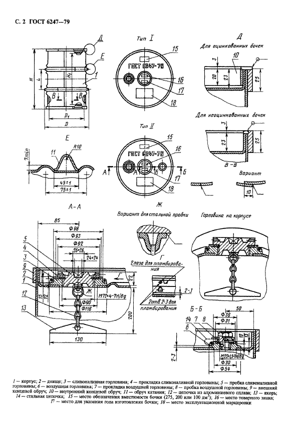
Бочки стальные сварные с обручами катания на корпусе. Технические условия

Обозначение:ГОСТ 6247-79
Текущий статус документа: действующий
Название документа рус.:Бочки стальные сварные с обручами катания на корпусе. Технические условия
Название документа англ.:Steel welded barrels with hoops of rolling on casing. Specifications
Дата актуализации текста:01.12.2013
Дата издания:01.06.1998
Дата введения:01.01.1980
Дата последнего изменения:22.05.2013
Переиздание:переиздание с изм. 1
Область применения:Настоящий стандарт распространяется на стальные бочки длительного пользования, предназначенные для транспортирования и хранения нефтяных и других жидких непищевых продуктов, не действующих активно на сталь и цинк
Список изменений:№1 от 01.01.1985 (рег. 13.07.1984) «Срок действия продлен»
№2 от 01.01.1990 (рег. 19.04.1989) «Поправка»
ГОСТ 6247-79ГОСТ 6247-79ГОСТ 6247-79ГОСТ 6247-79ГОСТ 6247-79ГОСТ 6247-79ГОСТ 6247-79ГОСТ 6247-79ГОСТ 6247-79ГОСТ 6247-79ГОСТ 6247-79
 




ГОСТЫ, СТРОИТЕЛЬНЫЕ и ТЕХНИЧЕСКИЕ НОРМАТИВЫ.
Некоммерческая онлайн система, содержащая все Российские Госты, национальные Стандарты и нормативы.
В Системе содержится более 150000 файлов нормативно-технической документации, действующей на территории РФ.
Система предназначена для широкого круга инженерно-технических специалистов.

Рейтинг@Mail.ru Яндекс цитирования

Copyright © www.gostrf.com, 2008 - 2026