Крупнейшая бесплатная информационно-справочная система онлайн доступа к полному собранию технических нормативно-правовых актов РФ. Огромная база технических нормативов (более 150 тысяч документов) и полное собрание национальных стандартов, аутентичное официальной базе Госстандарта. GOSTRF.com - это более 1 Терабайта бесплатной технической информации для всех пользователей интернета. Все электронные копии представленных здесь документов могут распространяться без каких-либо ограничений. Поощряется распространение информации с этого сайта на любых других ресурсах. Каждый человек имеет право на неограниченный доступ к этим документам! Каждый человек имеет право на знание требований, изложенных в данных нормативно-правовых актах!

  


 

ГОСТ 23682-79

Колонны стальные ступенчатые для зданий с мостовыми электрическими кранами общего назначения грузоподъемностью до 50 т. Технические условия

Обозначение:ГОСТ 23682-79
Текущий статус документа: утратил силу в РФ
Название документа рус.:Колонны стальные ступенчатые для зданий с мостовыми электрическими кранами общего назначения грузоподъемностью до 50 т. Технические условия
Название документа англ.:Steel stepped columns for buildings with general-purpose overhead electric cranes of 50 tn capacity. Specifications
Дата актуализации текста:01.12.2013
Дата издания:02.10.1979
Дата введения:01.01.1981
Дата последнего изменения:22.05.2013
Дата окончания срока действия:01.01.2010
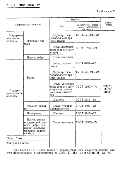
Область применения:Настоящий стандарт распространяется на стальные сварные ступенчатые колонны с надкрановой (верхней) сплошностенчатой частью и подкрановой (нижней) решетчатой частью
Список изменений:№0 от 01.01.2010 (рег. 06.04.2009) «Поправка к изменению»
ГОСТ 23682-79ГОСТ 23682-79ГОСТ 23682-79ГОСТ 23682-79ГОСТ 23682-79ГОСТ 23682-79ГОСТ 23682-79ГОСТ 23682-79ГОСТ 23682-79ГОСТ 23682-79ГОСТ 23682-79ГОСТ 23682-79ГОСТ 23682-79ГОСТ 23682-79ГОСТ 23682-79ГОСТ 23682-79
 




ГОСТЫ, СТРОИТЕЛЬНЫЕ и ТЕХНИЧЕСКИЕ НОРМАТИВЫ.
Некоммерческая онлайн система, содержащая все Российские Госты, национальные Стандарты и нормативы.
В Системе содержится более 150000 файлов нормативно-технической документации, действующей на территории РФ.
Система предназначена для широкого круга инженерно-технических специалистов.

Рейтинг@Mail.ru Яндекс цитирования

Copyright © www.gostrf.com, 2008 - 2026