Крупнейшая бесплатная информационно-справочная система онлайн доступа к полному собранию технических нормативно-правовых актов РФ. Огромная база технических нормативов (более 150 тысяч документов) и полное собрание национальных стандартов, аутентичное официальной базе Госстандарта. GOSTRF.com - это более 1 Терабайта бесплатной технической информации для всех пользователей интернета. Все электронные копии представленных здесь документов могут распространяться без каких-либо ограничений. Поощряется распространение информации с этого сайта на любых других ресурсах. Каждый человек имеет право на неограниченный доступ к этим документам! Каждый человек имеет право на знание требований, изложенных в данных нормативно-правовых актах!

  


 

ГОСТ 23644-79

Азот газообразный, обогащенный стабильным изотопом АЗОТ-15. Технические условия

Обозначение:ГОСТ 23644-79
Текущий статус документа: действующий
Название документа рус.:Азот газообразный, обогащенный стабильным изотопом АЗОТ-15. Технические условия
Название документа англ.:Gaseous nitrogen concentrated by stable isotope Nitrogen-15. Specifications
Дата актуализации текста:01.12.2013
Дата издания:01.04.1985
Дата введения:30.06.1980
Дата последнего изменения:22.05.2013
Переиздание:переиздание с изм. 1
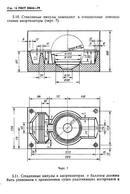
Область применения:Настоящий стандарт распространяется на газообразный азот, обогащенный стабильным изотопом азот-15, применяемый в научных исследованиях в области физики, химии, сельского хозяйства, биохимии и других отраслях промышленности
Список изменений:№1 от 01.09.1985 (рег. 28.02.1985) «Срок действия продлен»
№2 от 01.07.1990 (рег. 21.02.1989) «Срок действия продлен»
ГОСТ 23644-79ГОСТ 23644-79ГОСТ 23644-79ГОСТ 23644-79ГОСТ 23644-79ГОСТ 23644-79ГОСТ 23644-79ГОСТ 23644-79ГОСТ 23644-79ГОСТ 23644-79ГОСТ 23644-79ГОСТ 23644-79ГОСТ 23644-79ГОСТ 23644-79ГОСТ 23644-79ГОСТ 23644-79ГОСТ 23644-79ГОСТ 23644-79ГОСТ 23644-79ГОСТ 23644-79ГОСТ 23644-79ГОСТ 23644-79
 




ГОСТЫ, СТРОИТЕЛЬНЫЕ и ТЕХНИЧЕСКИЕ НОРМАТИВЫ.
Некоммерческая онлайн система, содержащая все Российские Госты, национальные Стандарты и нормативы.
В Системе содержится более 150000 файлов нормативно-технической документации, действующей на территории РФ.
Система предназначена для широкого круга инженерно-технических специалистов.

Рейтинг@Mail.ru Яндекс цитирования

Copyright © www.gostrf.com, 2008 - 2026