Крупнейшая бесплатная информационно-справочная система онлайн доступа к полному собранию технических нормативно-правовых актов РФ. Огромная база технических нормативов (более 150 тысяч документов) и полное собрание национальных стандартов, аутентичное официальной базе Госстандарта. GOSTRF.com - это более 1 Терабайта бесплатной технической информации для всех пользователей интернета. Все электронные копии представленных здесь документов могут распространяться без каких-либо ограничений. Поощряется распространение информации с этого сайта на любых других ресурсах. Каждый человек имеет право на неограниченный доступ к этим документам! Каждый человек имеет право на знание требований, изложенных в данных нормативно-правовых актах!

  


 

ГОСТ 23162-78

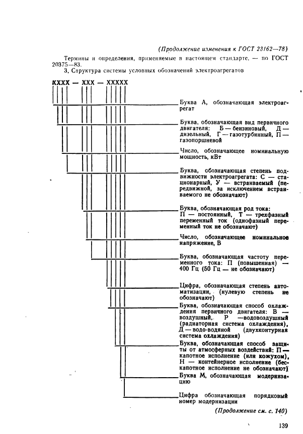
Электроагрегаты и передвижные электростанции с двигателями внутреннего сгорания. Система условных обозначений

Обозначение:ГОСТ 23162-78
Текущий статус документа: действующий
Название документа рус.:Электроагрегаты и передвижные электростанции с двигателями внутреннего сгорания. Система условных обозначений
Название документа англ.:Generating sets and moving power stations with internal-combustion engines. System of symbols
Дата актуализации текста:01.12.2013
Дата издания:11.08.1978
Дата введения:30.06.1979
Дата последнего изменения:22.05.2013
Область применения:Настоящий стандарт распространяется на передвижные и стационарные электроагрегаты и на передвижные электростанции с двигателями внутреннего сгорания и устанавливает систему их условных обозначений.
Стандарт не распространяется на судовые, тепловозные, сварочные электроагрегаты, электроагрегаты летательных аппаратов и энергопоезда
Список изменений:№1 от 01.07.1987 (рег. 20.12.1986) «Поправка»
ГОСТ 23162-78ГОСТ 23162-78ГОСТ 23162-78ГОСТ 23162-78ГОСТ 23162-78ГОСТ 23162-78ГОСТ 23162-78ГОСТ 23162-78ГОСТ 23162-78ГОСТ 23162-78ГОСТ 23162-78
 




ГОСТЫ, СТРОИТЕЛЬНЫЕ и ТЕХНИЧЕСКИЕ НОРМАТИВЫ.
Некоммерческая онлайн система, содержащая все Российские Госты, национальные Стандарты и нормативы.
В Системе содержится более 150000 файлов нормативно-технической документации, действующей на территории РФ.
Система предназначена для широкого круга инженерно-технических специалистов.

Рейтинг@Mail.ru Яндекс цитирования

Copyright © www.gostrf.com, 2008 - 2026