Крупнейшая бесплатная информационно-справочная система онлайн доступа к полному собранию технических нормативно-правовых актов РФ. Огромная база технических нормативов (более 150 тысяч документов) и полное собрание национальных стандартов, аутентичное официальной базе Госстандарта. GOSTRF.com - это более 1 Терабайта бесплатной технической информации для всех пользователей интернета. Все электронные копии представленных здесь документов могут распространяться без каких-либо ограничений. Поощряется распространение информации с этого сайта на любых других ресурсах. Каждый человек имеет право на неограниченный доступ к этим документам! Каждый человек имеет право на знание требований, изложенных в данных нормативно-правовых актах!

  


 

ГОСТ 17535-77

Детали приборов высокоточные металлические. Стабилизация размеров термической обработкой. Типовые технологические процессы

Обозначение:ГОСТ 17535-77
Текущий статус документа: действующий
Название документа рус.:Детали приборов высокоточные металлические. Стабилизация размеров термической обработкой. Типовые технологические процессы
Название документа англ.:Metal high precision parts of devices. Dimension stabilisation by heat treatment. Typical technological processes
Дата актуализации текста:01.12.2013
Дата издания:15.02.1978
Дата введения:01.01.1979
Дата последнего изменения:22.05.2013
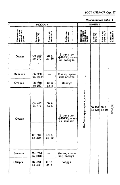
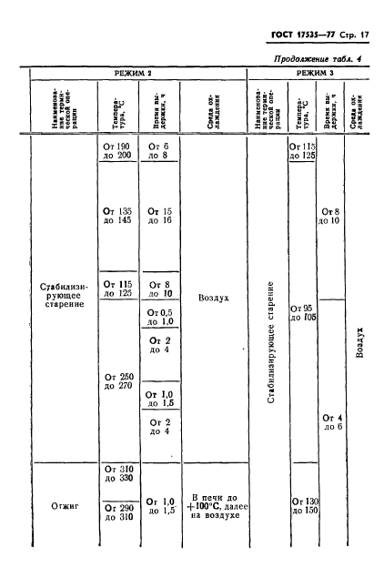
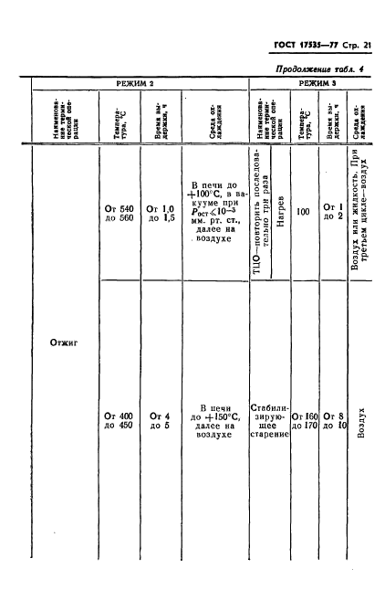
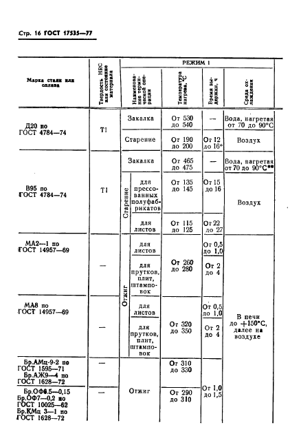
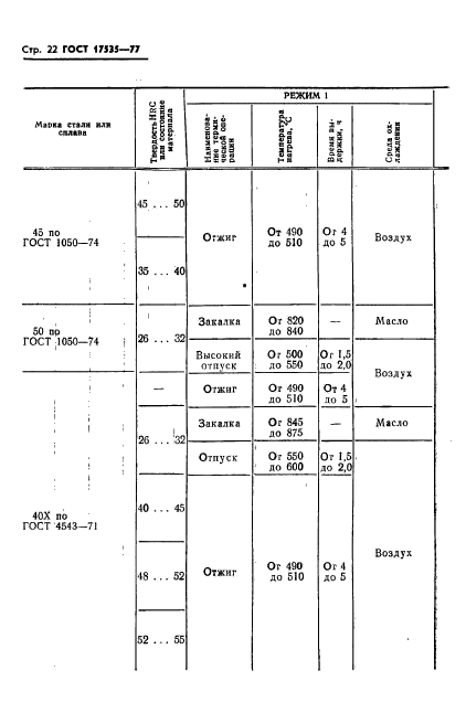
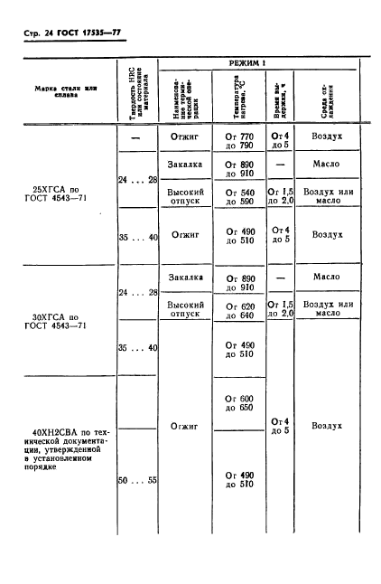
Область применения:Настоящий стандарт распространяется на высокоточные металлические детали приборов с наибольшим размером до 600 мм и рабочей температурой до 100°С и устанавливает рекомендуемые типовые технологические процессы термической обработки, обеспечивающие стабилизацию размеров деталей приборов
Список изменений:№1 от 01.01.1984 (рег. 28.03.1983) «Срок действия продлен»
№2 от 01.01.1989 (рег. 23.06.1988) «Срок действия продлен»
ГОСТ 17535-77ГОСТ 17535-77ГОСТ 17535-77ГОСТ 17535-77ГОСТ 17535-77ГОСТ 17535-77ГОСТ 17535-77ГОСТ 17535-77ГОСТ 17535-77ГОСТ 17535-77ГОСТ 17535-77ГОСТ 17535-77ГОСТ 17535-77ГОСТ 17535-77ГОСТ 17535-77ГОСТ 17535-77ГОСТ 17535-77ГОСТ 17535-77ГОСТ 17535-77ГОСТ 17535-77ГОСТ 17535-77ГОСТ 17535-77ГОСТ 17535-77ГОСТ 17535-77ГОСТ 17535-77ГОСТ 17535-77ГОСТ 17535-77ГОСТ 17535-77ГОСТ 17535-77ГОСТ 17535-77ГОСТ 17535-77ГОСТ 17535-77ГОСТ 17535-77ГОСТ 17535-77ГОСТ 17535-77ГОСТ 17535-77ГОСТ 17535-77ГОСТ 17535-77ГОСТ 17535-77ГОСТ 17535-77ГОСТ 17535-77ГОСТ 17535-77ГОСТ 17535-77ГОСТ 17535-77ГОСТ 17535-77ГОСТ 17535-77
 




ГОСТЫ, СТРОИТЕЛЬНЫЕ и ТЕХНИЧЕСКИЕ НОРМАТИВЫ.
Некоммерческая онлайн система, содержащая все Российские Госты, национальные Стандарты и нормативы.
В Системе содержится более 150000 файлов нормативно-технической документации, действующей на территории РФ.
Система предназначена для широкого круга инженерно-технических специалистов.

Рейтинг@Mail.ru Яндекс цитирования

Copyright © www.gostrf.com, 2008 - 2026