Крупнейшая бесплатная информационно-справочная система онлайн доступа к полному собранию технических нормативно-правовых актов РФ. Огромная база технических нормативов (более 150 тысяч документов) и полное собрание национальных стандартов, аутентичное официальной базе Госстандарта. GOSTRF.com - это более 1 Терабайта бесплатной технической информации для всех пользователей интернета. Все электронные копии представленных здесь документов могут распространяться без каких-либо ограничений. Поощряется распространение информации с этого сайта на любых других ресурсах. Каждый человек имеет право на неограниченный доступ к этим документам! Каждый человек имеет право на знание требований, изложенных в данных нормативно-правовых актах!

  


 

ГОСТ 14694-76

Устройства комплектные распределительные в металлической оболочке на напряжение до 10 кВ. Методы испытаний

Обозначение:ГОСТ 14694-76
Текущий статус документа: действующий
Название документа рус.:Устройства комплектные распределительные в металлической оболочке на напряжение до 10 кВ. Методы испытаний
Название документа англ.:Metal-clad switchgears up to 10 kV. Test methods
Дата актуализации текста:01.12.2013
Дата издания:01.09.1994
Дата введения:01.01.1977
Дата последнего изменения:22.05.2013
Переиздание:переиздание с изм. 1
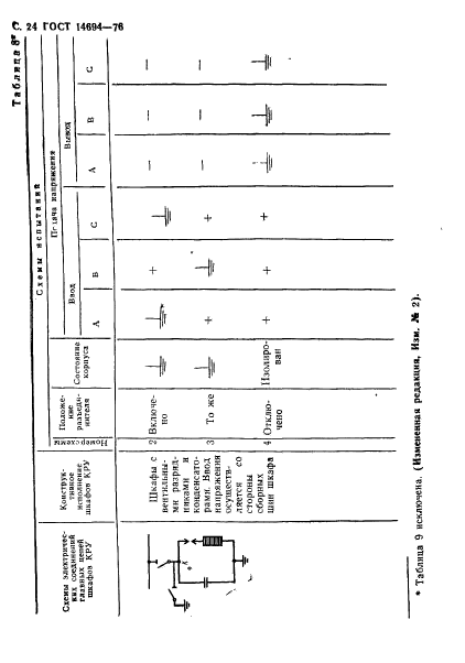
Область применения:Настоящий стандарт распространяется на комплектные распределительные устройства на напряжение от 3 до 10 кВ
Список изменений:№1 от 01.02.1982 (рег. 22.09.1981) «Срок действия продлен»
№2 от 01.01.1987 (рег. 20.06.1986) «Срок действия продлен»
№3 от 01.04.1991 (рег. 26.11.1990) «Срок действия продлен»
ГОСТ 14694-76ГОСТ 14694-76ГОСТ 14694-76ГОСТ 14694-76ГОСТ 14694-76ГОСТ 14694-76ГОСТ 14694-76ГОСТ 14694-76ГОСТ 14694-76ГОСТ 14694-76ГОСТ 14694-76ГОСТ 14694-76ГОСТ 14694-76ГОСТ 14694-76ГОСТ 14694-76ГОСТ 14694-76ГОСТ 14694-76ГОСТ 14694-76ГОСТ 14694-76ГОСТ 14694-76ГОСТ 14694-76ГОСТ 14694-76ГОСТ 14694-76ГОСТ 14694-76ГОСТ 14694-76ГОСТ 14694-76ГОСТ 14694-76ГОСТ 14694-76ГОСТ 14694-76ГОСТ 14694-76ГОСТ 14694-76ГОСТ 14694-76ГОСТ 14694-76ГОСТ 14694-76ГОСТ 14694-76ГОСТ 14694-76ГОСТ 14694-76ГОСТ 14694-76ГОСТ 14694-76ГОСТ 14694-76ГОСТ 14694-76ГОСТ 14694-76ГОСТ 14694-76
 




ГОСТЫ, СТРОИТЕЛЬНЫЕ и ТЕХНИЧЕСКИЕ НОРМАТИВЫ.
Некоммерческая онлайн система, содержащая все Российские Госты, национальные Стандарты и нормативы.
В Системе содержится более 150000 файлов нормативно-технической документации, действующей на территории РФ.
Система предназначена для широкого круга инженерно-технических специалистов.

Рейтинг@Mail.ru Яндекс цитирования

Copyright © www.gostrf.com, 2008 - 2026