Крупнейшая бесплатная информационно-справочная система онлайн доступа к полному собранию технических нормативно-правовых актов РФ. Огромная база технических нормативов (более 150 тысяч документов) и полное собрание национальных стандартов, аутентичное официальной базе Госстандарта. GOSTRF.com - это более 1 Терабайта бесплатной технической информации для всех пользователей интернета. Все электронные копии представленных здесь документов могут распространяться без каких-либо ограничений. Поощряется распространение информации с этого сайта на любых других ресурсах. Каждый человек имеет право на неограниченный доступ к этим документам! Каждый человек имеет право на знание требований, изложенных в данных нормативно-правовых актах!

  


 

ГОСТ 22066-76

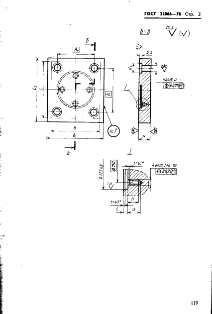
Плиты-заготовки крепления пресс-форм для литья термопластов под давлением. Конструкция и размеры

Обозначение:ГОСТ 22066-76
Текущий статус документа: действующий
Название документа рус.:Плиты-заготовки крепления пресс-форм для литья термопластов под давлением. Конструкция и размеры
Название документа англ.:Clamping plate-blanks of injection moulds. Design and dimensions
Дата актуализации текста:01.12.2013
Дата издания:01.10.1986
Дата введения:30.06.1977
Дата последнего изменения:22.05.2013
Переиздание:переиздание с изм. 1
Взамен в части:МН 5155-63 в части неподвижных фланцев
Область применения:Настоящий стандарт устанавливает конструкцию и размеры плит-заготовок крепления
Список изменений:№1 от 01.10.1982 (рег. 28.05.1982) «Срок действия продлен»
№2 от 01.07.1986 (рег. 29.12.1985) «Срок действия продлен»
ГОСТ 22066-76ГОСТ 22066-76ГОСТ 22066-76
 




ГОСТЫ, СТРОИТЕЛЬНЫЕ и ТЕХНИЧЕСКИЕ НОРМАТИВЫ.
Некоммерческая онлайн система, содержащая все Российские Госты, национальные Стандарты и нормативы.
В Системе содержится более 150000 файлов нормативно-технической документации, действующей на территории РФ.
Система предназначена для широкого круга инженерно-технических специалистов.

Рейтинг@Mail.ru Яндекс цитирования

Copyright © www.gostrf.com, 2008 - 2026