Крупнейшая бесплатная информационно-справочная система онлайн доступа к полному собранию технических нормативно-правовых актов РФ. Огромная база технических нормативов (более 150 тысяч документов) и полное собрание национальных стандартов, аутентичное официальной базе Госстандарта. GOSTRF.com - это более 1 Терабайта бесплатной технической информации для всех пользователей интернета. Все электронные копии представленных здесь документов могут распространяться без каких-либо ограничений. Поощряется распространение информации с этого сайта на любых других ресурсах. Каждый человек имеет право на неограниченный доступ к этим документам! Каждый человек имеет право на знание требований, изложенных в данных нормативно-правовых актах!

  


 

ГОСТ 20874-75

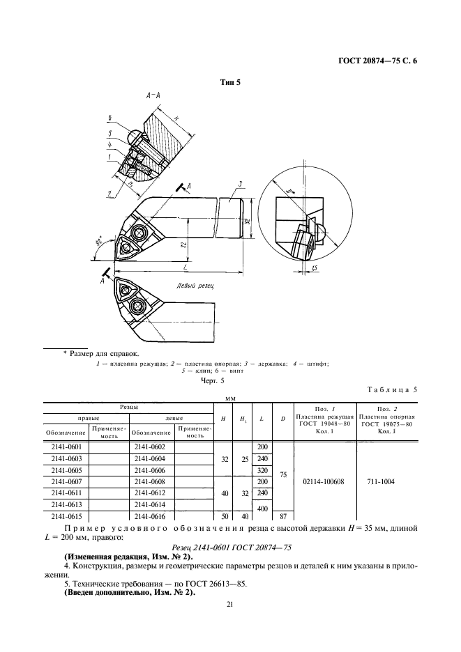
Резцы токарные сборные расточные с механическим креплением многогранных твердосплавных пластин. Конструкция и размеры

Обозначение:ГОСТ 20874-75
Текущий статус документа: действующий
Название документа рус.:Резцы токарные сборные расточные с механическим креплением многогранных твердосплавных пластин. Конструкция и размеры
Название документа англ.:Combined turning and boring tools with mechanically clamped cemented carbide indexible inserts. Design and dimensions
Дата актуализации текста:01.12.2013
Дата издания:01.12.2003
Дата введения:30.06.1976
Дата последнего изменения:22.05.2013
Переиздание:переиздание с изм. 1
Область применения:Настоящий стандарт распространяется на резцы токарные сборные расточные с механическим креплением многогранных твердосплавных пластин, предназначенные для расточки сквозных и глухих отверстий диаметром 35 мм и более на станках с числовым программным управлением и на универсальных станках
Список изменений:№1 от 01.12.1980 (рег. 11.08.1980) «Срок действия продлен»
№2 от 01.03.1981 (рег. 21.11.1980) «Срок действия продлен»
ГОСТ 20874-75ГОСТ 20874-75ГОСТ 20874-75ГОСТ 20874-75ГОСТ 20874-75ГОСТ 20874-75ГОСТ 20874-75ГОСТ 20874-75ГОСТ 20874-75ГОСТ 20874-75ГОСТ 20874-75ГОСТ 20874-75ГОСТ 20874-75ГОСТ 20874-75ГОСТ 20874-75
 




ГОСТЫ, СТРОИТЕЛЬНЫЕ и ТЕХНИЧЕСКИЕ НОРМАТИВЫ.
Некоммерческая онлайн система, содержащая все Российские Госты, национальные Стандарты и нормативы.
В Системе содержится более 150000 файлов нормативно-технической документации, действующей на территории РФ.
Система предназначена для широкого круга инженерно-технических специалистов.

Рейтинг@Mail.ru Яндекс цитирования

Copyright © www.gostrf.com, 2008 - 2026