Крупнейшая бесплатная информационно-справочная система онлайн доступа к полному собранию технических нормативно-правовых актов РФ. Огромная база технических нормативов (более 150 тысяч документов) и полное собрание национальных стандартов, аутентичное официальной базе Госстандарта. GOSTRF.com - это более 1 Терабайта бесплатной технической информации для всех пользователей интернета. Все электронные копии представленных здесь документов могут распространяться без каких-либо ограничений. Поощряется распространение информации с этого сайта на любых других ресурсах. Каждый человек имеет право на неограниченный доступ к этим документам! Каждый человек имеет право на знание требований, изложенных в данных нормативно-правовых актах!

  


 

ГОСТ 760-74

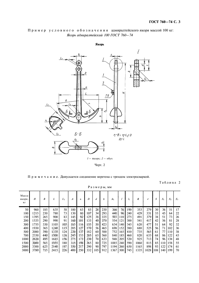
Якоря адмиралтейские. Конструкция и основные размеры

Обозначение:ГОСТ 760-74
Текущий статус документа: действующий
Название документа рус.:Якоря адмиралтейские. Конструкция и основные размеры
Название документа англ.:Admiralty-Anchor. Construction and dimensions
Дата актуализации текста:01.12.2013
Дата издания:01.10.1997
Дата введения:01.01.1976
Дата последнего изменения:22.05.2013
Переиздание:переиздание с изм. 1
Область применения:Настоящий стандарт распространяется на адмиралтейские якоря, применяемые на надводных кораблях, судах и плавучих средствах.
Настоящий стандарт не распространяется на адмиралтейские якоря, используемые в качестве становых и стоп-анкеров на судах, поднадзорных Регистру СССР
Список изменений:№1 от 01.06.1980 (рег. 20.03.1980) «Срок действия продлен»
№2 от 01.01.1985 (рег. 28.03.1984) «Срок действия продлен»
№3 от 01.01.1989 (рег. 10.05.1988) «Срок действия продлен»
№4 от 01.09.1990 (рег. 12.03.1990) «Срок действия продлен»
ГОСТ 760-74ГОСТ 760-74ГОСТ 760-74ГОСТ 760-74ГОСТ 760-74ГОСТ 760-74ГОСТ 760-74
 




ГОСТЫ, СТРОИТЕЛЬНЫЕ и ТЕХНИЧЕСКИЕ НОРМАТИВЫ.
Некоммерческая онлайн система, содержащая все Российские Госты, национальные Стандарты и нормативы.
В Системе содержится более 150000 файлов нормативно-технической документации, действующей на территории РФ.
Система предназначена для широкого круга инженерно-технических специалистов.

Рейтинг@Mail.ru Яндекс цитирования

Copyright © www.gostrf.com, 2008 - 2026