Крупнейшая бесплатная информационно-справочная система онлайн доступа к полному собранию технических нормативно-правовых актов РФ. Огромная база технических нормативов (более 150 тысяч документов) и полное собрание национальных стандартов, аутентичное официальной базе Госстандарта. GOSTRF.com - это более 1 Терабайта бесплатной технической информации для всех пользователей интернета. Все электронные копии представленных здесь документов могут распространяться без каких-либо ограничений. Поощряется распространение информации с этого сайта на любых других ресурсах. Каждый человек имеет право на неограниченный доступ к этим документам! Каждый человек имеет право на знание требований, изложенных в данных нормативно-правовых актах!

  


 

ГОСТ 18678-73

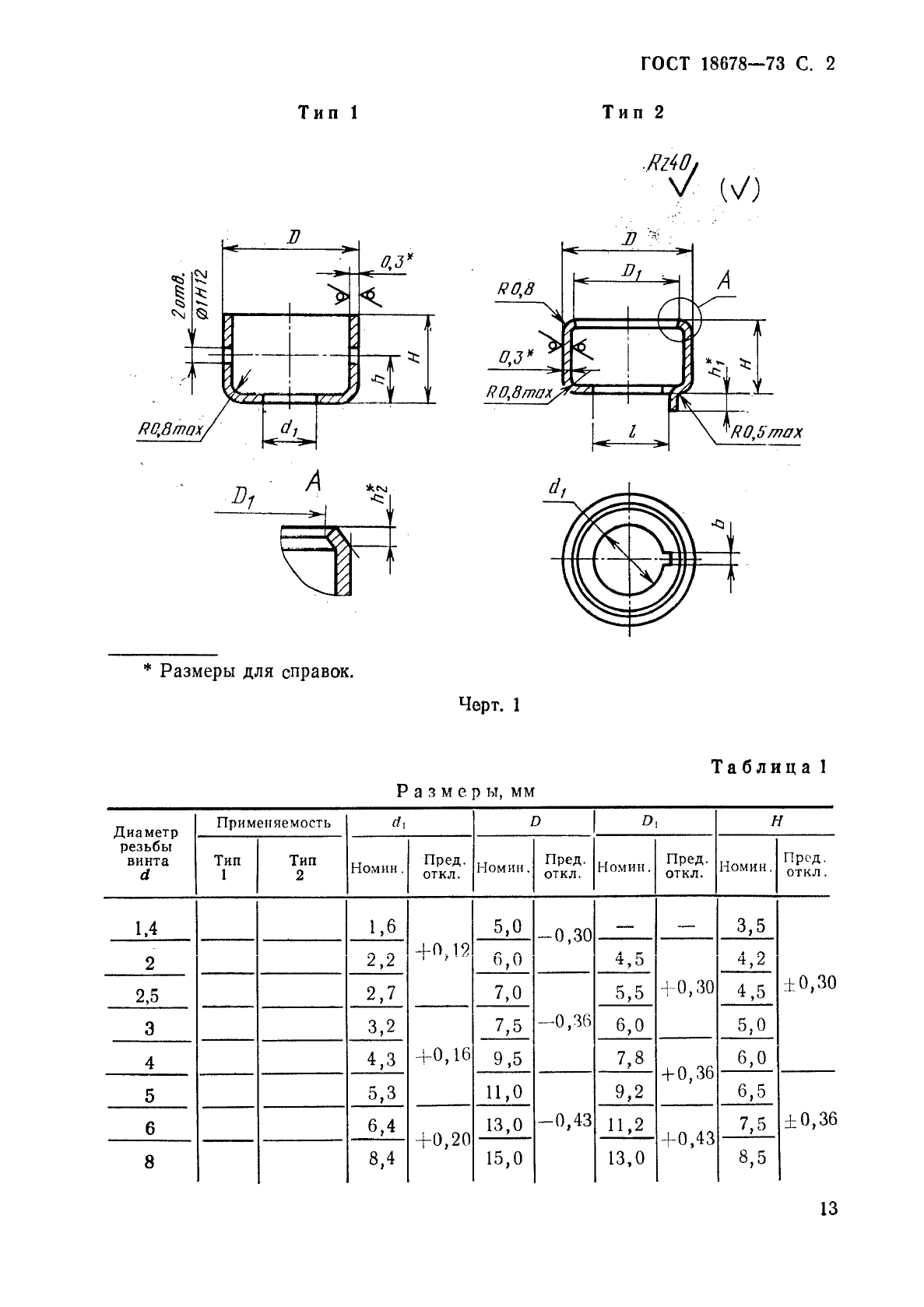
Чашки пломбировочные. Конструкция и размеры

Обозначение:ГОСТ 18678-73
Текущий статус документа: действующий
Название документа рус.:Чашки пломбировочные. Конструкция и размеры
Название документа англ.:Sealing cups. Design and dimensions
Дата актуализации текста:01.12.2013
Дата издания:01.12.1991
Дата введения:01.01.1974
Дата последнего изменения:22.05.2013
Переиздание:переиздание с изм. 1
Область применения:Настоящий стандарт распространяется на пломбировочные чашки, предназначенные для пломбирования мастикой изделий и их составных частей
Список изменений:№1 от 01.11.1977 (рег. 14.09.1977) «Срок действия продлен»
№2 от 01.07.1979 (рег. 16.02.1979) «Срок действия продлен»
№3 от 01.09.1981 (рег. 26.03.1981) «Срок действия продлен»
№4 от 01.08.1983 (рег. 28.01.1983) «Срок действия продлен»
№5 от 01.01.1989 (рег. 14.03.1988) «Срок действия продлен»
№6 от 01.01.2002 (рег. 08.08.2001) «Срок действия продлен»
Приложение №1:Изменение №6 к ГОСТ 18678-73
ГОСТ 18678-73ГОСТ 18678-73ГОСТ 18678-73ГОСТ 18678-73ГОСТ 18678-73ГОСТ 18678-73ГОСТ 18678-73ГОСТ 18678-73ГОСТ 18678-73

Изменение №6 к ГОСТ 18678-73

Обозначение:Изменение №6 к ГОСТ 18678-73
Дата введения:01.01.2002


Изменение №6 к ГОСТ 18678-73
 




ГОСТЫ, СТРОИТЕЛЬНЫЕ и ТЕХНИЧЕСКИЕ НОРМАТИВЫ.
Некоммерческая онлайн система, содержащая все Российские Госты, национальные Стандарты и нормативы.
В Системе содержится более 150000 файлов нормативно-технической документации, действующей на территории РФ.
Система предназначена для широкого круга инженерно-технических специалистов.

Рейтинг@Mail.ru Яндекс цитирования

Copyright © www.gostrf.com, 2008 - 2026