Крупнейшая бесплатная информационно-справочная система онлайн доступа к полному собранию технических нормативно-правовых актов РФ. Огромная база технических нормативов (более 150 тысяч документов) и полное собрание национальных стандартов, аутентичное официальной базе Госстандарта. GOSTRF.com - это более 1 Терабайта бесплатной технической информации для всех пользователей интернета. Все электронные копии представленных здесь документов могут распространяться без каких-либо ограничений. Поощряется распространение информации с этого сайта на любых других ресурсах. Каждый человек имеет право на неограниченный доступ к этим документам! Каждый человек имеет право на знание требований, изложенных в данных нормативно-правовых актах!

  


 

ГОСТ 7462-73

Эмали НЦ-5123. Технические условия

Обозначение:ГОСТ 7462-73
Текущий статус документа: действующий
Название документа рус.:Эмали НЦ-5123. Технические условия
Название документа англ.:Enamels НЦ-5123. Specifications
Дата актуализации текста:01.12.2013
Дата издания:01.03.1997
Дата введения:01.01.1974
Дата последнего изменения:22.05.2013
Переиздание:переиздание с изм. 1
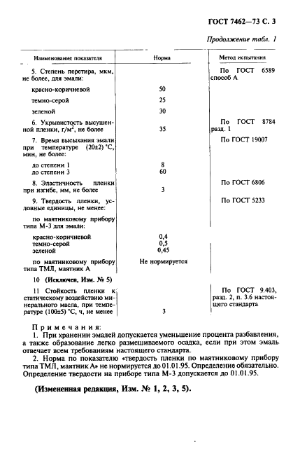
Область применения:Настоящий стандарт распространяется на эмали НЦ-5123, представляющие собой суспензию пигментов в растворе коллоксилина и смолы в смеси летучих органических растворителей с добавлением пластификаторов. Эмали предназначаются для окраски необработанных поверхностей литых, соприкасающихся с маслом деталей двигателей автомобилей, тракторов и сельскохозяйственных машин. Эмали наносят на поверхность методами пневматического распыления или окунания
Список изменений:№1 от 01.07.1979 (рег. 20.02.1979) «Срок действия продлен»
№2 от 01.01.1984 (рег. 27.07.1983) «Срок действия продлен»
№3 от 01.04.1986 (рег. 30.10.1985) «Срок действия продлен»
№4 от 01.11.1988 (рег. 06.06.1988) «Срок действия продлен»
№5 от 01.01.1994 (рег. 01.07.1993) «Срок действия продлен»
ГОСТ 7462-73ГОСТ 7462-73ГОСТ 7462-73ГОСТ 7462-73ГОСТ 7462-73ГОСТ 7462-73ГОСТ 7462-73ГОСТ 7462-73ГОСТ 7462-73ГОСТ 7462-73ГОСТ 7462-73
 




ГОСТЫ, СТРОИТЕЛЬНЫЕ и ТЕХНИЧЕСКИЕ НОРМАТИВЫ.
Некоммерческая онлайн система, содержащая все Российские Госты, национальные Стандарты и нормативы.
В Системе содержится более 150000 файлов нормативно-технической документации, действующей на территории РФ.
Система предназначена для широкого круга инженерно-технических специалистов.

Рейтинг@Mail.ru Яндекс цитирования

Copyright © www.gostrf.com, 2008 - 2026