Крупнейшая бесплатная информационно-справочная система онлайн доступа к полному собранию технических нормативно-правовых актов РФ. Огромная база технических нормативов (более 150 тысяч документов) и полное собрание национальных стандартов, аутентичное официальной базе Госстандарта. GOSTRF.com - это более 1 Терабайта бесплатной технической информации для всех пользователей интернета. Все электронные копии представленных здесь документов могут распространяться без каких-либо ограничений. Поощряется распространение информации с этого сайта на любых других ресурсах. Каждый человек имеет право на неограниченный доступ к этим документам! Каждый человек имеет право на знание требований, изложенных в данных нормативно-правовых актах!

  


 

ГОСТ 8.014-72

Государственная система обеспечения единства измерений. Методы и средства поверки фотоэлектрических люксметров

Обозначение:ГОСТ 8.014-72
Текущий статус документа: действующий
Название документа рус.:Государственная система обеспечения единства измерений. Методы и средства поверки фотоэлектрических люксметров
Название документа англ.:State system for ensuring the uniformity of measurements. Methods and means for verification of photoelectric illumination photometers
Дата актуализации текста:01.12.2013
Дата издания:01.10.1979
Дата введения:30.06.1973
Дата последнего изменения:22.05.2013
Переиздание:переиздание
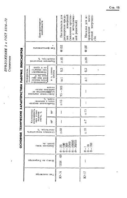
Область применения:Настоящий стандарт устанавливает методы и средство первичной и периодической поверки рабочих фотоэлектрических люксметров общего назначения по ГОСТ 14841-69 классов точности 10 и 15 и образцовых фотоэлектрических люксметров, состоящих из отдельного селенового фотоэлемента и измерителя (измерительного прибора магнито-электрической системы)
ГОСТ 8.014-72ГОСТ 8.014-72ГОСТ 8.014-72ГОСТ 8.014-72ГОСТ 8.014-72ГОСТ 8.014-72ГОСТ 8.014-72ГОСТ 8.014-72ГОСТ 8.014-72ГОСТ 8.014-72ГОСТ 8.014-72ГОСТ 8.014-72ГОСТ 8.014-72ГОСТ 8.014-72ГОСТ 8.014-72ГОСТ 8.014-72ГОСТ 8.014-72ГОСТ 8.014-72ГОСТ 8.014-72ГОСТ 8.014-72ГОСТ 8.014-72
 




ГОСТЫ, СТРОИТЕЛЬНЫЕ и ТЕХНИЧЕСКИЕ НОРМАТИВЫ.
Некоммерческая онлайн система, содержащая все Российские Госты, национальные Стандарты и нормативы.
В Системе содержится более 150000 файлов нормативно-технической документации, действующей на территории РФ.
Система предназначена для широкого круга инженерно-технических специалистов.

Рейтинг@Mail.ru Яндекс цитирования

Copyright © www.gostrf.com, 2008 - 2026