Крупнейшая бесплатная информационно-справочная система онлайн доступа к полному собранию технических нормативно-правовых актов РФ. Огромная база технических нормативов (более 150 тысяч документов) и полное собрание национальных стандартов, аутентичное официальной базе Госстандарта. GOSTRF.com - это более 1 Терабайта бесплатной технической информации для всех пользователей интернета. Все электронные копии представленных здесь документов могут распространяться без каких-либо ограничений. Поощряется распространение информации с этого сайта на любых других ресурсах. Каждый человек имеет право на неограниченный доступ к этим документам! Каждый человек имеет право на знание требований, изложенных в данных нормативно-правовых актах!

  


 

ГОСТ 12125-66

Перкали хлопчатобумажные технические. Технические условия

Обозначение:ГОСТ 12125-66
Текущий статус документа: действующий
Название документа рус.:Перкали хлопчатобумажные технические. Технические условия
Название документа англ.:Industrial cotton percales. Specifications
Дата актуализации текста:01.12.2013
Дата издания:01.02.1971
Дата введения:01.01.1967
Дата последнего изменения:22.05.2013
Переиздание:переиздание с изм. 1
Взамен в части:, кроме ткани АСТ-28
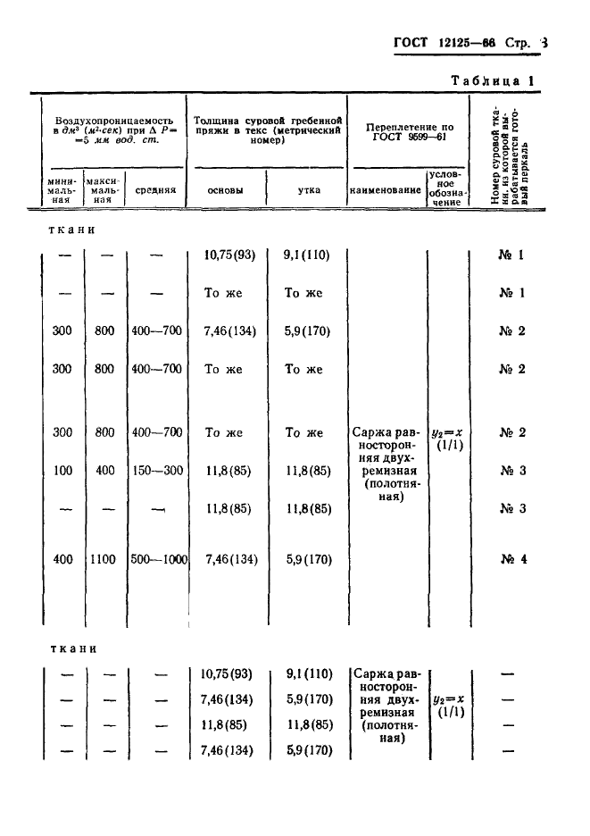
Область применения:Настоящий стандарт распространяется на хлопчатобумажные технические перкали - суровые, расшлихтованные, гладкокрашенные и пропитанные, которые в зависимости от назначения делятся на две группы: первая - ткани, применяемые без покрытий; вторая - ткани, применяемые с покрытием
Список изменений:№0 от 24.06.1987 (рег. 24.06.1987) «Срок действия продлен»
№1 от 01.01.1970 (рег. 11.11.1969) «Срок действия продлен»
№2 от 01.04.1983 (рег. 16.11.1982) «Срок действия продлен»
ГОСТ 12125-66ГОСТ 12125-66ГОСТ 12125-66ГОСТ 12125-66ГОСТ 12125-66ГОСТ 12125-66ГОСТ 12125-66ГОСТ 12125-66ГОСТ 12125-66ГОСТ 12125-66ГОСТ 12125-66ГОСТ 12125-66ГОСТ 12125-66ГОСТ 12125-66ГОСТ 12125-66ГОСТ 12125-66ГОСТ 12125-66ГОСТ 12125-66
 




ГОСТЫ, СТРОИТЕЛЬНЫЕ и ТЕХНИЧЕСКИЕ НОРМАТИВЫ.
Некоммерческая онлайн система, содержащая все Российские Госты, национальные Стандарты и нормативы.
В Системе содержится более 150000 файлов нормативно-технической документации, действующей на территории РФ.
Система предназначена для широкого круга инженерно-технических специалистов.

Рейтинг@Mail.ru Яндекс цитирования

Copyright © www.gostrf.com, 2008 - 2026