Крупнейшая бесплатная информационно-справочная система онлайн доступа к полному собранию технических нормативно-правовых актов РФ. Огромная база технических нормативов (более 150 тысяч документов) и полное собрание национальных стандартов, аутентичное официальной базе Госстандарта. GOSTRF.com - это более 1 Терабайта бесплатной технической информации для всех пользователей интернета. Все электронные копии представленных здесь документов могут распространяться без каких-либо ограничений. Поощряется распространение информации с этого сайта на любых других ресурсах. Каждый человек имеет право на неограниченный доступ к этим документам! Каждый человек имеет право на знание требований, изложенных в данных нормативно-правовых актах!

  


 

ГОСТ Р 51323.2-99

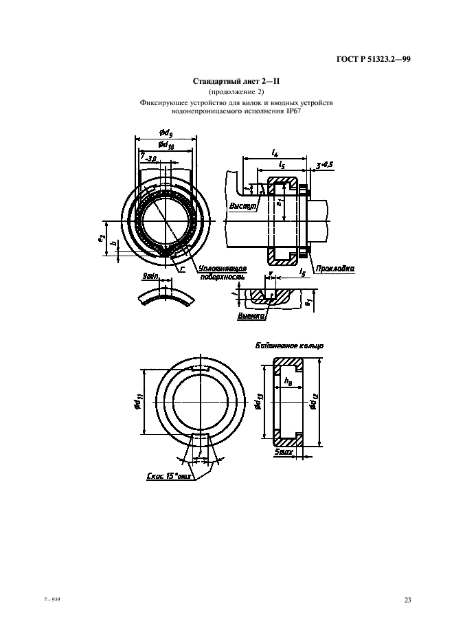
Вилки, штепсельные розетки и соединительные устройства промышленного назначения. Часть 2. Требования к взаимозаменяемости размеров штырей и контактных гнезд соединителей

Обозначение:ГОСТ Р 51323.2-99
Текущий статус документа: действующий
Название документа рус.:Вилки, штепсельные розетки и соединительные устройства промышленного назначения. Часть 2. Требования к взаимозаменяемости размеров штырей и контактных гнезд соединителей
Название документа англ.:Plugs, socket-outlets and couplers for industrial purposes. Part 2. Dimensional interchangeability requirements for pin and contact-tube accessories
Дата актуализации текста:01.12.2013
Дата издания:25.05.2000
Дата введения:01.01.2001
Дата последнего изменения:11.09.2013
Дата окончания срока действия:01.01.2014
Область применения:Настоящий стандарт распространяется на штепсельные соединители, кабельные соединители и вводные соединители промышленного назначения (далее - соединители) на номинальное рабочее напряжение не более 690 В постоянного и переменного тока частотой до 500 Гц и номинальный ток не более 125 А, применяемые для установки внутри и снаружи помещений
Список изменений:№0 от 01.01.2014 (рег. 15.11.2012) «Текстовое изменение; Изменено заглавие»
ГОСТ Р 51323.2-99ГОСТ Р 51323.2-99ГОСТ Р 51323.2-99ГОСТ Р 51323.2-99ГОСТ Р 51323.2-99ГОСТ Р 51323.2-99ГОСТ Р 51323.2-99ГОСТ Р 51323.2-99ГОСТ Р 51323.2-99ГОСТ Р 51323.2-99ГОСТ Р 51323.2-99ГОСТ Р 51323.2-99ГОСТ Р 51323.2-99ГОСТ Р 51323.2-99ГОСТ Р 51323.2-99ГОСТ Р 51323.2-99ГОСТ Р 51323.2-99ГОСТ Р 51323.2-99ГОСТ Р 51323.2-99ГОСТ Р 51323.2-99ГОСТ Р 51323.2-99ГОСТ Р 51323.2-99ГОСТ Р 51323.2-99ГОСТ Р 51323.2-99ГОСТ Р 51323.2-99ГОСТ Р 51323.2-99ГОСТ Р 51323.2-99ГОСТ Р 51323.2-99ГОСТ Р 51323.2-99ГОСТ Р 51323.2-99ГОСТ Р 51323.2-99ГОСТ Р 51323.2-99ГОСТ Р 51323.2-99ГОСТ Р 51323.2-99ГОСТ Р 51323.2-99ГОСТ Р 51323.2-99ГОСТ Р 51323.2-99ГОСТ Р 51323.2-99ГОСТ Р 51323.2-99ГОСТ Р 51323.2-99ГОСТ Р 51323.2-99ГОСТ Р 51323.2-99ГОСТ Р 51323.2-99ГОСТ Р 51323.2-99ГОСТ Р 51323.2-99ГОСТ Р 51323.2-99ГОСТ Р 51323.2-99ГОСТ Р 51323.2-99ГОСТ Р 51323.2-99ГОСТ Р 51323.2-99ГОСТ Р 51323.2-99ГОСТ Р 51323.2-99ГОСТ Р 51323.2-99ГОСТ Р 51323.2-99ГОСТ Р 51323.2-99ГОСТ Р 51323.2-99ГОСТ Р 51323.2-99ГОСТ Р 51323.2-99
 




ГОСТЫ, СТРОИТЕЛЬНЫЕ и ТЕХНИЧЕСКИЕ НОРМАТИВЫ.
Некоммерческая онлайн система, содержащая все Российские Госты, национальные Стандарты и нормативы.
В Системе содержится более 150000 файлов нормативно-технической документации, действующей на территории РФ.
Система предназначена для широкого круга инженерно-технических специалистов.

Рейтинг@Mail.ru Яндекс цитирования

Copyright © www.gostrf.com, 2008 - 2026