Крупнейшая бесплатная информационно-справочная система онлайн доступа к полному собранию технических нормативно-правовых актов РФ. Огромная база технических нормативов (более 150 тысяч документов) и полное собрание национальных стандартов, аутентичное официальной базе Госстандарта. GOSTRF.com - это более 1 Терабайта бесплатной технической информации для всех пользователей интернета. Все электронные копии представленных здесь документов могут распространяться без каких-либо ограничений. Поощряется распространение информации с этого сайта на любых других ресурсах. Каждый человек имеет право на неограниченный доступ к этим документам! Каждый человек имеет право на знание требований, изложенных в данных нормативно-правовых актах!

  


 

ГОСТ Р 50321-92

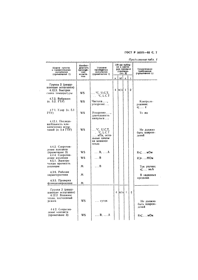
Электромеханические переключатели, используемые в электронной аппаратуре. Групповые технические условия на микропереключатели

Обозначение:ГОСТ Р 50321-92
Текущий статус документа: действующий
Название документа рус.:Электромеханические переключатели, используемые в электронной аппаратуре. Групповые технические условия на микропереключатели
Название документа англ.:Electromechanical switches for use in electronic equipment. Sectional specification for sensitive switches
Дата актуализации текста:01.12.2013
Дата издания:05.01.1993
Дата введения:30.06.1993
Дата последнего изменения:22.05.2013
Область применения:Настоящий стандарт распространяется на сертифицируемые в рамках Системы сертификации изделий электронной техники МЭК микропереключатели, являющиеся подсемейством электромеханических переключателей и рассчитанные на номинальное напряжение не более 300 В и номинальный ток не более 25 А (постоянного тока или эффективных значений переменного тока).
Настоящий стандарт распространяется (но не ограничивается ими) на следующие подсемейства микропереключателей:
- микропереключатели с одинарным разрывом цепи;
- микропереключатели с двойным разрывом цепи;
- блоки микропереключателей с одинарным разрывом цепи;
- блоки микропереключателей с двойным разрывом цепи
ГОСТ Р 50321-92ГОСТ Р 50321-92ГОСТ Р 50321-92ГОСТ Р 50321-92ГОСТ Р 50321-92ГОСТ Р 50321-92ГОСТ Р 50321-92ГОСТ Р 50321-92ГОСТ Р 50321-92ГОСТ Р 50321-92ГОСТ Р 50321-92ГОСТ Р 50321-92ГОСТ Р 50321-92ГОСТ Р 50321-92ГОСТ Р 50321-92ГОСТ Р 50321-92
 




ГОСТЫ, СТРОИТЕЛЬНЫЕ и ТЕХНИЧЕСКИЕ НОРМАТИВЫ.
Некоммерческая онлайн система, содержащая все Российские Госты, национальные Стандарты и нормативы.
В Системе содержится более 150000 файлов нормативно-технической документации, действующей на территории РФ.
Система предназначена для широкого круга инженерно-технических специалистов.

Рейтинг@Mail.ru Яндекс цитирования

Copyright © www.gostrf.com, 2008 - 2026