Крупнейшая бесплатная информационно-справочная система онлайн доступа к полному собранию технических нормативно-правовых актов РФ. Огромная база технических нормативов (более 150 тысяч документов) и полное собрание национальных стандартов, аутентичное официальной базе Госстандарта. GOSTRF.com - это более 1 Терабайта бесплатной технической информации для всех пользователей интернета. Все электронные копии представленных здесь документов могут распространяться без каких-либо ограничений. Поощряется распространение информации с этого сайта на любых других ресурсах. Каждый человек имеет право на неограниченный доступ к этим документам! Каждый человек имеет право на знание требований, изложенных в данных нормативно-правовых актах!

  


 

ГОСТ 9462-88

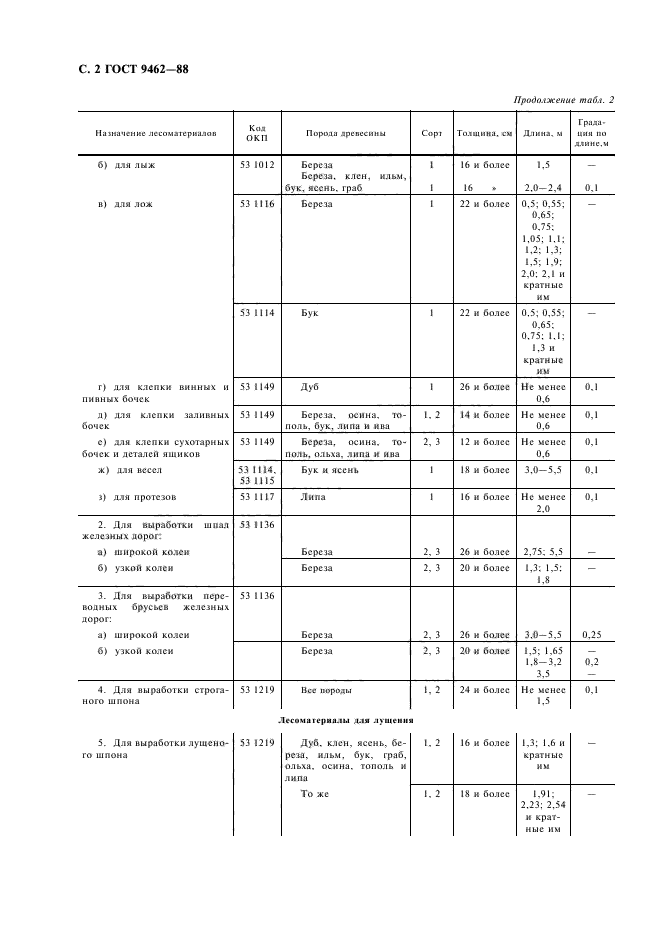
Лесоматериалы круглые лиственных пород. Технические условия

Обозначение:ГОСТ 9462-88
Текущий статус документа: действующий
Название документа рус.:Лесоматериалы круглые лиственных пород. Технические условия
Название документа англ.:Round timber of broad leaved species. Specifications
Дата актуализации текста:01.12.2013
Дата издания:13.11.2010
Дата введения:01.01.1991
Дата последнего изменения:22.05.2013
Переиздание:переиздание с изм. 1 и поправкой
Область применения:Настоящий стандарт распространяется на круглые лесоматериалы лиственных пород, предназначенные для использования в различных отраслях промышленности и строительства
Список изменений:№0 от 09.11.1989 (рег. 09.11.1989) «Утратил силу в РФ»
№1 от 01.01.1991 (рег. 30.03.1990) «Срок действия продлен»
ГОСТ 9462-88ГОСТ 9462-88ГОСТ 9462-88ГОСТ 9462-88ГОСТ 9462-88ГОСТ 9462-88ГОСТ 9462-88ГОСТ 9462-88ГОСТ 9462-88ГОСТ 9462-88ГОСТ 9462-88ГОСТ 9462-88
 




ГОСТЫ, СТРОИТЕЛЬНЫЕ и ТЕХНИЧЕСКИЕ НОРМАТИВЫ.
Некоммерческая онлайн система, содержащая все Российские Госты, национальные Стандарты и нормативы.
В Системе содержится более 150000 файлов нормативно-технической документации, действующей на территории РФ.
Система предназначена для широкого круга инженерно-технических специалистов.

Рейтинг@Mail.ru Яндекс цитирования

Copyright © www.gostrf.com, 2008 - 2026