Крупнейшая бесплатная информационно-справочная система онлайн доступа к полному собранию технических нормативно-правовых актов РФ. Огромная база технических нормативов (более 150 тысяч документов) и полное собрание национальных стандартов, аутентичное официальной базе Госстандарта. GOSTRF.com - это более 1 Терабайта бесплатной технической информации для всех пользователей интернета. Все электронные копии представленных здесь документов могут распространяться без каких-либо ограничений. Поощряется распространение информации с этого сайта на любых других ресурсах. Каждый человек имеет право на неограниченный доступ к этим документам! Каждый человек имеет право на знание требований, изложенных в данных нормативно-правовых актах!

  


 

ГОСТ 5525-88

Части соединительные чугунные, изготовленные литьем в песчаные формы для трубопроводов. Технические условия

Обозначение:ГОСТ 5525-88
Текущий статус документа: действующий
Название документа рус.:Части соединительные чугунные, изготовленные литьем в песчаные формы для трубопроводов. Технические условия
Название документа англ.:Pig iron connecting parts manufactured by pouring into sand moulds for pipelines. Specifications
Дата актуализации текста:01.12.2013
Дата издания:26.10.2010
Дата введения:01.01.1990
Дата последнего изменения:22.05.2013
Переиздание:переиздание
Взамен в части:, кроме условных графических обозначений
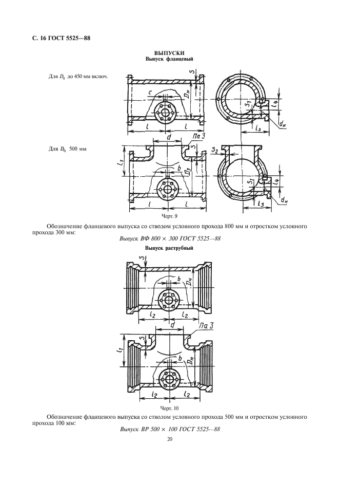
Область применения:Настоящий стандарт распространяется на части соединительные чугунные, изготовленные литьем в песчаные формы для трубопроводов
ГОСТ 5525-88ГОСТ 5525-88ГОСТ 5525-88ГОСТ 5525-88ГОСТ 5525-88ГОСТ 5525-88ГОСТ 5525-88ГОСТ 5525-88ГОСТ 5525-88ГОСТ 5525-88ГОСТ 5525-88ГОСТ 5525-88ГОСТ 5525-88ГОСТ 5525-88ГОСТ 5525-88ГОСТ 5525-88ГОСТ 5525-88ГОСТ 5525-88ГОСТ 5525-88ГОСТ 5525-88ГОСТ 5525-88ГОСТ 5525-88ГОСТ 5525-88ГОСТ 5525-88ГОСТ 5525-88ГОСТ 5525-88ГОСТ 5525-88ГОСТ 5525-88ГОСТ 5525-88ГОСТ 5525-88ГОСТ 5525-88ГОСТ 5525-88ГОСТ 5525-88ГОСТ 5525-88ГОСТ 5525-88ГОСТ 5525-88ГОСТ 5525-88ГОСТ 5525-88ГОСТ 5525-88ГОСТ 5525-88ГОСТ 5525-88ГОСТ 5525-88ГОСТ 5525-88ГОСТ 5525-88ГОСТ 5525-88
 




ГОСТЫ, СТРОИТЕЛЬНЫЕ и ТЕХНИЧЕСКИЕ НОРМАТИВЫ.
Некоммерческая онлайн система, содержащая все Российские Госты, национальные Стандарты и нормативы.
В Системе содержится более 150000 файлов нормативно-технической документации, действующей на территории РФ.
Система предназначена для широкого круга инженерно-технических специалистов.

Рейтинг@Mail.ru Яндекс цитирования

Copyright © www.gostrf.com, 2008 - 2026