Крупнейшая бесплатная информационно-справочная система онлайн доступа к полному собранию технических нормативно-правовых актов РФ. Огромная база технических нормативов (более 150 тысяч документов) и полное собрание национальных стандартов, аутентичное официальной базе Госстандарта. GOSTRF.com - это более 1 Терабайта бесплатной технической информации для всех пользователей интернета. Все электронные копии представленных здесь документов могут распространяться без каких-либо ограничений. Поощряется распространение информации с этого сайта на любых других ресурсах. Каждый человек имеет право на неограниченный доступ к этим документам! Каждый человек имеет право на знание требований, изложенных в данных нормативно-правовых актах!

  


 

ГОСТ 26505-85

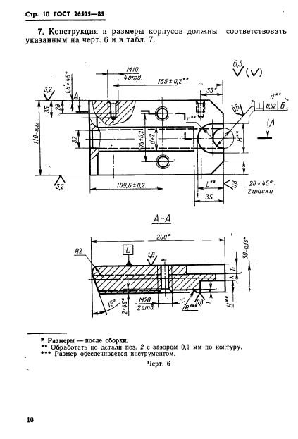
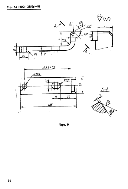
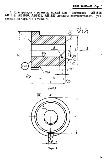
Инструмент для холодноштамповочных автоматов. Ножи отрезные. Конструкция и размеры

Обозначение:ГОСТ 26505-85
Текущий статус документа: действующий
Название документа рус.:Инструмент для холодноштамповочных автоматов. Ножи отрезные. Конструкция и размеры
Название документа англ.:Tools for cold-forming machines. Gutters Construction and dimensions
Дата актуализации текста:01.12.2013
Дата издания:29.10.1985
Дата введения:30.06.1987
Дата последнего изменения:22.05.2013
Область применения:Настоящий стандарт распространяется на отрезные ножи с твердосплавными вставками для отрезки заготовок гаек номинальным диаметром резьбы от 4 до 20 мм
Список изменений:№1 от 01.01.1991 (рег. 19.12.1989) «Срок действия продлен»
ГОСТ 26505-85ГОСТ 26505-85ГОСТ 26505-85ГОСТ 26505-85ГОСТ 26505-85ГОСТ 26505-85ГОСТ 26505-85ГОСТ 26505-85ГОСТ 26505-85ГОСТ 26505-85ГОСТ 26505-85ГОСТ 26505-85ГОСТ 26505-85ГОСТ 26505-85ГОСТ 26505-85ГОСТ 26505-85ГОСТ 26505-85ГОСТ 26505-85ГОСТ 26505-85ГОСТ 26505-85
 




ГОСТЫ, СТРОИТЕЛЬНЫЕ и ТЕХНИЧЕСКИЕ НОРМАТИВЫ.
Некоммерческая онлайн система, содержащая все Российские Госты, национальные Стандарты и нормативы.
В Системе содержится более 150000 файлов нормативно-технической документации, действующей на территории РФ.
Система предназначена для широкого круга инженерно-технических специалистов.

Рейтинг@Mail.ru Яндекс цитирования

Copyright © www.gostrf.com, 2008 - 2026