Крупнейшая бесплатная информационно-справочная система онлайн доступа к полному собранию технических нормативно-правовых актов РФ. Огромная база технических нормативов (более 150 тысяч документов) и полное собрание национальных стандартов, аутентичное официальной базе Госстандарта. GOSTRF.com - это более 1 Терабайта бесплатной технической информации для всех пользователей интернета. Все электронные копии представленных здесь документов могут распространяться без каких-либо ограничений. Поощряется распространение информации с этого сайта на любых других ресурсах. Каждый человек имеет право на неограниченный доступ к этим документам! Каждый человек имеет право на знание требований, изложенных в данных нормативно-правовых актах!

  


 

ГОСТ 25880-83

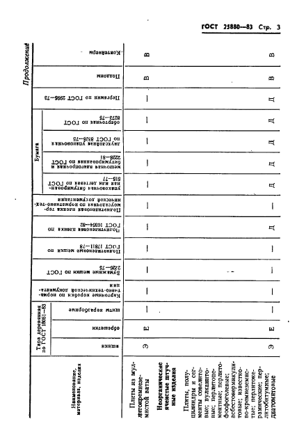
Материалы и изделия строительные теплоизоляционные. Упаковка, маркировка, транспортирование и хранение

Обозначение:ГОСТ 25880-83
Текущий статус документа: действующий
Название документа рус.:Материалы и изделия строительные теплоизоляционные. Упаковка, маркировка, транспортирование и хранение
Название документа англ.:Heat insulating construction materials and products. Packing, marking, transportation and storage
Дата актуализации текста:01.12.2013
Дата издания:12.10.1983
Дата введения:01.01.1984
Дата последнего изменения:22.05.2013
Область применения:Настоящий стандарт распространяется на строительные теплоизоляционные материалы и изделия и устанавливает требования к упаковке, маркировке, транспортированию и хранению
ГОСТ 25880-83ГОСТ 25880-83ГОСТ 25880-83ГОСТ 25880-83ГОСТ 25880-83ГОСТ 25880-83ГОСТ 25880-83ГОСТ 25880-83ГОСТ 25880-83ГОСТ 25880-83ГОСТ 25880-83ГОСТ 25880-83ГОСТ 25880-83ГОСТ 25880-83ГОСТ 25880-83
 




ГОСТЫ, СТРОИТЕЛЬНЫЕ и ТЕХНИЧЕСКИЕ НОРМАТИВЫ.
Некоммерческая онлайн система, содержащая все Российские Госты, национальные Стандарты и нормативы.
В Системе содержится более 150000 файлов нормативно-технической документации, действующей на территории РФ.
Система предназначена для широкого круга инженерно-технических специалистов.

Рейтинг@Mail.ru Яндекс цитирования

Copyright © www.gostrf.com, 2008 - 2026