Крупнейшая бесплатная информационно-справочная система онлайн доступа к полному собранию технических нормативно-правовых актов РФ. Огромная база технических нормативов (более 150 тысяч документов) и полное собрание национальных стандартов, аутентичное официальной базе Госстандарта. GOSTRF.com - это более 1 Терабайта бесплатной технической информации для всех пользователей интернета. Все электронные копии представленных здесь документов могут распространяться без каких-либо ограничений. Поощряется распространение информации с этого сайта на любых других ресурсах. Каждый человек имеет право на неограниченный доступ к этим документам! Каждый человек имеет право на знание требований, изложенных в данных нормативно-правовых актах!

  


 

ГОСТ 22002.1-82

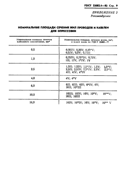
Наконечники кабельные глухие с закрытым хвостовиком, закрепляемые на жилах проводов. Конструкция и размеры

Обозначение:ГОСТ 22002.1-82
Текущий статус документа: действующий
Название документа рус.:Наконечники кабельные глухие с закрытым хвостовиком, закрепляемые на жилах проводов. Конструкция и размеры
Название документа англ.:Ring cable terminals with close tail, attached to conductor core. Construction and sizes
Дата актуализации текста:01.12.2013
Дата издания:26.03.1982
Дата введения:01.01.1983
Дата последнего изменения:22.05.2013
Область применения:Настоящий стандарт распространяется на кабельные штампованные глухие наконечники с закрытым хвостовиком, закрепляемые на медных многопроволочных жилах проводов и кабелей с сечением от 0,35 до 16 мм кв.
Настоящий стандарт не распространяется на кабельные наконечники для автотракторного, мотоциклетного и велосипедного электрооборудования, а также на кабельные наконечники для щеток электрических машин
Список изменений:№1 от 01.01.1988 (рег. 18.12.1985) «Срок действия продлен»
№2 от 01.01.1988 (рег. 29.06.1987) «Срок действия продлен»
ГОСТ 22002.1-82ГОСТ 22002.1-82ГОСТ 22002.1-82ГОСТ 22002.1-82ГОСТ 22002.1-82ГОСТ 22002.1-82ГОСТ 22002.1-82ГОСТ 22002.1-82ГОСТ 22002.1-82ГОСТ 22002.1-82ГОСТ 22002.1-82ГОСТ 22002.1-82ГОСТ 22002.1-82ГОСТ 22002.1-82ГОСТ 22002.1-82ГОСТ 22002.1-82ГОСТ 22002.1-82ГОСТ 22002.1-82ГОСТ 22002.1-82ГОСТ 22002.1-82ГОСТ 22002.1-82
 




ГОСТЫ, СТРОИТЕЛЬНЫЕ и ТЕХНИЧЕСКИЕ НОРМАТИВЫ.
Некоммерческая онлайн система, содержащая все Российские Госты, национальные Стандарты и нормативы.
В Системе содержится более 150000 файлов нормативно-технической документации, действующей на территории РФ.
Система предназначена для широкого круга инженерно-технических специалистов.

Рейтинг@Mail.ru Яндекс цитирования

Copyright © www.gostrf.com, 2008 - 2026