Крупнейшая бесплатная информационно-справочная система онлайн доступа к полному собранию технических нормативно-правовых актов РФ. Огромная база технических нормативов (более 150 тысяч документов) и полное собрание национальных стандартов, аутентичное официальной базе Госстандарта. GOSTRF.com - это более 1 Терабайта бесплатной технической информации для всех пользователей интернета. Все электронные копии представленных здесь документов могут распространяться без каких-либо ограничений. Поощряется распространение информации с этого сайта на любых других ресурсах. Каждый человек имеет право на неограниченный доступ к этим документам! Каждый человек имеет право на знание требований, изложенных в данных нормативно-правовых актах!

  


 

ГОСТ Р 50794-95

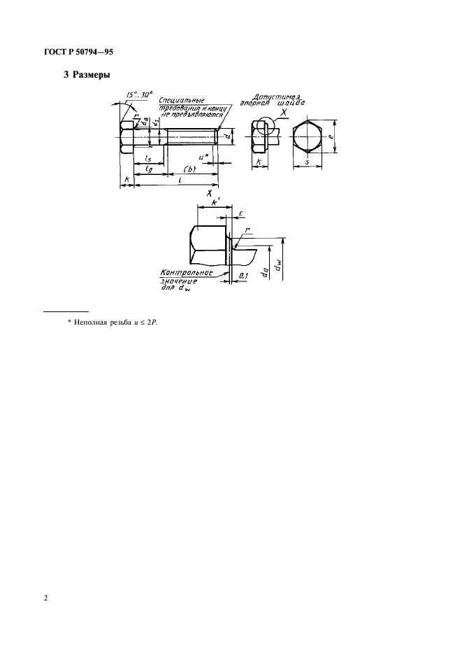
Болты с шестигранной головкой класса точности С. Технические условия

Обозначение:ГОСТ Р 50794-95
Текущий статус документа: действующий
Название документа рус.:Болты с шестигранной головкой класса точности С. Технические условия
Название документа англ.:Hexagon head bolts, product grade C. Specifications
Дата актуализации текста:01.12.2013
Дата издания:01.11.2006
Дата введения:30.06.1996
Дата последнего изменения:21.11.2013
Дата окончания срока действия:01.07.2014
Переиздание:переиздание
Область применения:Настоящий стандарт распространяется на болты с шестигранной головкой с диаметрами резьбы от М 5 до М 64 класса точности С
ГОСТ Р 50794-95ГОСТ Р 50794-95ГОСТ Р 50794-95ГОСТ Р 50794-95ГОСТ Р 50794-95ГОСТ Р 50794-95ГОСТ Р 50794-95ГОСТ Р 50794-95ГОСТ Р 50794-95ГОСТ Р 50794-95ГОСТ Р 50794-95ГОСТ Р 50794-95
 




ГОСТЫ, СТРОИТЕЛЬНЫЕ и ТЕХНИЧЕСКИЕ НОРМАТИВЫ.
Некоммерческая онлайн система, содержащая все Российские Госты, национальные Стандарты и нормативы.
В Системе содержится более 150000 файлов нормативно-технической документации, действующей на территории РФ.
Система предназначена для широкого круга инженерно-технических специалистов.

Рейтинг@Mail.ru Яндекс цитирования

Copyright © www.gostrf.com, 2008 - 2026