Крупнейшая бесплатная информационно-справочная система онлайн доступа к полному собранию технических нормативно-правовых актов РФ. Огромная база технических нормативов (более 150 тысяч документов) и полное собрание национальных стандартов, аутентичное официальной базе Госстандарта. GOSTRF.com - это более 1 Терабайта бесплатной технической информации для всех пользователей интернета. Все электронные копии представленных здесь документов могут распространяться без каких-либо ограничений. Поощряется распространение информации с этого сайта на любых других ресурсах. Каждый человек имеет право на неограниченный доступ к этим документам! Каждый человек имеет право на знание требований, изложенных в данных нормативно-правовых актах!

  


 

ГОСТ 30380-95

Совместимость видеомагнитофонов бытовых электромагнитная. Устойчивость к электромагнитным полям и наведенным высокочастотным токам и напряжениям. Методы испытаний

Обозначение:ГОСТ 30380-95
Текущий статус документа: действующий
Название документа рус.:Совместимость видеомагнитофонов бытовых электромагнитная. Устойчивость к электромагнитным полям и наведенным высокочастотным токам и напряжениям. Методы испытаний
Название документа англ.:Electromagnetic compatibility for consumer video tape recorders. Immunity to electromagnetic disturbance. Test methods
Дата актуализации текста:01.12.2013
Дата издания:18.01.2005
Дата введения:01.01.1997
Дата последнего изменения:22.05.2013
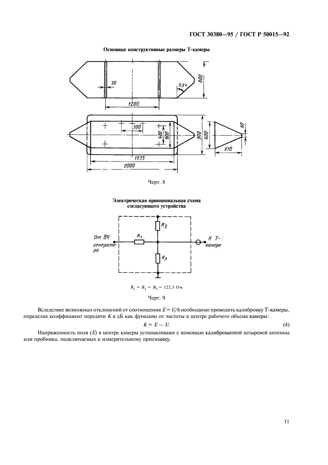
Область применения:Настоящий стандарт распространяется на бытовые видеомагнитофоны наклонно-строчной записи с магнитной лентой шириной 12,65 и 8,0 мм (ВМ) и устанавливает методы испытаний ВМ на устойчивость к воздействию внешних электромагнитных полей в диапазоне частот 0,15-1000 МГц и наведенных высокочастотных токов и напряжений в диапазоне частот 0,15-150 МГц
ГОСТ 30380-95ГОСТ 30380-95ГОСТ 30380-95ГОСТ 30380-95ГОСТ 30380-95ГОСТ 30380-95ГОСТ 30380-95ГОСТ 30380-95ГОСТ 30380-95ГОСТ 30380-95ГОСТ 30380-95ГОСТ 30380-95ГОСТ 30380-95ГОСТ 30380-95ГОСТ 30380-95ГОСТ 30380-95ГОСТ 30380-95ГОСТ 30380-95ГОСТ 30380-95
 




ГОСТЫ, СТРОИТЕЛЬНЫЕ и ТЕХНИЧЕСКИЕ НОРМАТИВЫ.
Некоммерческая онлайн система, содержащая все Российские Госты, национальные Стандарты и нормативы.
В Системе содержится более 150000 файлов нормативно-технической документации, действующей на территории РФ.
Система предназначена для широкого круга инженерно-технических специалистов.

Рейтинг@Mail.ru Яндекс цитирования

Copyright © www.gostrf.com, 2008 - 2026