Крупнейшая бесплатная информационно-справочная система онлайн доступа к полному собранию технических нормативно-правовых актов РФ. Огромная база технических нормативов (более 150 тысяч документов) и полное собрание национальных стандартов, аутентичное официальной базе Госстандарта. GOSTRF.com - это более 1 Терабайта бесплатной технической информации для всех пользователей интернета. Все электронные копии представленных здесь документов могут распространяться без каких-либо ограничений. Поощряется распространение информации с этого сайта на любых других ресурсах. Каждый человек имеет право на неограниченный доступ к этим документам! Каждый человек имеет право на знание требований, изложенных в данных нормативно-правовых актах!

  


 

ГОСТ 17123-79

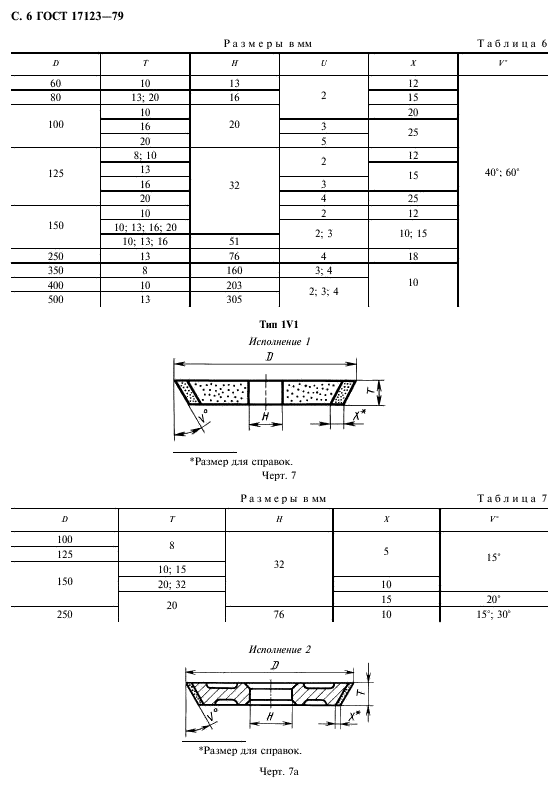
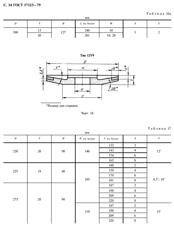
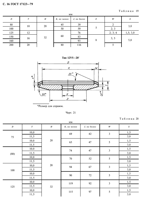
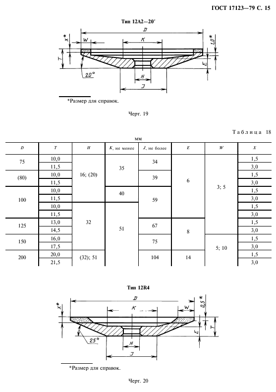
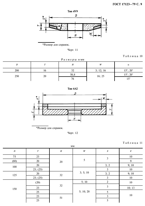
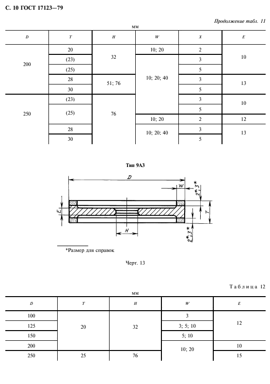
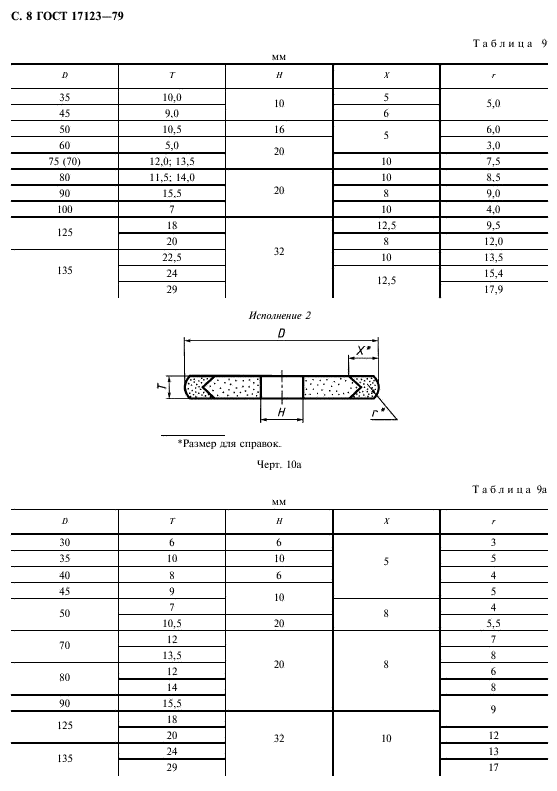
Круги эльборовые шлифовальные. Типы и основные размеры

Обозначение:ГОСТ 17123-79
Текущий статус документа: утратил силу в РФ
Название документа рус.:Круги эльборовые шлифовальные. Типы и основные размеры
Название документа англ.:Elbor grinding wheels. Types and basic dimensions
Дата актуализации текста:01.12.2013
Дата издания:01.12.1997
Дата введения:01.01.1981
Дата последнего изменения:22.05.2013
Дата окончания срока действия:01.01.2012
Переиздание:переиздание с изм. 1
Область применения:Настоящий стандарт распространяется на эльборовые шлифовальные круги на керамической и органической связках.
Стандарт устанавливает требования к продукции, изготовляемой для нужд народного хозяйства и экспорта
Список изменений:№0 от 01.01.2012 (рег. 12.11.2010) «Поправка к изменению»
№1 от 01.07.1985 (рег. 05.04.1985) «Срок действия продлен»
№2 от 01.07.1989 (рег. 19.07.1988) «Срок действия продлен»
№3 от 01.01.1993 (рег. 23.06.1992) «Срок действия продлен»
ГОСТ 17123-79ГОСТ 17123-79ГОСТ 17123-79ГОСТ 17123-79ГОСТ 17123-79ГОСТ 17123-79ГОСТ 17123-79ГОСТ 17123-79ГОСТ 17123-79ГОСТ 17123-79ГОСТ 17123-79ГОСТ 17123-79ГОСТ 17123-79ГОСТ 17123-79ГОСТ 17123-79ГОСТ 17123-79ГОСТ 17123-79ГОСТ 17123-79ГОСТ 17123-79ГОСТ 17123-79ГОСТ 17123-79ГОСТ 17123-79ГОСТ 17123-79ГОСТ 17123-79ГОСТ 17123-79ГОСТ 17123-79ГОСТ 17123-79ГОСТ 17123-79ГОСТ 17123-79
 




ГОСТЫ, СТРОИТЕЛЬНЫЕ и ТЕХНИЧЕСКИЕ НОРМАТИВЫ.
Некоммерческая онлайн система, содержащая все Российские Госты, национальные Стандарты и нормативы.
В Системе содержится более 150000 файлов нормативно-технической документации, действующей на территории РФ.
Система предназначена для широкого круга инженерно-технических специалистов.

Рейтинг@Mail.ru Яндекс цитирования

Copyright © www.gostrf.com, 2008 - 2026