Крупнейшая бесплатная информационно-справочная система онлайн доступа к полному собранию технических нормативно-правовых актов РФ. Огромная база технических нормативов (более 150 тысяч документов) и полное собрание национальных стандартов, аутентичное официальной базе Госстандарта. GOSTRF.com - это более 1 Терабайта бесплатной технической информации для всех пользователей интернета. Все электронные копии представленных здесь документов могут распространяться без каких-либо ограничений. Поощряется распространение информации с этого сайта на любых других ресурсах. Каждый человек имеет право на неограниченный доступ к этим документам! Каждый человек имеет право на знание требований, изложенных в данных нормативно-правовых актах!

  


 

ГОСТ 9.703-79

Единая система защиты от коррозии и старения. Пластмассы для изделий, предназначенных для эксплуатации в районах с тропическим климатом. Общие требования к выбору и методы испытаний

Обозначение:ГОСТ 9.703-79
Текущий статус документа: действующий
Название документа рус.:Единая система защиты от коррозии и старения. Пластмассы для изделий, предназначенных для эксплуатации в районах с тропическим климатом. Общие требования к выбору и методы испытаний
Название документа англ.:Unified system of corrosion and ageing protection. Plastic materials for items, used in tropical conditions. General requirements for selection and test methods
Дата актуализации текста:01.12.2013
Дата издания:01.09.1985
Дата введения:30.06.1980
Дата последнего изменения:22.05.2013
Переиздание:переиздание с изм. 1
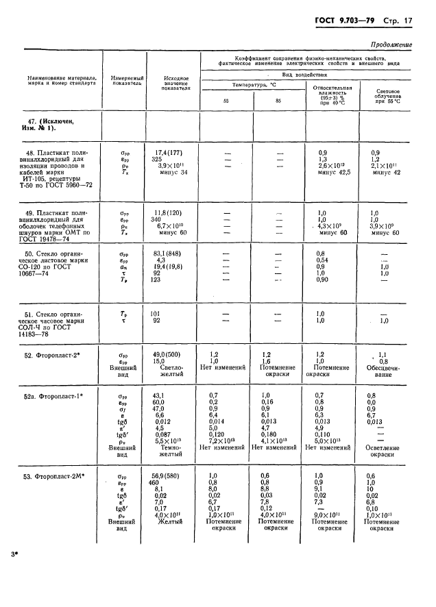
Область применения:Настоящий стандарт распространяется на пластмассы для деталей машин, приборов и других технических изделий, поставляемых в макроклиматические районы с тропическим кламатом по ГОСТ 15151-69 и устанавливает общие требования к выбору пластмасс и методы их испытаний
Список изменений:№1 от 01.01.1986 (рег. 25.03.1985) «Срок действия продлен»
№2 от 01.01.1991 (рег. 13.06.1990) «Срок действия продлен»
ГОСТ 9.703-79ГОСТ 9.703-79ГОСТ 9.703-79ГОСТ 9.703-79ГОСТ 9.703-79ГОСТ 9.703-79ГОСТ 9.703-79ГОСТ 9.703-79ГОСТ 9.703-79ГОСТ 9.703-79ГОСТ 9.703-79ГОСТ 9.703-79ГОСТ 9.703-79ГОСТ 9.703-79ГОСТ 9.703-79ГОСТ 9.703-79ГОСТ 9.703-79ГОСТ 9.703-79ГОСТ 9.703-79ГОСТ 9.703-79ГОСТ 9.703-79ГОСТ 9.703-79ГОСТ 9.703-79ГОСТ 9.703-79ГОСТ 9.703-79ГОСТ 9.703-79ГОСТ 9.703-79ГОСТ 9.703-79ГОСТ 9.703-79ГОСТ 9.703-79ГОСТ 9.703-79ГОСТ 9.703-79ГОСТ 9.703-79ГОСТ 9.703-79ГОСТ 9.703-79ГОСТ 9.703-79ГОСТ 9.703-79ГОСТ 9.703-79ГОСТ 9.703-79ГОСТ 9.703-79ГОСТ 9.703-79ГОСТ 9.703-79ГОСТ 9.703-79ГОСТ 9.703-79ГОСТ 9.703-79ГОСТ 9.703-79ГОСТ 9.703-79ГОСТ 9.703-79ГОСТ 9.703-79ГОСТ 9.703-79ГОСТ 9.703-79ГОСТ 9.703-79ГОСТ 9.703-79ГОСТ 9.703-79ГОСТ 9.703-79ГОСТ 9.703-79ГОСТ 9.703-79ГОСТ 9.703-79ГОСТ 9.703-79ГОСТ 9.703-79ГОСТ 9.703-79ГОСТ 9.703-79ГОСТ 9.703-79ГОСТ 9.703-79ГОСТ 9.703-79ГОСТ 9.703-79ГОСТ 9.703-79
 




ГОСТЫ, СТРОИТЕЛЬНЫЕ и ТЕХНИЧЕСКИЕ НОРМАТИВЫ.
Некоммерческая онлайн система, содержащая все Российские Госты, национальные Стандарты и нормативы.
В Системе содержится более 150000 файлов нормативно-технической документации, действующей на территории РФ.
Система предназначена для широкого круга инженерно-технических специалистов.

Рейтинг@Mail.ru Яндекс цитирования

Copyright © www.gostrf.com, 2008 - 2026