Крупнейшая бесплатная информационно-справочная система онлайн доступа к полному собранию технических нормативно-правовых актов РФ. Огромная база технических нормативов (более 150 тысяч документов) и полное собрание национальных стандартов, аутентичное официальной базе Госстандарта. GOSTRF.com - это более 1 Терабайта бесплатной технической информации для всех пользователей интернета. Все электронные копии представленных здесь документов могут распространяться без каких-либо ограничений. Поощряется распространение информации с этого сайта на любых других ресурсах. Каждый человек имеет право на неограниченный доступ к этим документам! Каждый человек имеет право на знание требований, изложенных в данных нормативно-правовых актах!

  


 

ГОСТ 21873-78

Соединения трубопроводов резьбовые. Заглушки. Конструкция

Обозначение:ГОСТ 21873-78
Текущий статус документа: действующий
Название документа рус.:Соединения трубопроводов резьбовые. Заглушки. Конструкция
Название документа англ.:Threaded pipeline connections. Stoppers. Construction
Дата актуализации текста:01.12.2013
Дата издания:01.11.1985
Дата введения:01.01.1980
Дата последнего изменения:22.05.2013
Переиздание:переиздание с изм. 1
Взамен:
Область применения:Настоящий стандарт распространяется на заглушки для резьбовых соединений трубопроводов с углом конуса 24 град.
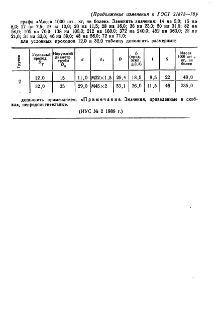
Список изменений:№1 от 01.01.1981 (рег. 08.04.1980) «Срок действия продлен»
№2 от 01.07.1989 (рег. 21.11.1988) «Поправка»
№3 от 01.09.1998 (рег. 13.05.1998) «Срок действия продлен»
ГОСТ 21873-78ГОСТ 21873-78ГОСТ 21873-78ГОСТ 21873-78ГОСТ 21873-78ГОСТ 21873-78ГОСТ 21873-78ГОСТ 21873-78ГОСТ 21873-78
 




ГОСТЫ, СТРОИТЕЛЬНЫЕ и ТЕХНИЧЕСКИЕ НОРМАТИВЫ.
Некоммерческая онлайн система, содержащая все Российские Госты, национальные Стандарты и нормативы.
В Системе содержится более 150000 файлов нормативно-технической документации, действующей на территории РФ.
Система предназначена для широкого круга инженерно-технических специалистов.

Рейтинг@Mail.ru Яндекс цитирования

Copyright © www.gostrf.com, 2008 - 2026