Крупнейшая бесплатная информационно-справочная система онлайн доступа к полному собранию технических нормативно-правовых актов РФ. Огромная база технических нормативов (более 150 тысяч документов) и полное собрание национальных стандартов, аутентичное официальной базе Госстандарта. GOSTRF.com - это более 1 Терабайта бесплатной технической информации для всех пользователей интернета. Все электронные копии представленных здесь документов могут распространяться без каких-либо ограничений. Поощряется распространение информации с этого сайта на любых других ресурсах. Каждый человек имеет право на неограниченный доступ к этим документам! Каждый человек имеет право на знание требований, изложенных в данных нормативно-правовых актах!

  


 

ГОСТ 10971-78

Кабели коаксиальные магистральные с парами типа 2,6/9,4 и 2,6/9,5. Технические условия

Обозначение:ГОСТ 10971-78
Текущий статус документа: действующий
Название документа рус.:Кабели коаксиальные магистральные с парами типа 2,6/9,4 и 2,6/9,5. Технические условия
Название документа англ.:Main coaxial cables with type 2,6/9,4 and 2,6/9,5 pairs. Specifications
Дата актуализации текста:01.12.2013
Дата издания:01.08.1985
Дата введения:01.01.1980
Дата последнего изменения:22.05.2013
Переиздание:переиздание с изм. 1
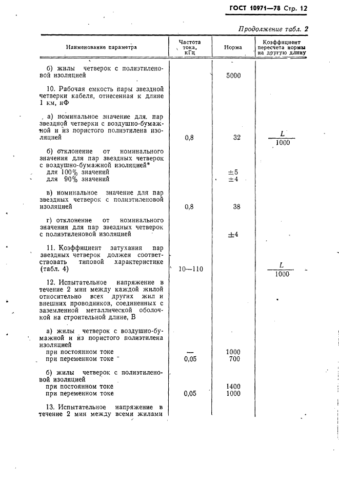
Область применения:Настоящий стандарт распространяется на магистральные коаксиальные кабели связи с четырьмя коаксиальными парами типа 2,6/9,4 с нормированными электрическими параметрами в диапазоне частот до 140 МГц, или типа 2,6/9,5 для диапазона частот до 60 МГц, пятью звездными четверками с металлическими оболочками различного типа (свинцовой, алюминиевой, алюминиево-свинцовой). Кабели предназначены для многоканальной связи и телевидения
Список изменений:№1 от 01.01.1982 (рег. 11.08.1981) «Срок действия продлен»
№2 от 01.07.1983 (рег. 13.01.1982) «Срок действия продлен»
№3 от 01.01.1984 (рег. 31.08.1983) «Срок действия продлен»
№4 от 01.05.1987 (рег. 16.12.1986) «Срок действия продлен»
№5 от 01.08.1988 (рег. 14.03.1988) «Срок действия продлен»
№6 от 01.07.1996 (рег. 17.04.1996) «Срок действия продлен»
ГОСТ 10971-78ГОСТ 10971-78ГОСТ 10971-78ГОСТ 10971-78ГОСТ 10971-78ГОСТ 10971-78ГОСТ 10971-78ГОСТ 10971-78ГОСТ 10971-78ГОСТ 10971-78ГОСТ 10971-78ГОСТ 10971-78ГОСТ 10971-78ГОСТ 10971-78ГОСТ 10971-78ГОСТ 10971-78ГОСТ 10971-78ГОСТ 10971-78ГОСТ 10971-78ГОСТ 10971-78ГОСТ 10971-78ГОСТ 10971-78ГОСТ 10971-78ГОСТ 10971-78ГОСТ 10971-78ГОСТ 10971-78ГОСТ 10971-78ГОСТ 10971-78ГОСТ 10971-78ГОСТ 10971-78ГОСТ 10971-78ГОСТ 10971-78ГОСТ 10971-78ГОСТ 10971-78ГОСТ 10971-78ГОСТ 10971-78ГОСТ 10971-78ГОСТ 10971-78ГОСТ 10971-78ГОСТ 10971-78ГОСТ 10971-78ГОСТ 10971-78ГОСТ 10971-78ГОСТ 10971-78ГОСТ 10971-78ГОСТ 10971-78ГОСТ 10971-78ГОСТ 10971-78ГОСТ 10971-78ГОСТ 10971-78ГОСТ 10971-78
 




ГОСТЫ, СТРОИТЕЛЬНЫЕ и ТЕХНИЧЕСКИЕ НОРМАТИВЫ.
Некоммерческая онлайн система, содержащая все Российские Госты, национальные Стандарты и нормативы.
В Системе содержится более 150000 файлов нормативно-технической документации, действующей на территории РФ.
Система предназначена для широкого круга инженерно-технических специалистов.

Рейтинг@Mail.ru Яндекс цитирования

Copyright © www.gostrf.com, 2008 - 2026