Крупнейшая бесплатная информационно-справочная система онлайн доступа к полному собранию технических нормативно-правовых актов РФ. Огромная база технических нормативов (более 150 тысяч документов) и полное собрание национальных стандартов, аутентичное официальной базе Госстандарта. GOSTRF.com - это более 1 Терабайта бесплатной технической информации для всех пользователей интернета. Все электронные копии представленных здесь документов могут распространяться без каких-либо ограничений. Поощряется распространение информации с этого сайта на любых других ресурсах. Каждый человек имеет право на неограниченный доступ к этим документам! Каждый человек имеет право на знание требований, изложенных в данных нормативно-правовых актах!

  


 

ГОСТ 18432-73

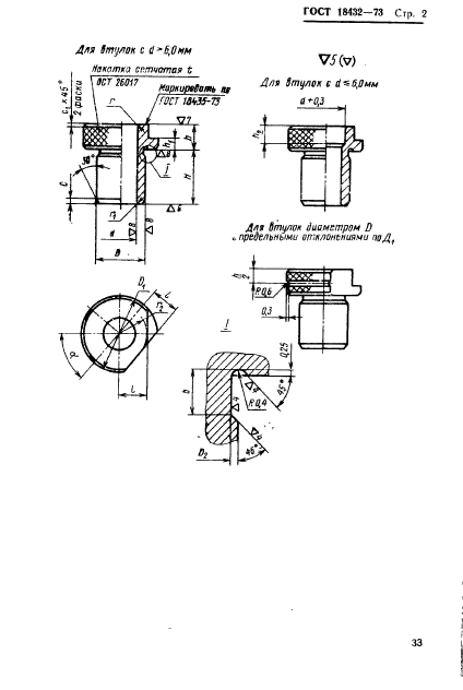
Втулки кондукторные быстросменные. Конструкция и размеры

Обозначение:ГОСТ 18432-73
Текущий статус документа: действующий
Название документа рус.:Втулки кондукторные быстросменные. Конструкция и размеры
Название документа англ.:Quick-renewable jig bushes. Design and dimensions
Дата актуализации текста:01.12.2013
Дата издания:17.04.1973
Дата введения:30.06.1974
Дата последнего изменения:22.05.2013
Взамен: ОСТ 4924 МН 3892-62 МН 3893-62 МН 3894-62 МН 5530-64
Область применения:Настоящий стандарт распространяется на быстросменные кондукторные втулки к приспособлениям металлорежущих станков, разработанным до 1 января 1986 года
Список изменений:№1 от 01.01.1980 (рег. 02.08.1979) «Срок действия продлен»
№2 от 01.01.1985 (рег. 29.06.1984) «Срок действия продлен»
ГОСТ 18432-73ГОСТ 18432-73ГОСТ 18432-73ГОСТ 18432-73ГОСТ 18432-73ГОСТ 18432-73ГОСТ 18432-73ГОСТ 18432-73ГОСТ 18432-73ГОСТ 18432-73ГОСТ 18432-73ГОСТ 18432-73ГОСТ 18432-73ГОСТ 18432-73ГОСТ 18432-73ГОСТ 18432-73
 




ГОСТЫ, СТРОИТЕЛЬНЫЕ и ТЕХНИЧЕСКИЕ НОРМАТИВЫ.
Некоммерческая онлайн система, содержащая все Российские Госты, национальные Стандарты и нормативы.
В Системе содержится более 150000 файлов нормативно-технической документации, действующей на территории РФ.
Система предназначена для широкого круга инженерно-технических специалистов.

Рейтинг@Mail.ru Яндекс цитирования

Copyright © www.gostrf.com, 2008 - 2026