Крупнейшая бесплатная информационно-справочная система онлайн доступа к полному собранию технических нормативно-правовых актов РФ. Огромная база технических нормативов (более 150 тысяч документов) и полное собрание национальных стандартов, аутентичное официальной базе Госстандарта. GOSTRF.com - это более 1 Терабайта бесплатной технической информации для всех пользователей интернета. Все электронные копии представленных здесь документов могут распространяться без каких-либо ограничений. Поощряется распространение информации с этого сайта на любых других ресурсах. Каждый человек имеет право на неограниченный доступ к этим документам! Каждый человек имеет право на знание требований, изложенных в данных нормативно-правовых актах!

  


 

ГОСТ 18513-73

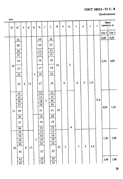
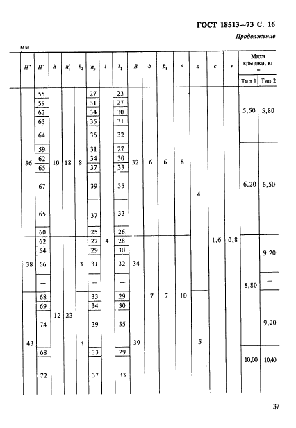
Крышки торцовые с жировыми канавками. Конструкция и размеры

Обозначение:ГОСТ 18513-73
Текущий статус документа: действующий
Название документа рус.:Крышки торцовые с жировыми канавками. Конструкция и размеры
Название документа англ.:End caps with grooves for fat. Design and dimensions
Дата актуализации текста:01.12.2013
Дата издания:01.03.1997
Дата введения:01.01.1975
Дата последнего изменения:22.05.2013
Переиздание:переиздание с изм. 1
Область применения:Настоящий стандарт распространяется на торцовые крышки с жировыми канавками, предназначенные для герметизации узлов подшипникив качения, осевой фиксации подшипников и восприятия осевых нагрузок. В качестве уплотнения применяется консистентная смазка, заполняющая канавки крышки.
Стандарт не распространяется на крышки для сборочных единиц, к которым предъявляются требования наименьшей массы (транспортное машиностроение) и пониженной точности фиксирования подшипников (сельскохозяйственное машиностроение), а также на крышки специального исполнения (со срезанным фланцем, с унифицированными в пределах сборочной единицы крепежными деталями и др.)
Список изменений:№1 от 01.10.1980 (рег. 01.10.1980) «Срок действия продлен»
№2 от 01.01.1993 (рег. 27.07.1992) «Срок действия продлен»
ГОСТ 18513-73ГОСТ 18513-73ГОСТ 18513-73ГОСТ 18513-73ГОСТ 18513-73ГОСТ 18513-73ГОСТ 18513-73ГОСТ 18513-73ГОСТ 18513-73ГОСТ 18513-73ГОСТ 18513-73ГОСТ 18513-73ГОСТ 18513-73ГОСТ 18513-73ГОСТ 18513-73ГОСТ 18513-73ГОСТ 18513-73ГОСТ 18513-73ГОСТ 18513-73
 




ГОСТЫ, СТРОИТЕЛЬНЫЕ и ТЕХНИЧЕСКИЕ НОРМАТИВЫ.
Некоммерческая онлайн система, содержащая все Российские Госты, национальные Стандарты и нормативы.
В Системе содержится более 150000 файлов нормативно-технической документации, действующей на территории РФ.
Система предназначена для широкого круга инженерно-технических специалистов.

Рейтинг@Mail.ru Яндекс цитирования

Copyright © www.gostrf.com, 2008 - 2026