Крупнейшая бесплатная информационно-справочная система онлайн доступа к полному собранию технических нормативно-правовых актов РФ. Огромная база технических нормативов (более 150 тысяч документов) и полное собрание национальных стандартов, аутентичное официальной базе Госстандарта. GOSTRF.com - это более 1 Терабайта бесплатной технической информации для всех пользователей интернета. Все электронные копии представленных здесь документов могут распространяться без каких-либо ограничений. Поощряется распространение информации с этого сайта на любых других ресурсах. Каждый человек имеет право на неограниченный доступ к этим документам! Каждый человек имеет право на знание требований, изложенных в данных нормативно-правовых актах!

  


 

ГОСТ 10044-73

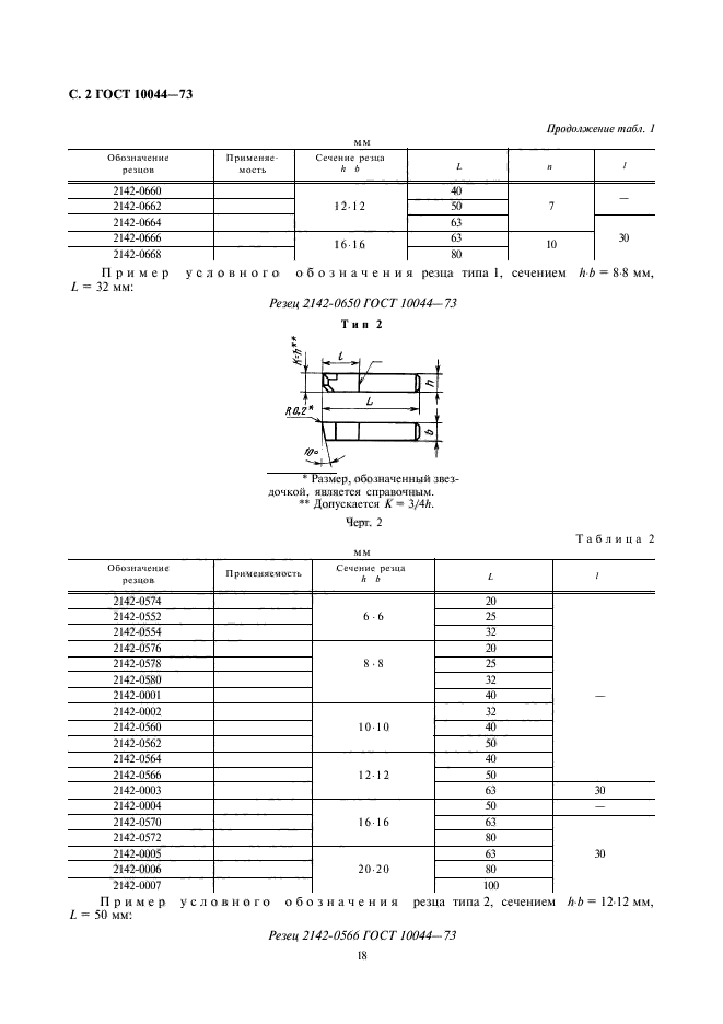
Резцы расточные державочные из быстрорежущей стали. Конструкция и размеры

Обозначение:ГОСТ 10044-73
Текущий статус документа: действующий
Название документа рус.:Резцы расточные державочные из быстрорежущей стали. Конструкция и размеры
Название документа англ.:High-speed steel boring tools with holders. Design and dimensions
Дата актуализации текста:01.12.2013
Дата издания:01.09.2003
Дата введения:01.01.1974
Дата последнего изменения:22.05.2013
Переиздание:переиздание с изм. 1
Взамен: МН 670-64 МН 671-64 МН 5225-64 МН 5226-64
Область применения:Настоящий стандарт распространяется на расточные державочные резцы общего назначения из быстрорежущей стали
Список изменений:№1 от 01.07.1980 (рег. 10.06.1980) «Срок действия продлен»
№2 от 01.07.1990 (рег. 13.12.1989) «Срок действия продлен»
ГОСТ 10044-73ГОСТ 10044-73ГОСТ 10044-73ГОСТ 10044-73ГОСТ 10044-73ГОСТ 10044-73ГОСТ 10044-73
 




ГОСТЫ, СТРОИТЕЛЬНЫЕ и ТЕХНИЧЕСКИЕ НОРМАТИВЫ.
Некоммерческая онлайн система, содержащая все Российские Госты, национальные Стандарты и нормативы.
В Системе содержится более 150000 файлов нормативно-технической документации, действующей на территории РФ.
Система предназначена для широкого круга инженерно-технических специалистов.

Рейтинг@Mail.ru Яндекс цитирования

Copyright © www.gostrf.com, 2008 - 2026