Крупнейшая бесплатная информационно-справочная система онлайн доступа к полному собранию технических нормативно-правовых актов РФ. Огромная база технических нормативов (более 150 тысяч документов) и полное собрание национальных стандартов, аутентичное официальной базе Госстандарта. GOSTRF.com - это более 1 Терабайта бесплатной технической информации для всех пользователей интернета. Все электронные копии представленных здесь документов могут распространяться без каких-либо ограничений. Поощряется распространение информации с этого сайта на любых других ресурсах. Каждый человек имеет право на неограниченный доступ к этим документам! Каждый человек имеет право на знание требований, изложенных в данных нормативно-правовых актах!

  


 

ГОСТ 17412-72

Изделия электротехнические для районов с холодным климатом. Технические требования, приемка и методы испытаний

Обозначение:ГОСТ 17412-72
Текущий статус документа: действующий
Название документа рус.:Изделия электротехнические для районов с холодным климатом. Технические требования, приемка и методы испытаний
Название документа англ.:Electrical articles for the cold climate regions. Technical requirements, acceptance and test methods
Дата актуализации текста:01.12.2013
Дата издания:01.09.1980
Дата введения:01.01.1973
Дата последнего изменения:22.05.2013
Переиздание:переиздание с изм. 1
Заменяющий в части: в части методов климатических испытаний электротехнических изделий народнохозяйственного назначения
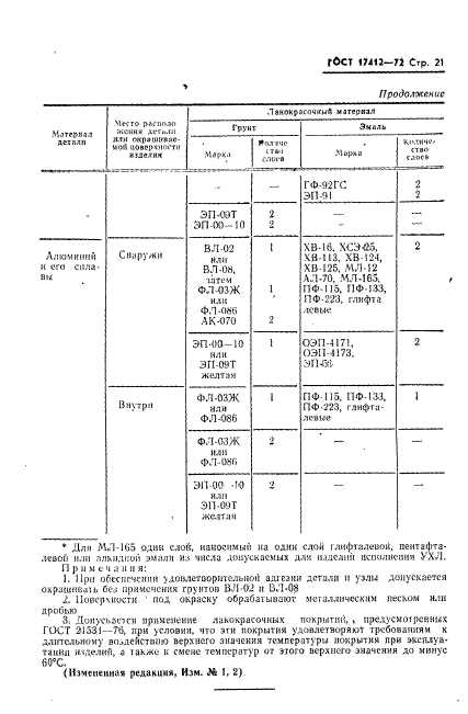
Область применения:Настоящий стандарт распространяется на электротехнические изделия, предназначенные для эксплуатации в районах с холодным климатом.
Стандарт не распространяется на авиационные и автотракторные электротехнические изделия
Список изменений:№1 от 01.04.1976 (рег. 18.03.1976) «Срок действия продлен»
№2 от 01.04.1980 (рег. 19.12.1979) «Срок действия продлен»
№3 от 01.07.1989 (рег. 17.11.1988) «Поправка»
ГОСТ 17412-72ГОСТ 17412-72ГОСТ 17412-72ГОСТ 17412-72ГОСТ 17412-72ГОСТ 17412-72ГОСТ 17412-72ГОСТ 17412-72ГОСТ 17412-72ГОСТ 17412-72ГОСТ 17412-72ГОСТ 17412-72ГОСТ 17412-72ГОСТ 17412-72ГОСТ 17412-72ГОСТ 17412-72ГОСТ 17412-72ГОСТ 17412-72ГОСТ 17412-72ГОСТ 17412-72ГОСТ 17412-72ГОСТ 17412-72ГОСТ 17412-72ГОСТ 17412-72ГОСТ 17412-72ГОСТ 17412-72ГОСТ 17412-72
 




ГОСТЫ, СТРОИТЕЛЬНЫЕ и ТЕХНИЧЕСКИЕ НОРМАТИВЫ.
Некоммерческая онлайн система, содержащая все Российские Госты, национальные Стандарты и нормативы.
В Системе содержится более 150000 файлов нормативно-технической документации, действующей на территории РФ.
Система предназначена для широкого круга инженерно-технических специалистов.

Рейтинг@Mail.ru Яндекс цитирования

Copyright © www.gostrf.com, 2008 - 2026