Крупнейшая бесплатная информационно-справочная система онлайн доступа к полному собранию технических нормативно-правовых актов РФ. Огромная база технических нормативов (более 150 тысяч документов) и полное собрание национальных стандартов, аутентичное официальной базе Госстандарта. GOSTRF.com - это более 1 Терабайта бесплатной технической информации для всех пользователей интернета. Все электронные копии представленных здесь документов могут распространяться без каких-либо ограничений. Поощряется распространение информации с этого сайта на любых других ресурсах. Каждый человек имеет право на неограниченный доступ к этим документам! Каждый человек имеет право на знание требований, изложенных в данных нормативно-правовых актах!

  


 

ГОСТ 11215-65

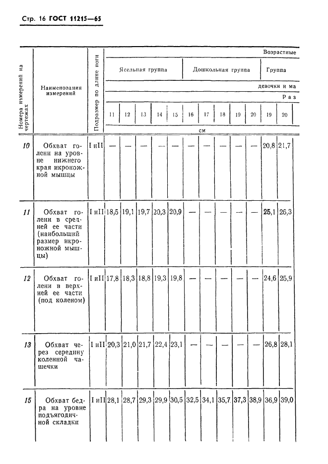
Чулочно-носочные изделия. Измерения для проектирования изделий

Обозначение:ГОСТ 11215-65
Текущий статус документа: действующий
Название документа рус.:Чулочно-носочные изделия. Измерения для проектирования изделий
Название документа англ.:Hosiery. Measurements for designing
Дата актуализации текста:01.12.2013
Дата издания:01.12.1979
Дата введения:01.01.1966
Дата последнего изменения:22.05.2013
Переиздание:переиздание
Заменяющий в части: в части типовых фигур девочек школьного возраста; в части типовых фигур мужчин; в части типовых фигур женщин
Область применения:Настоящий стандарт распространяется на чулочно-носочные изделия массового ассортимента и устанавливает места измерений и их абсолютные величины для типовых ног женщин, мужчин и детей, используемые при проектировании изделий
Список изменений:№0 от 08.06.1987 (рег. 08.06.1987) «Срок действия продлен»
ГОСТ 11215-65ГОСТ 11215-65ГОСТ 11215-65ГОСТ 11215-65ГОСТ 11215-65ГОСТ 11215-65ГОСТ 11215-65ГОСТ 11215-65ГОСТ 11215-65ГОСТ 11215-65ГОСТ 11215-65ГОСТ 11215-65ГОСТ 11215-65ГОСТ 11215-65ГОСТ 11215-65ГОСТ 11215-65ГОСТ 11215-65ГОСТ 11215-65ГОСТ 11215-65ГОСТ 11215-65ГОСТ 11215-65ГОСТ 11215-65ГОСТ 11215-65ГОСТ 11215-65ГОСТ 11215-65ГОСТ 11215-65ГОСТ 11215-65ГОСТ 11215-65ГОСТ 11215-65ГОСТ 11215-65ГОСТ 11215-65ГОСТ 11215-65ГОСТ 11215-65ГОСТ 11215-65ГОСТ 11215-65ГОСТ 11215-65ГОСТ 11215-65ГОСТ 11215-65ГОСТ 11215-65ГОСТ 11215-65
 




ГОСТЫ, СТРОИТЕЛЬНЫЕ и ТЕХНИЧЕСКИЕ НОРМАТИВЫ.
Некоммерческая онлайн система, содержащая все Российские Госты, национальные Стандарты и нормативы.
В Системе содержится более 150000 файлов нормативно-технической документации, действующей на территории РФ.
Система предназначена для широкого круга инженерно-технических специалистов.

Рейтинг@Mail.ru Яндекс цитирования

Copyright © www.gostrf.com, 2008 - 2026