Крупнейшая бесплатная информационно-справочная система онлайн доступа к полному собранию технических нормативно-правовых актов РФ. Огромная база технических нормативов (более 150 тысяч документов) и полное собрание национальных стандартов, аутентичное официальной базе Госстандарта. GOSTRF.com - это более 1 Терабайта бесплатной технической информации для всех пользователей интернета. Все электронные копии представленных здесь документов могут распространяться без каких-либо ограничений. Поощряется распространение информации с этого сайта на любых других ресурсах. Каждый человек имеет право на неограниченный доступ к этим документам! Каждый человек имеет право на знание требований, изложенных в данных нормативно-правовых актах!

  


 

ГОСТ 30873.4-2006

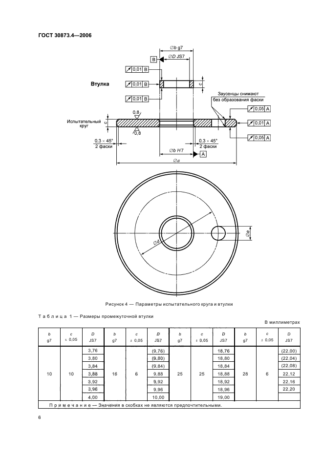
Ручные машины. Измерения вибрации на рукоятке. Часть 4. Машины шлифовальные

Обозначение:ГОСТ 30873.4-2006
Текущий статус документа: действующий
Название документа рус.:Ручные машины. Измерения вибрации на рукоятке. Часть 4. Машины шлифовальные
Название документа англ.:Hand-held portable power tools. Measurement of vibrations at the handle. Part 4. Grinders
Дата актуализации текста:01.12.2013
Дата издания:06.03.2008
Дата введения:30.06.2008
Дата последнего изменения:22.05.2013
Область применения:Настоящий стандарт относится к стандартам безопасности типа С (испытательный код по вибрации) согласно классификации ГОСТ 12.1.012 и устанавливает лабораторный метод измерения вибрации на рукоятках шлифовальных машин в целях заявления и подтверждения вибрационной характеристики ручной машины. Общие требования к методу испытаний ручных машин в целях заявления и подтверждения вибрационной характеристики приведены в ГОСТ 16519.
Настоящий стандарт распространяется на ручные машины с пневматическим и другими видами привода.
Настоящий стандарт не распространяется на шлифовальные машины для обработки штампов.
Настоящий стандарт не распространяется на ручные машины с автоматической коррекцией дисбаланса ротора
Список изменений:№0 от 01.12.2013 (рег. 29.11.2012) «Поправка к изменению»
ГОСТ 30873.4-2006ГОСТ 30873.4-2006ГОСТ 30873.4-2006ГОСТ 30873.4-2006ГОСТ 30873.4-2006ГОСТ 30873.4-2006ГОСТ 30873.4-2006ГОСТ 30873.4-2006ГОСТ 30873.4-2006ГОСТ 30873.4-2006ГОСТ 30873.4-2006ГОСТ 30873.4-2006ГОСТ 30873.4-2006ГОСТ 30873.4-2006ГОСТ 30873.4-2006ГОСТ 30873.4-2006
 




ГОСТЫ, СТРОИТЕЛЬНЫЕ и ТЕХНИЧЕСКИЕ НОРМАТИВЫ.
Некоммерческая онлайн система, содержащая все Российские Госты, национальные Стандарты и нормативы.
В Системе содержится более 150000 файлов нормативно-технической документации, действующей на территории РФ.
Система предназначена для широкого круга инженерно-технических специалистов.

Рейтинг@Mail.ru Яндекс цитирования

Copyright © www.gostrf.com, 2008 - 2026