Крупнейшая бесплатная информационно-справочная система онлайн доступа к полному собранию технических нормативно-правовых актов РФ. Огромная база технических нормативов (более 150 тысяч документов) и полное собрание национальных стандартов, аутентичное официальной базе Госстандарта. GOSTRF.com - это более 1 Терабайта бесплатной технической информации для всех пользователей интернета. Все электронные копии представленных здесь документов могут распространяться без каких-либо ограничений. Поощряется распространение информации с этого сайта на любых других ресурсах. Каждый человек имеет право на неограниченный доступ к этим документам! Каждый человек имеет право на знание требований, изложенных в данных нормативно-правовых актах!

  


 

ГОСТ Р 52850-2007

Автомобильные транспортные средства. Компрессоры одноступенчатого сжатия. Технические требования и методы испытаний

Обозначение:ГОСТ Р 52850-2007
Текущий статус документа: действующий
Название документа рус.:Автомобильные транспортные средства. Компрессоры одноступенчатого сжатия. Технические требования и методы испытаний
Название документа англ.: Vehicles. Single-stage compressed air pumps. Technical requirements and test methods
Дата актуализации текста:01.12.2013
Дата издания:05.05.2008
Дата введения:01.01.2009
Дата последнего изменения:22.05.2013
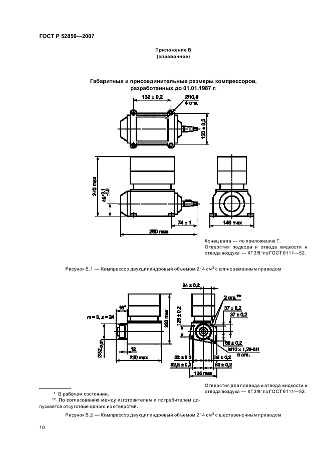
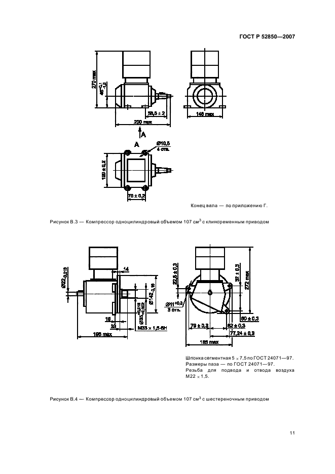
Область применения:Настоящий стандарт распространяется на воздушные поршневые компрессоры одноступенчатого сжатия, предназначенные для автомобильных транспортных средств, и устанавливает технические требования и методы их испытаний
ГОСТ Р 52850-2007ГОСТ Р 52850-2007ГОСТ Р 52850-2007ГОСТ Р 52850-2007ГОСТ Р 52850-2007ГОСТ Р 52850-2007ГОСТ Р 52850-2007ГОСТ Р 52850-2007ГОСТ Р 52850-2007ГОСТ Р 52850-2007ГОСТ Р 52850-2007ГОСТ Р 52850-2007ГОСТ Р 52850-2007ГОСТ Р 52850-2007ГОСТ Р 52850-2007ГОСТ Р 52850-2007ГОСТ Р 52850-2007ГОСТ Р 52850-2007ГОСТ Р 52850-2007ГОСТ Р 52850-2007ГОСТ Р 52850-2007ГОСТ Р 52850-2007ГОСТ Р 52850-2007
 




ГОСТЫ, СТРОИТЕЛЬНЫЕ и ТЕХНИЧЕСКИЕ НОРМАТИВЫ.
Некоммерческая онлайн система, содержащая все Российские Госты, национальные Стандарты и нормативы.
В Системе содержится более 150000 файлов нормативно-технической документации, действующей на территории РФ.
Система предназначена для широкого круга инженерно-технических специалистов.

Рейтинг@Mail.ru Яндекс цитирования

Copyright © www.gostrf.com, 2008 - 2026