Крупнейшая бесплатная информационно-справочная система онлайн доступа к полному собранию технических нормативно-правовых актов РФ. Огромная база технических нормативов (более 150 тысяч документов) и полное собрание национальных стандартов, аутентичное официальной базе Госстандарта. GOSTRF.com - это более 1 Терабайта бесплатной технической информации для всех пользователей интернета. Все электронные копии представленных здесь документов могут распространяться без каких-либо ограничений. Поощряется распространение информации с этого сайта на любых других ресурсах. Каждый человек имеет право на неограниченный доступ к этим документам! Каждый человек имеет право на знание требований, изложенных в данных нормативно-правовых актах!

  


 

ГОСТ Р 52898-2007

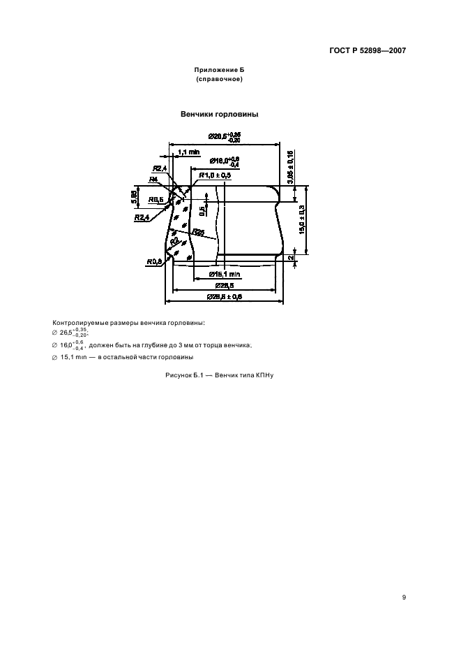
Бутылки стеклянные для пищевой уксусной кислоты и пищевых уксусов. Технические условия

Обозначение:ГОСТ Р 52898-2007
Текущий статус документа: действующий
Название документа рус.:Бутылки стеклянные для пищевой уксусной кислоты и пищевых уксусов. Технические условия
Название документа англ.:Glass bottles for food acetic acid and food vinegars. Specifications
Дата актуализации текста:01.12.2013
Дата издания:28.05.2008
Дата введения:31.08.2008
Дата последнего изменения:22.05.2013
Область применения:Настоящий стандарт распространяется на стеклянные бутылки, используемые для розлива, транспортирования, хранения и реализации через розничную торговлю пищевой уксусной кислоты, уксусов из пищевого сырья, столового и ароматизированных уксусов.
Стандарт устанавливает основные параметры и размеры бутылок, требования к качеству, правилам приемки, методам контроля, упаковке, маркировке, транспортированию, хранению и условиям эксплуатации
ГОСТ Р 52898-2007ГОСТ Р 52898-2007ГОСТ Р 52898-2007ГОСТ Р 52898-2007ГОСТ Р 52898-2007ГОСТ Р 52898-2007ГОСТ Р 52898-2007ГОСТ Р 52898-2007ГОСТ Р 52898-2007ГОСТ Р 52898-2007ГОСТ Р 52898-2007ГОСТ Р 52898-2007
 




ГОСТЫ, СТРОИТЕЛЬНЫЕ и ТЕХНИЧЕСКИЕ НОРМАТИВЫ.
Некоммерческая онлайн система, содержащая все Российские Госты, национальные Стандарты и нормативы.
В Системе содержится более 150000 файлов нормативно-технической документации, действующей на территории РФ.
Система предназначена для широкого круга инженерно-технических специалистов.

Рейтинг@Mail.ru Яндекс цитирования

Copyright © www.gostrf.com, 2008 - 2026