Крупнейшая бесплатная информационно-справочная система онлайн доступа к полному собранию технических нормативно-правовых актов РФ. Огромная база технических нормативов (более 150 тысяч документов) и полное собрание национальных стандартов, аутентичное официальной базе Госстандарта. GOSTRF.com - это более 1 Терабайта бесплатной технической информации для всех пользователей интернета. Все электронные копии представленных здесь документов могут распространяться без каких-либо ограничений. Поощряется распространение информации с этого сайта на любых других ресурсах. Каждый человек имеет право на неограниченный доступ к этим документам! Каждый человек имеет право на знание требований, изложенных в данных нормативно-правовых актах!

  


 

ГОСТ Р 52914-2008

Двигатели тракторные и комбайновые. Виброакустические показатели и методы испытаний

Обозначение:ГОСТ Р 52914-2008
Текущий статус документа: действующий
Название документа рус.:Двигатели тракторные и комбайновые. Виброакустические показатели и методы испытаний
Название документа англ.:Tractor and combine harvester engines. Vibroacоustic characteristics and testing methods
Дата актуализации текста:01.12.2013
Дата издания:17.07.2008
Дата введения:30.06.2008
Дата последнего изменения:22.05.2013
Область применения:Настоящий стандарт распространяется на дизельные двигатели, предназначенные для тракторов (в том числе самоходных шасси), сельскохозяйственных комбайнов и других самоходных сельскохозяйственных машин.
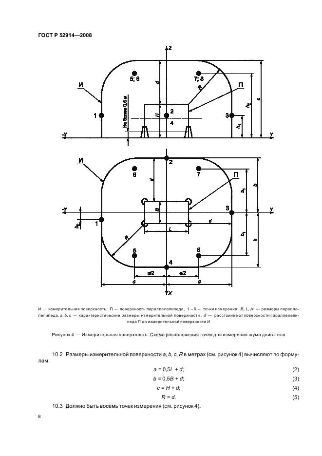
Настоящий стандарт устанавливает предельные значения и методы определения шумовых и вибрационных характеристик двигателя, а также требования к глушителю в части шума процесса выпуска
ГОСТ Р 52914-2008ГОСТ Р 52914-2008ГОСТ Р 52914-2008ГОСТ Р 52914-2008ГОСТ Р 52914-2008ГОСТ Р 52914-2008ГОСТ Р 52914-2008ГОСТ Р 52914-2008ГОСТ Р 52914-2008ГОСТ Р 52914-2008ГОСТ Р 52914-2008ГОСТ Р 52914-2008ГОСТ Р 52914-2008ГОСТ Р 52914-2008ГОСТ Р 52914-2008ГОСТ Р 52914-2008ГОСТ Р 52914-2008ГОСТ Р 52914-2008ГОСТ Р 52914-2008
 




ГОСТЫ, СТРОИТЕЛЬНЫЕ и ТЕХНИЧЕСКИЕ НОРМАТИВЫ.
Некоммерческая онлайн система, содержащая все Российские Госты, национальные Стандарты и нормативы.
В Системе содержится более 150000 файлов нормативно-технической документации, действующей на территории РФ.
Система предназначена для широкого круга инженерно-технических специалистов.

Рейтинг@Mail.ru Яндекс цитирования

Copyright © www.gostrf.com, 2008 - 2026