Крупнейшая бесплатная информационно-справочная система онлайн доступа к полному собранию технических нормативно-правовых актов РФ. Огромная база технических нормативов (более 150 тысяч документов) и полное собрание национальных стандартов, аутентичное официальной базе Госстандарта. GOSTRF.com - это более 1 Терабайта бесплатной технической информации для всех пользователей интернета. Все электронные копии представленных здесь документов могут распространяться без каких-либо ограничений. Поощряется распространение информации с этого сайта на любых других ресурсах. Каждый человек имеет право на неограниченный доступ к этим документам! Каждый человек имеет право на знание требований, изложенных в данных нормативно-правовых актах!

  


 

ГОСТ Р 51191-2007

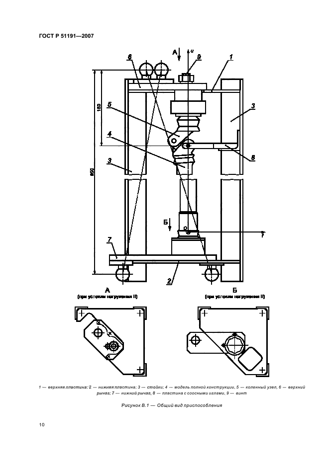
Узлы протезов нижних конечностей. Технические требования и методы испытаний

Обозначение:ГОСТ Р 51191-2007
Текущий статус документа: действующий
Название документа рус.:Узлы протезов нижних конечностей. Технические требования и методы испытаний
Название документа англ.:Units of lower-limb prostheses. Technical requirements and test methods
Дата актуализации текста:01.12.2013
Дата издания:18.08.2008
Дата введения:01.01.2009
Дата последнего изменения:22.05.2013
Область применения:Настоящий стандарт распространяется на узлы протезов нижних конечностей, предназначенные для человека массой от 60 до 125 кг, при любом уровне ампутации и при врожденном недоразвитии нижних конечностей по типу культи.
Стандарт не распространяется на узлы детских и специальных протезов (спортивных, рабочих, учебно-тренировочных)
ГОСТ Р 51191-2007ГОСТ Р 51191-2007ГОСТ Р 51191-2007ГОСТ Р 51191-2007ГОСТ Р 51191-2007ГОСТ Р 51191-2007ГОСТ Р 51191-2007ГОСТ Р 51191-2007ГОСТ Р 51191-2007ГОСТ Р 51191-2007ГОСТ Р 51191-2007ГОСТ Р 51191-2007ГОСТ Р 51191-2007ГОСТ Р 51191-2007ГОСТ Р 51191-2007
 




ГОСТЫ, СТРОИТЕЛЬНЫЕ и ТЕХНИЧЕСКИЕ НОРМАТИВЫ.
Некоммерческая онлайн система, содержащая все Российские Госты, национальные Стандарты и нормативы.
В Системе содержится более 150000 файлов нормативно-технической документации, действующей на территории РФ.
Система предназначена для широкого круга инженерно-технических специалистов.

Рейтинг@Mail.ru Яндекс цитирования

Copyright © www.gostrf.com, 2008 - 2026