Крупнейшая бесплатная информационно-справочная система онлайн доступа к полному собранию технических нормативно-правовых актов РФ. Огромная база технических нормативов (более 150 тысяч документов) и полное собрание национальных стандартов, аутентичное официальной базе Госстандарта. GOSTRF.com - это более 1 Терабайта бесплатной технической информации для всех пользователей интернета. Все электронные копии представленных здесь документов могут распространяться без каких-либо ограничений. Поощряется распространение информации с этого сайта на любых других ресурсах. Каждый человек имеет право на неограниченный доступ к этим документам! Каждый человек имеет право на знание требований, изложенных в данных нормативно-правовых актах!

  


 

ГОСТ Р 52965-2008

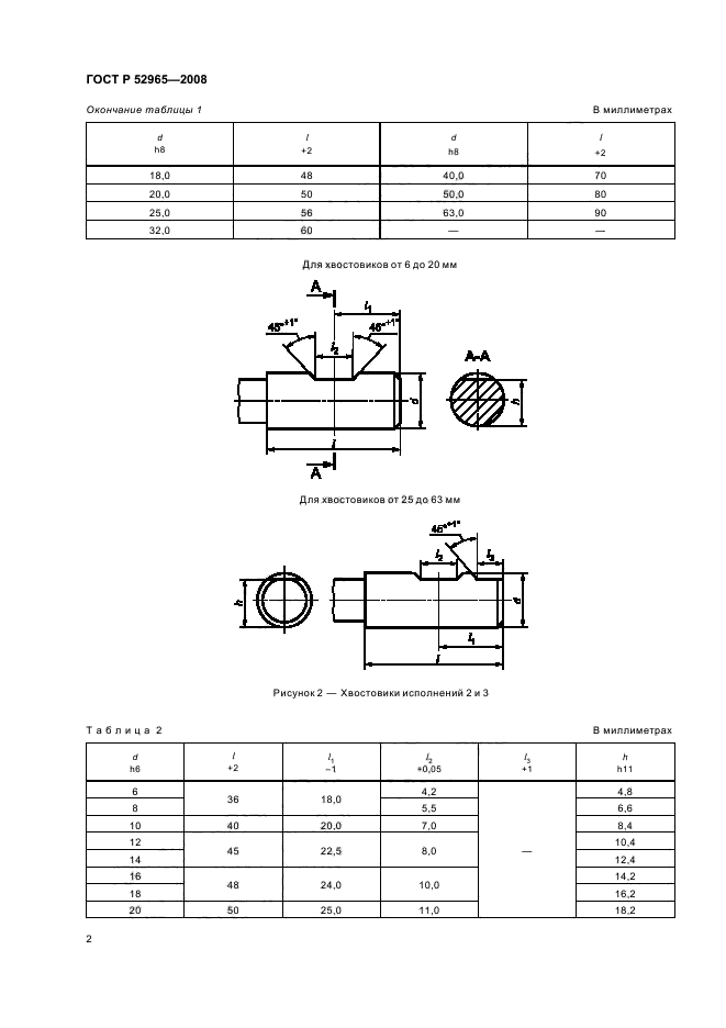
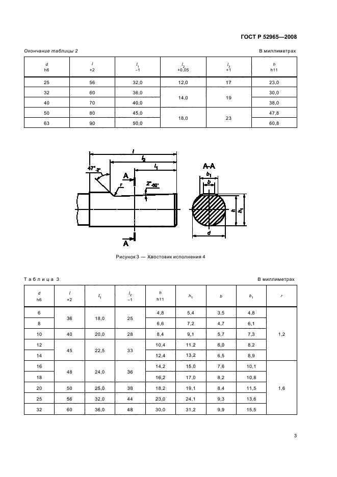
Хвостовики цилиндрические для фрез. Основные размеры

Обозначение:ГОСТ Р 52965-2008
Текущий статус документа: действующий
Название документа рус.:Хвостовики цилиндрические для фрез. Основные размеры
Название документа англ.:Cylindrical shanks for milling cutters. Basic dimensions
Дата актуализации текста:01.12.2013
Дата издания:07.11.2008
Дата введения:01.01.2010
Дата последнего изменения:22.05.2013
Область применения:Настоящий стандарт распространяется на гладкие цилиндрические хвостовики, цилиндрические хвостовики с лысками и цилиндрические хвостовики с резьбовым концом, предназначенные для установки фрез в цанговых и зажимных патронах
ГОСТ Р 52965-2008ГОСТ Р 52965-2008ГОСТ Р 52965-2008ГОСТ Р 52965-2008ГОСТ Р 52965-2008ГОСТ Р 52965-2008ГОСТ Р 52965-2008ГОСТ Р 52965-2008
 




ГОСТЫ, СТРОИТЕЛЬНЫЕ и ТЕХНИЧЕСКИЕ НОРМАТИВЫ.
Некоммерческая онлайн система, содержащая все Российские Госты, национальные Стандарты и нормативы.
В Системе содержится более 150000 файлов нормативно-технической документации, действующей на территории РФ.
Система предназначена для широкого круга инженерно-технических специалистов.

Рейтинг@Mail.ru Яндекс цитирования

Copyright © www.gostrf.com, 2008 - 2026