Крупнейшая бесплатная информационно-справочная система онлайн доступа к полному собранию технических нормативно-правовых актов РФ. Огромная база технических нормативов (более 150 тысяч документов) и полное собрание национальных стандартов, аутентичное официальной базе Госстандарта. GOSTRF.com - это более 1 Терабайта бесплатной технической информации для всех пользователей интернета. Все электронные копии представленных здесь документов могут распространяться без каких-либо ограничений. Поощряется распространение информации с этого сайта на любых других ресурсах. Каждый человек имеет право на неограниченный доступ к этим документам! Каждый человек имеет право на знание требований, изложенных в данных нормативно-правовых актах!

  


 

ГОСТ Р МЭК 60079-25-2008

Взрывоопасные среды. Часть 25. Искробезопасные системы

Обозначение:ГОСТ Р МЭК 60079-25-2008
Текущий статус документа: заменён
Название документа рус.:Взрывоопасные среды. Часть 25. Искробезопасные системы
Название документа англ.:Explosive atmospheres. Part 25. Intrinsically safe systems
Дата актуализации текста:01.12.2013
Дата издания:16.12.2008
Дата введения:01.07.2010
Дата последнего изменения:21.08.2013
Дата окончания срока действия:01.07.2013
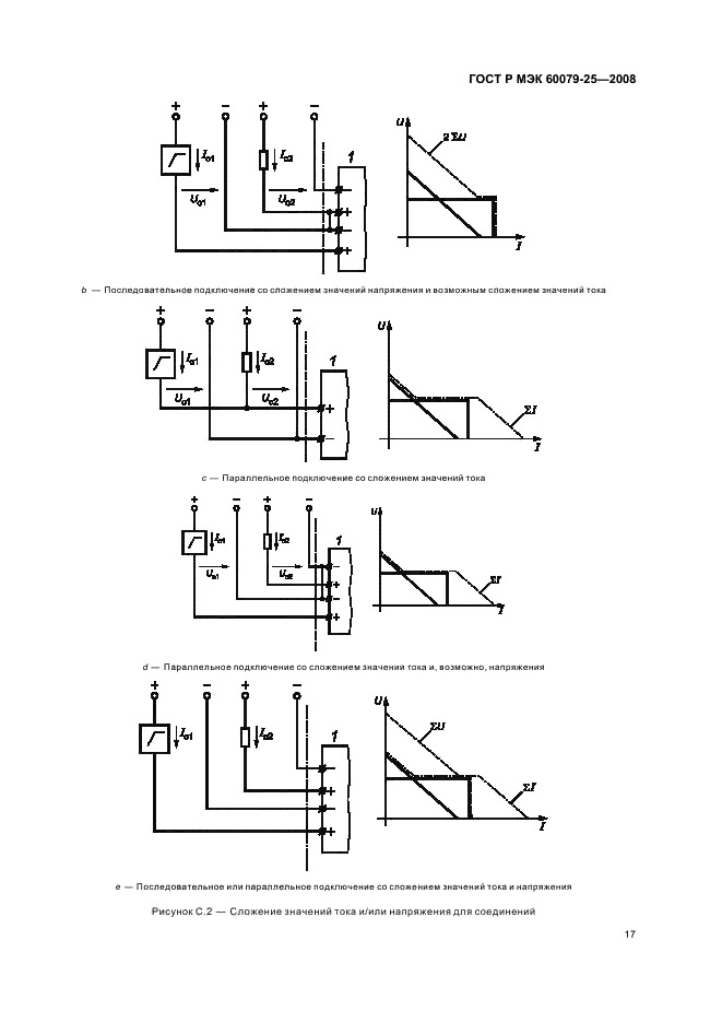
Область применения:Настоящий стандарт содержит специальные требования к конструкции и оценке искробезопасных электрических систем с видом защиты “искробезопасная электрическая цепь “i“, предназначенных для применения полностью или частично во взрывоопасных газовых средах как оборудование группы I или II или в средах, содержащих взрывчатую пыль, как оборудование группы III. Стандарт предназначен для разработчика системы, который может быть изготовителем, специалистом-консультантом или штатным сотрудником конечного пользователя
ГОСТ Р МЭК 60079-25-2008ГОСТ Р МЭК 60079-25-2008ГОСТ Р МЭК 60079-25-2008ГОСТ Р МЭК 60079-25-2008ГОСТ Р МЭК 60079-25-2008ГОСТ Р МЭК 60079-25-2008ГОСТ Р МЭК 60079-25-2008ГОСТ Р МЭК 60079-25-2008ГОСТ Р МЭК 60079-25-2008ГОСТ Р МЭК 60079-25-2008ГОСТ Р МЭК 60079-25-2008ГОСТ Р МЭК 60079-25-2008ГОСТ Р МЭК 60079-25-2008ГОСТ Р МЭК 60079-25-2008ГОСТ Р МЭК 60079-25-2008ГОСТ Р МЭК 60079-25-2008ГОСТ Р МЭК 60079-25-2008ГОСТ Р МЭК 60079-25-2008ГОСТ Р МЭК 60079-25-2008ГОСТ Р МЭК 60079-25-2008ГОСТ Р МЭК 60079-25-2008ГОСТ Р МЭК 60079-25-2008ГОСТ Р МЭК 60079-25-2008ГОСТ Р МЭК 60079-25-2008ГОСТ Р МЭК 60079-25-2008ГОСТ Р МЭК 60079-25-2008ГОСТ Р МЭК 60079-25-2008ГОСТ Р МЭК 60079-25-2008ГОСТ Р МЭК 60079-25-2008ГОСТ Р МЭК 60079-25-2008ГОСТ Р МЭК 60079-25-2008ГОСТ Р МЭК 60079-25-2008ГОСТ Р МЭК 60079-25-2008ГОСТ Р МЭК 60079-25-2008ГОСТ Р МЭК 60079-25-2008ГОСТ Р МЭК 60079-25-2008ГОСТ Р МЭК 60079-25-2008ГОСТ Р МЭК 60079-25-2008ГОСТ Р МЭК 60079-25-2008ГОСТ Р МЭК 60079-25-2008ГОСТ Р МЭК 60079-25-2008ГОСТ Р МЭК 60079-25-2008ГОСТ Р МЭК 60079-25-2008ГОСТ Р МЭК 60079-25-2008ГОСТ Р МЭК 60079-25-2008ГОСТ Р МЭК 60079-25-2008ГОСТ Р МЭК 60079-25-2008ГОСТ Р МЭК 60079-25-2008ГОСТ Р МЭК 60079-25-2008ГОСТ Р МЭК 60079-25-2008ГОСТ Р МЭК 60079-25-2008ГОСТ Р МЭК 60079-25-2008ГОСТ Р МЭК 60079-25-2008ГОСТ Р МЭК 60079-25-2008ГОСТ Р МЭК 60079-25-2008ГОСТ Р МЭК 60079-25-2008ГОСТ Р МЭК 60079-25-2008ГОСТ Р МЭК 60079-25-2008ГОСТ Р МЭК 60079-25-2008ГОСТ Р МЭК 60079-25-2008ГОСТ Р МЭК 60079-25-2008ГОСТ Р МЭК 60079-25-2008
 




ГОСТЫ, СТРОИТЕЛЬНЫЕ и ТЕХНИЧЕСКИЕ НОРМАТИВЫ.
Некоммерческая онлайн система, содержащая все Российские Госты, национальные Стандарты и нормативы.
В Системе содержится более 150000 файлов нормативно-технической документации, действующей на территории РФ.
Система предназначена для широкого круга инженерно-технических специалистов.

Рейтинг@Mail.ru Яндекс цитирования

Copyright © www.gostrf.com, 2008 - 2026