Крупнейшая бесплатная информационно-справочная система онлайн доступа к полному собранию технических нормативно-правовых актов РФ. Огромная база технических нормативов (более 150 тысяч документов) и полное собрание национальных стандартов, аутентичное официальной базе Госстандарта. GOSTRF.com - это более 1 Терабайта бесплатной технической информации для всех пользователей интернета. Все электронные копии представленных здесь документов могут распространяться без каких-либо ограничений. Поощряется распространение информации с этого сайта на любых других ресурсах. Каждый человек имеет право на неограниченный доступ к этим документам! Каждый человек имеет право на знание требований, изложенных в данных нормативно-правовых актах!

  


 

ГОСТ 31371.6-2008

Газ природный. Определение состава методом газовой хроматографии с оценкой неопределенности. Часть 6. Определение водорода, гелия, кислорода, азота, диоксида углерода и углеводородов С1-С8 с использованием трех капиллярных колонок

Обозначение:ГОСТ 31371.6-2008
Текущий статус документа: действующий
Название документа рус.:Газ природный. Определение состава методом газовой хроматографии с оценкой неопределенности. Часть 6. Определение водорода, гелия, кислорода, азота, диоксида углерода и углеводородов С1-С8 с использованием трех капиллярных колонок
Название документа англ.:Natural gas. Determination of composition with defined uncertainty by gas chromatography method. Part 6. Determination of hydrogen, helium, oxygen, nitrogen, carbon dioxide and C1 to C8 hydrocarbons using three capillary columns
Дата актуализации текста:01.12.2013
Дата издания:15.05.2009
Дата введения:01.01.2010
Дата последнего изменения:22.05.2013
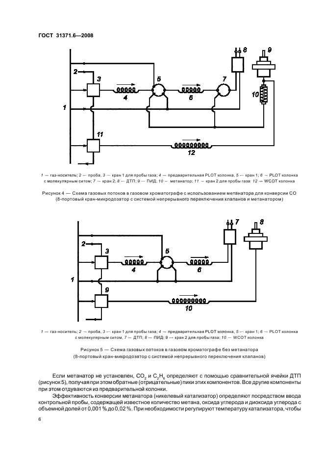
Область применения:Настоящий стандарт устанавливает метод количественного газохроматографического определения содержания водорода, гелия, кислорода, азота, диоксида углерода и углеродов С1-С8 в пробах природного газа с использованием трех капиллярных колонок. Метод применим для анализа газов, содержащих компоненты в диапазонах молярной доли и обычно применяется в лабораторных условиях. Приведенные диапазоны ограничены областью, для которой оценена неопределенность, и могут быть уже, чем реализуемые на конкретных хроматографах. Метод может быть применен даже, если один или несколько компонентов в пробе этим методом не обнаруживаются.
Метод также может быть применен к анализу имитаторов природного газа.
Настоящий стандарт следует применять совместно с ГОСТ 31371.1 и ГОСТ 31371.2
ГОСТ 31371.6-2008ГОСТ 31371.6-2008ГОСТ 31371.6-2008ГОСТ 31371.6-2008ГОСТ 31371.6-2008ГОСТ 31371.6-2008ГОСТ 31371.6-2008ГОСТ 31371.6-2008ГОСТ 31371.6-2008ГОСТ 31371.6-2008ГОСТ 31371.6-2008ГОСТ 31371.6-2008ГОСТ 31371.6-2008ГОСТ 31371.6-2008ГОСТ 31371.6-2008ГОСТ 31371.6-2008ГОСТ 31371.6-2008ГОСТ 31371.6-2008ГОСТ 31371.6-2008ГОСТ 31371.6-2008
 




ГОСТЫ, СТРОИТЕЛЬНЫЕ и ТЕХНИЧЕСКИЕ НОРМАТИВЫ.
Некоммерческая онлайн система, содержащая все Российские Госты, национальные Стандарты и нормативы.
В Системе содержится более 150000 файлов нормативно-технической документации, действующей на территории РФ.
Система предназначена для широкого круга инженерно-технических специалистов.

Рейтинг@Mail.ru Яндекс цитирования

Copyright © www.gostrf.com, 2008 - 2026