Крупнейшая бесплатная информационно-справочная система онлайн доступа к полному собранию технических нормативно-правовых актов РФ. Огромная база технических нормативов (более 150 тысяч документов) и полное собрание национальных стандартов, аутентичное официальной базе Госстандарта. GOSTRF.com - это более 1 Терабайта бесплатной технической информации для всех пользователей интернета. Все электронные копии представленных здесь документов могут распространяться без каких-либо ограничений. Поощряется распространение информации с этого сайта на любых других ресурсах. Каждый человек имеет право на неограниченный доступ к этим документам! Каждый человек имеет право на знание требований, изложенных в данных нормативно-правовых актах!

  


 

ГОСТ Р 53279-2009

Техника пожарная. Головки соединительные пожарные. Общие технические требования. Методы испытаний

Обозначение:ГОСТ Р 53279-2009
Текущий статус документа: действующий
Название документа рус.:Техника пожарная. Головки соединительные пожарные. Общие технические требования. Методы испытаний
Название документа англ.:Fire equipment. Fire connecting heads. General technical requirements. Methods of testing
Дата актуализации текста:01.12.2013
Дата издания:20.04.2009
Дата введения:30.04.2009
Дата последнего изменения:20.06.2013
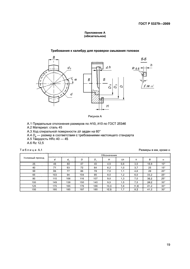
Область применения:Настоящий стандарт распространяется на пожарные соединительные головки, которые применяются для оборудования технических средств, предназначенных для транспортирования огнетушащих веществ по коммуникациям пожаротушения
ГОСТ Р 53279-2009ГОСТ Р 53279-2009ГОСТ Р 53279-2009ГОСТ Р 53279-2009ГОСТ Р 53279-2009ГОСТ Р 53279-2009ГОСТ Р 53279-2009ГОСТ Р 53279-2009ГОСТ Р 53279-2009ГОСТ Р 53279-2009ГОСТ Р 53279-2009ГОСТ Р 53279-2009ГОСТ Р 53279-2009ГОСТ Р 53279-2009ГОСТ Р 53279-2009ГОСТ Р 53279-2009ГОСТ Р 53279-2009ГОСТ Р 53279-2009ГОСТ Р 53279-2009ГОСТ Р 53279-2009ГОСТ Р 53279-2009ГОСТ Р 53279-2009ГОСТ Р 53279-2009
 




ГОСТЫ, СТРОИТЕЛЬНЫЕ и ТЕХНИЧЕСКИЕ НОРМАТИВЫ.
Некоммерческая онлайн система, содержащая все Российские Госты, национальные Стандарты и нормативы.
В Системе содержится более 150000 файлов нормативно-технической документации, действующей на территории РФ.
Система предназначена для широкого круга инженерно-технических специалистов.

Рейтинг@Mail.ru Яндекс цитирования

Copyright © www.gostrf.com, 2008 - 2026