Крупнейшая бесплатная информационно-справочная система онлайн доступа к полному собранию технических нормативно-правовых актов РФ. Огромная база технических нормативов (более 150 тысяч документов) и полное собрание национальных стандартов, аутентичное официальной базе Госстандарта. GOSTRF.com - это более 1 Терабайта бесплатной технической информации для всех пользователей интернета. Все электронные копии представленных здесь документов могут распространяться без каких-либо ограничений. Поощряется распространение информации с этого сайта на любых других ресурсах. Каждый человек имеет право на неограниченный доступ к этим документам! Каждый человек имеет право на знание требований, изложенных в данных нормативно-правовых актах!

  


 

ГОСТ Р 53246-2008

Информационные технологии. Системы кабельные структурированные. Проектирование основных узлов системы. Общие требования

Обозначение:ГОСТ Р 53246-2008
Текущий статус документа: действующий
Название документа рус.:Информационные технологии. Системы кабельные структурированные. Проектирование основных узлов системы. Общие требования
Название документа англ.:Information technologies. Structured cabling systems. Main system elements design. General requirements
Дата актуализации текста:01.12.2013
Дата издания:03.07.2009
Дата введения:01.01.2010
Дата последнего изменения:20.06.2013
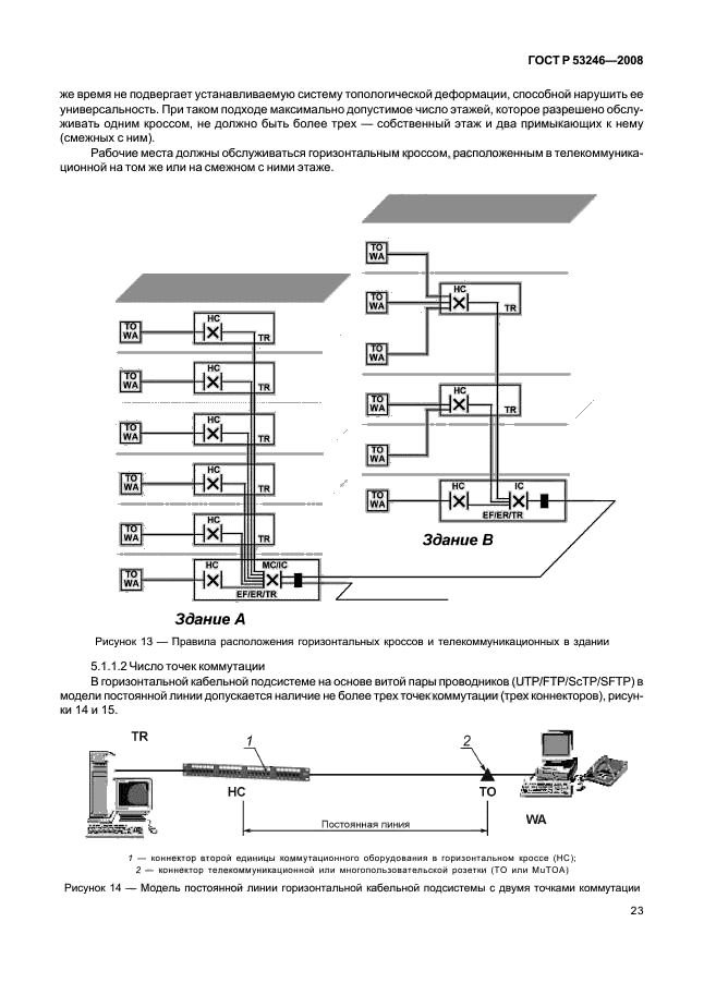
Область применения:Настоящий стандарт распространяется на структурированные кабельные системы, способные обслуживать различные типы коммерческих зданий и поддерживать работу разнообразных приложений (таких как, передача речи, данные, текст, изображение и видео). При этом размер обслуживания объекта может охватывать площадь диаметром до 3000 м, при полезной площади обслуживания до 1000000 м кв. и количестве пользователей до 50000.
Настоящий стандарт устанавливает общие требования проектирования основных элементов структурированной кабельной системы на основе витой пары проводников и волоконно-оптических компонентов
ГОСТ Р 53246-2008ГОСТ Р 53246-2008ГОСТ Р 53246-2008ГОСТ Р 53246-2008ГОСТ Р 53246-2008ГОСТ Р 53246-2008ГОСТ Р 53246-2008ГОСТ Р 53246-2008ГОСТ Р 53246-2008ГОСТ Р 53246-2008ГОСТ Р 53246-2008ГОСТ Р 53246-2008ГОСТ Р 53246-2008ГОСТ Р 53246-2008ГОСТ Р 53246-2008ГОСТ Р 53246-2008ГОСТ Р 53246-2008ГОСТ Р 53246-2008ГОСТ Р 53246-2008ГОСТ Р 53246-2008ГОСТ Р 53246-2008ГОСТ Р 53246-2008ГОСТ Р 53246-2008ГОСТ Р 53246-2008ГОСТ Р 53246-2008ГОСТ Р 53246-2008ГОСТ Р 53246-2008ГОСТ Р 53246-2008ГОСТ Р 53246-2008ГОСТ Р 53246-2008ГОСТ Р 53246-2008ГОСТ Р 53246-2008ГОСТ Р 53246-2008ГОСТ Р 53246-2008ГОСТ Р 53246-2008ГОСТ Р 53246-2008ГОСТ Р 53246-2008ГОСТ Р 53246-2008ГОСТ Р 53246-2008ГОСТ Р 53246-2008ГОСТ Р 53246-2008ГОСТ Р 53246-2008ГОСТ Р 53246-2008ГОСТ Р 53246-2008ГОСТ Р 53246-2008ГОСТ Р 53246-2008ГОСТ Р 53246-2008ГОСТ Р 53246-2008ГОСТ Р 53246-2008ГОСТ Р 53246-2008ГОСТ Р 53246-2008ГОСТ Р 53246-2008ГОСТ Р 53246-2008ГОСТ Р 53246-2008ГОСТ Р 53246-2008ГОСТ Р 53246-2008ГОСТ Р 53246-2008ГОСТ Р 53246-2008ГОСТ Р 53246-2008ГОСТ Р 53246-2008ГОСТ Р 53246-2008ГОСТ Р 53246-2008ГОСТ Р 53246-2008ГОСТ Р 53246-2008ГОСТ Р 53246-2008ГОСТ Р 53246-2008ГОСТ Р 53246-2008ГОСТ Р 53246-2008ГОСТ Р 53246-2008ГОСТ Р 53246-2008ГОСТ Р 53246-2008ГОСТ Р 53246-2008ГОСТ Р 53246-2008ГОСТ Р 53246-2008ГОСТ Р 53246-2008ГОСТ Р 53246-2008ГОСТ Р 53246-2008
 




ГОСТЫ, СТРОИТЕЛЬНЫЕ и ТЕХНИЧЕСКИЕ НОРМАТИВЫ.
Некоммерческая онлайн система, содержащая все Российские Госты, национальные Стандарты и нормативы.
В Системе содержится более 150000 файлов нормативно-технической документации, действующей на территории РФ.
Система предназначена для широкого круга инженерно-технических специалистов.

Рейтинг@Mail.ru Яндекс цитирования

Copyright © www.gostrf.com, 2008 - 2026