Крупнейшая бесплатная информационно-справочная система онлайн доступа к полному собранию технических нормативно-правовых актов РФ. Огромная база технических нормативов (более 150 тысяч документов) и полное собрание национальных стандартов, аутентичное официальной базе Госстандарта. GOSTRF.com - это более 1 Терабайта бесплатной технической информации для всех пользователей интернета. Все электронные копии представленных здесь документов могут распространяться без каких-либо ограничений. Поощряется распространение информации с этого сайта на любых других ресурсах. Каждый человек имеет право на неограниченный доступ к этим документам! Каждый человек имеет право на знание требований, изложенных в данных нормативно-правовых актах!

  


 

ГОСТ Р ИСО 14579-2009

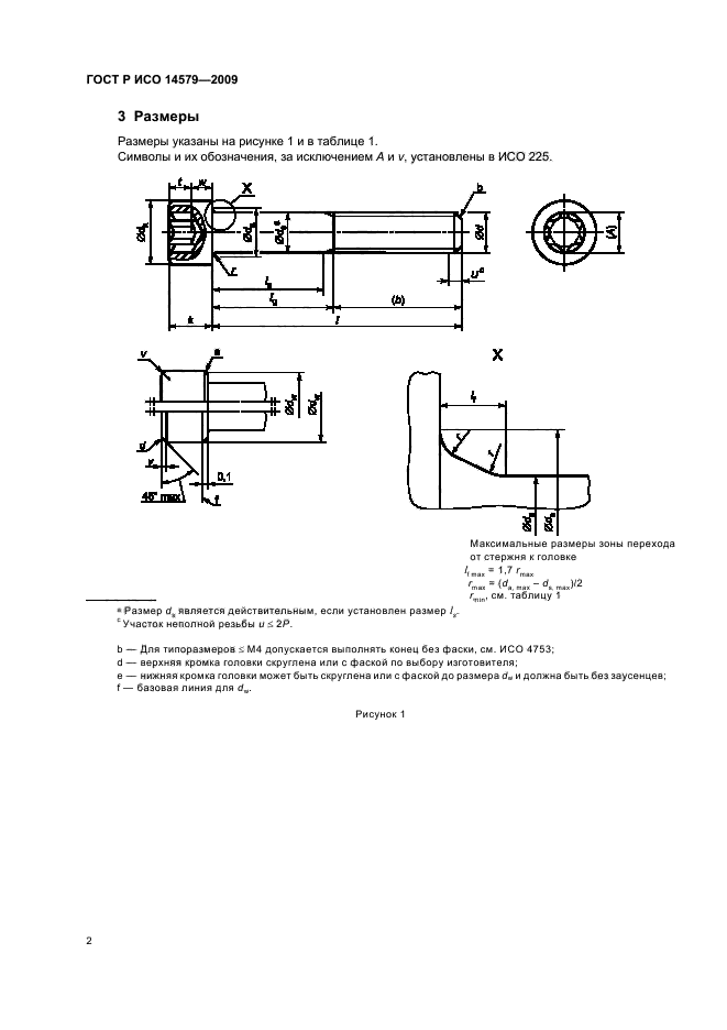
Винты с цилиндрической головкой и звездообразным углублением под ключ

Обозначение:ГОСТ Р ИСО 14579-2009
Текущий статус документа: действующий
Название документа рус.:Винты с цилиндрической головкой и звездообразным углублением под ключ
Название документа англ.:Вolts with cylindrical heand and star-type internal socket button
Дата актуализации текста:01.12.2013
Дата издания:24.11.2009
Дата введения:01.01.2010
Дата последнего изменения:22.05.2013
Область применения:Настоящий стандарт устанавливает характеристики винтов с цилиндрической головкой и звездообразным углублением под ключ с резьбой от М2 до М20 для изделий класса точности А.
В особых случаях, когда требуются другие требования, чем установленные в настоящем стандарте, они должны выбираться из действующих международных стандартов, таких как, например, ИСО 261, ИСО 888, ИСО 898-1, ИСО 965-2, ИСО 965-3, ИСО 3506-1 и ИСО 4759-1
ГОСТ Р ИСО 14579-2009ГОСТ Р ИСО 14579-2009ГОСТ Р ИСО 14579-2009ГОСТ Р ИСО 14579-2009ГОСТ Р ИСО 14579-2009ГОСТ Р ИСО 14579-2009ГОСТ Р ИСО 14579-2009ГОСТ Р ИСО 14579-2009ГОСТ Р ИСО 14579-2009ГОСТ Р ИСО 14579-2009ГОСТ Р ИСО 14579-2009
 




ГОСТЫ, СТРОИТЕЛЬНЫЕ и ТЕХНИЧЕСКИЕ НОРМАТИВЫ.
Некоммерческая онлайн система, содержащая все Российские Госты, национальные Стандарты и нормативы.
В Системе содержится более 150000 файлов нормативно-технической документации, действующей на территории РФ.
Система предназначена для широкого круга инженерно-технических специалистов.

Рейтинг@Mail.ru Яндекс цитирования

Copyright © www.gostrf.com, 2008 - 2026