Крупнейшая бесплатная информационно-справочная система онлайн доступа к полному собранию технических нормативно-правовых актов РФ. Огромная база технических нормативов (более 150 тысяч документов) и полное собрание национальных стандартов, аутентичное официальной базе Госстандарта. GOSTRF.com - это более 1 Терабайта бесплатной технической информации для всех пользователей интернета. Все электронные копии представленных здесь документов могут распространяться без каких-либо ограничений. Поощряется распространение информации с этого сайта на любых других ресурсах. Каждый человек имеет право на неограниченный доступ к этим документам! Каждый человек имеет право на знание требований, изложенных в данных нормативно-правовых актах!

  


 

ГОСТ Р 12.4.249-2009

Система стандартов безопасности труда. Средства индивидуальной защиты органов дыхания. Автономные изолирующие дыхательные аппараты на сжатом кислороде или кислородно-азотной смеси. Общие технические требования. Методы испытаний. Маркировка

Обозначение:ГОСТ Р 12.4.249-2009
Текущий статус документа: действующий
Название документа рус.:Система стандартов безопасности труда. Средства индивидуальной защиты органов дыхания. Автономные изолирующие дыхательные аппараты на сжатом кислороде или кислородно-азотной смеси. Общие технические требования. Методы испытаний. Маркировка
Название документа англ.:Occupational safety standards system. Individual protective respiratory devices. Compressed oxygen or compressed oxygen-nitrogen type self-contained clos-circuit breathing apparatus. General technical requirements. Test methods. Marking
Дата актуализации текста:01.12.2013
Дата издания:24.09.2010
Дата введения:01.12.2010
Дата последнего изменения:22.05.2013
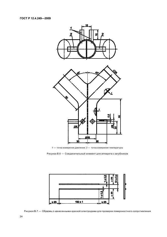
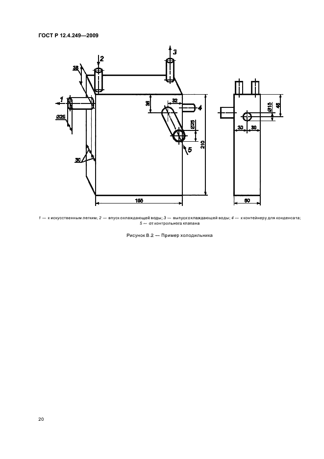
Область применения:Настоящий стандарт распространяется на автономные изолирующие дыхательные аппараты с замкнутым (или полузамкнутым) циклом дыхания с маятниковой или круговой схемой дыхания на сжатом кислороде или кислородно-азотной смеси, предназначенные для индивидуальной защиты органов дыхания и зрения человека от вредного воздействия атмосферы при работе в непригодной для дыхания среде.
Стандарт не распространяется на следующие специальные средства индивидуальной защиты органов дыхания:
- пожарные;
- военные;
- медицинские;
- авиационные;
- для подводных работ;
- для спасательных работ;
- для горноспасательных подземных работ
ГОСТ Р 12.4.249-2009ГОСТ Р 12.4.249-2009ГОСТ Р 12.4.249-2009ГОСТ Р 12.4.249-2009ГОСТ Р 12.4.249-2009ГОСТ Р 12.4.249-2009ГОСТ Р 12.4.249-2009ГОСТ Р 12.4.249-2009ГОСТ Р 12.4.249-2009ГОСТ Р 12.4.249-2009ГОСТ Р 12.4.249-2009ГОСТ Р 12.4.249-2009ГОСТ Р 12.4.249-2009ГОСТ Р 12.4.249-2009ГОСТ Р 12.4.249-2009ГОСТ Р 12.4.249-2009ГОСТ Р 12.4.249-2009ГОСТ Р 12.4.249-2009ГОСТ Р 12.4.249-2009ГОСТ Р 12.4.249-2009ГОСТ Р 12.4.249-2009ГОСТ Р 12.4.249-2009ГОСТ Р 12.4.249-2009ГОСТ Р 12.4.249-2009ГОСТ Р 12.4.249-2009ГОСТ Р 12.4.249-2009ГОСТ Р 12.4.249-2009ГОСТ Р 12.4.249-2009ГОСТ Р 12.4.249-2009ГОСТ Р 12.4.249-2009ГОСТ Р 12.4.249-2009ГОСТ Р 12.4.249-2009
 




ГОСТЫ, СТРОИТЕЛЬНЫЕ и ТЕХНИЧЕСКИЕ НОРМАТИВЫ.
Некоммерческая онлайн система, содержащая все Российские Госты, национальные Стандарты и нормативы.
В Системе содержится более 150000 файлов нормативно-технической документации, действующей на территории РФ.
Система предназначена для широкого круга инженерно-технических специалистов.

Рейтинг@Mail.ru Яндекс цитирования

Copyright © www.gostrf.com, 2008 - 2026