Крупнейшая бесплатная информационно-справочная система онлайн доступа к полному собранию технических нормативно-правовых актов РФ. Огромная база технических нормативов (более 150 тысяч документов) и полное собрание национальных стандартов, аутентичное официальной базе Госстандарта. GOSTRF.com - это более 1 Терабайта бесплатной технической информации для всех пользователей интернета. Все электронные копии представленных здесь документов могут распространяться без каких-либо ограничений. Поощряется распространение информации с этого сайта на любых других ресурсах. Каждый человек имеет право на неограниченный доступ к этим документам! Каждый человек имеет право на знание требований, изложенных в данных нормативно-правовых актах!

  


 

ГОСТ Р 53664-2009

Болты высокопрочные цилиндрические и конические для мостостроения, гайки и шайбы к ним. Технические условия

Обозначение:ГОСТ Р 53664-2009
Текущий статус документа: действующий
Название документа рус.:Болты высокопрочные цилиндрические и конические для мостостроения, гайки и шайбы к ним. Технические условия
Название документа англ.:High-strength cheese-head and conical bolts for bridge building. Nuts and washers for them. Specifications
Дата актуализации текста:01.12.2013
Дата издания:18.03.2011
Дата введения:01.01.2011
Дата последнего изменения:15.07.2013
Переиздание:переиздание
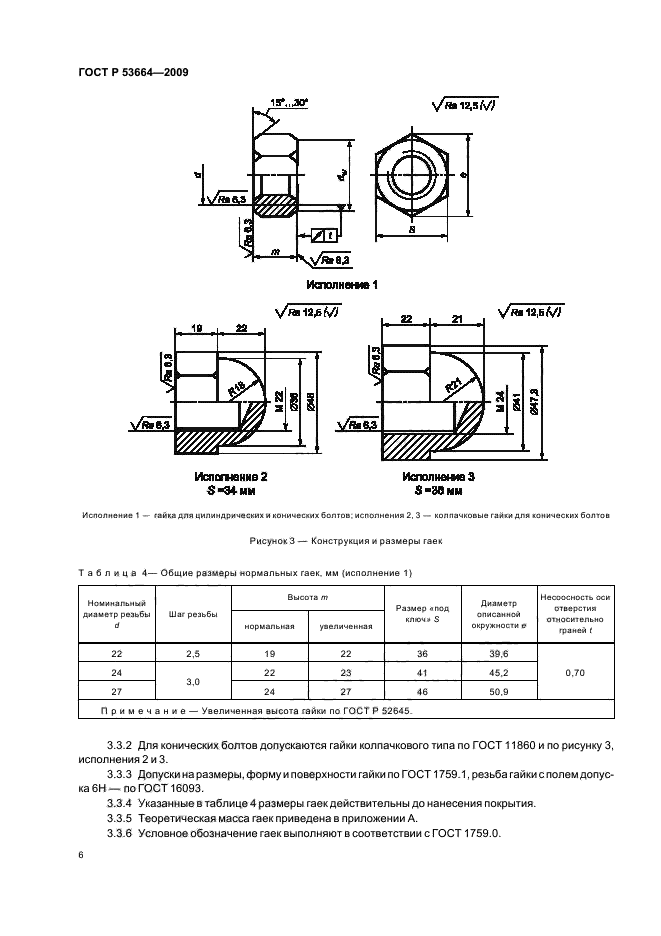
Область применения:Настоящий стандарт распространяется на высокопрочные цилиндрические болты с шестигранной головкой и конические болты с полукруглой головкой, высокопрочные шестигранные гайки с увеличенным размером под ключ и шайбы к высокопрочным болтам, предназначенные для использования в металлических конструкциях мостов, сооружаемых и эксплуатируемых в макроклиматических районах с умеренным (У) и холодным (ХЛ) климатом с расчетной температурой до минус 40 °С и минус 60 °С соответственно категории размещения 1 по ГОСТ 15150
ГОСТ Р 53664-2009ГОСТ Р 53664-2009ГОСТ Р 53664-2009ГОСТ Р 53664-2009ГОСТ Р 53664-2009ГОСТ Р 53664-2009ГОСТ Р 53664-2009ГОСТ Р 53664-2009ГОСТ Р 53664-2009ГОСТ Р 53664-2009ГОСТ Р 53664-2009ГОСТ Р 53664-2009ГОСТ Р 53664-2009ГОСТ Р 53664-2009ГОСТ Р 53664-2009ГОСТ Р 53664-2009ГОСТ Р 53664-2009ГОСТ Р 53664-2009ГОСТ Р 53664-2009ГОСТ Р 53664-2009
 




ГОСТЫ, СТРОИТЕЛЬНЫЕ и ТЕХНИЧЕСКИЕ НОРМАТИВЫ.
Некоммерческая онлайн система, содержащая все Российские Госты, национальные Стандарты и нормативы.
В Системе содержится более 150000 файлов нормативно-технической документации, действующей на территории РФ.
Система предназначена для широкого круга инженерно-технических специалистов.

Рейтинг@Mail.ru Яндекс цитирования

Copyright © www.gostrf.com, 2008 - 2026