Крупнейшая бесплатная информационно-справочная система онлайн доступа к полному собранию технических нормативно-правовых актов РФ. Огромная база технических нормативов (более 150 тысяч документов) и полное собрание национальных стандартов, аутентичное официальной базе Госстандарта. GOSTRF.com - это более 1 Терабайта бесплатной технической информации для всех пользователей интернета. Все электронные копии представленных здесь документов могут распространяться без каких-либо ограничений. Поощряется распространение информации с этого сайта на любых других ресурсах. Каждый человек имеет право на неограниченный доступ к этим документам! Каждый человек имеет право на знание требований, изложенных в данных нормативно-правовых актах!

  


 

ГОСТ Р МЭК 60065-2005

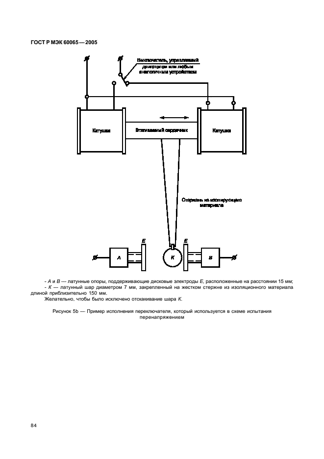
Аудио-, видео- и аналогичная электронная аппаратура. Требования безопасности

Обозначение:ГОСТ Р МЭК 60065-2005
Текущий статус документа: заменён
Название документа рус.:Аудио-, видео- и аналогичная электронная аппаратура. Требования безопасности
Название документа англ.:Audio, video and similar electronic apparatus. Safety requirements
Дата актуализации текста:01.12.2013
Дата издания:09.11.2007
Дата введения:01.01.2008
Дата последнего изменения:22.05.2013
Дата окончания срока действия:01.01.2011
Область применения:Настоящий стандарт распространяется на электронную аппаратуру, спроектированную для питания от сети, сетевых аппаратов, батарей или источников удаленного электропитания и предназначенную для приема, генерации, записи и воспроизведения соответственно звуковых, видео- и других подобных сигналов.
Стандарт также распространяется на аппаратуру, спроектированную для применения только совместно с перечисленной выше аппаратурой. Стандарт устанавливает только требования безопасности указанной выше аппаратуры и не устанавливает других свойств, таких как конструкция или эксплуатационные характеристики.
Настоящий стандарт распространяется на аппаратуру, предназначенную для питания от сети с номинальным напряжением питания, не превышающим:
- 250 В переменного однофазного или постоянного напряжения;
- 433 В переменного напряжения в случае аппаратуры, подключаемой к сети питания, содержащей более одной фазы.
Настоящий стандарт распространяется на аппаратуру, предназначенную для использования на высотах не более 2000 м над уровнем моря, главным образом в сухих помещениях и в районах с умеренным или тропическим климатом
ГОСТ Р МЭК 60065-2005ГОСТ Р МЭК 60065-2005ГОСТ Р МЭК 60065-2005ГОСТ Р МЭК 60065-2005ГОСТ Р МЭК 60065-2005ГОСТ Р МЭК 60065-2005ГОСТ Р МЭК 60065-2005ГОСТ Р МЭК 60065-2005ГОСТ Р МЭК 60065-2005ГОСТ Р МЭК 60065-2005ГОСТ Р МЭК 60065-2005ГОСТ Р МЭК 60065-2005ГОСТ Р МЭК 60065-2005ГОСТ Р МЭК 60065-2005ГОСТ Р МЭК 60065-2005ГОСТ Р МЭК 60065-2005ГОСТ Р МЭК 60065-2005ГОСТ Р МЭК 60065-2005ГОСТ Р МЭК 60065-2005ГОСТ Р МЭК 60065-2005ГОСТ Р МЭК 60065-2005ГОСТ Р МЭК 60065-2005ГОСТ Р МЭК 60065-2005ГОСТ Р МЭК 60065-2005ГОСТ Р МЭК 60065-2005ГОСТ Р МЭК 60065-2005ГОСТ Р МЭК 60065-2005ГОСТ Р МЭК 60065-2005ГОСТ Р МЭК 60065-2005ГОСТ Р МЭК 60065-2005ГОСТ Р МЭК 60065-2005ГОСТ Р МЭК 60065-2005ГОСТ Р МЭК 60065-2005ГОСТ Р МЭК 60065-2005ГОСТ Р МЭК 60065-2005ГОСТ Р МЭК 60065-2005ГОСТ Р МЭК 60065-2005ГОСТ Р МЭК 60065-2005ГОСТ Р МЭК 60065-2005ГОСТ Р МЭК 60065-2005ГОСТ Р МЭК 60065-2005ГОСТ Р МЭК 60065-2005ГОСТ Р МЭК 60065-2005ГОСТ Р МЭК 60065-2005ГОСТ Р МЭК 60065-2005ГОСТ Р МЭК 60065-2005ГОСТ Р МЭК 60065-2005ГОСТ Р МЭК 60065-2005ГОСТ Р МЭК 60065-2005ГОСТ Р МЭК 60065-2005ГОСТ Р МЭК 60065-2005ГОСТ Р МЭК 60065-2005ГОСТ Р МЭК 60065-2005ГОСТ Р МЭК 60065-2005ГОСТ Р МЭК 60065-2005ГОСТ Р МЭК 60065-2005ГОСТ Р МЭК 60065-2005ГОСТ Р МЭК 60065-2005ГОСТ Р МЭК 60065-2005ГОСТ Р МЭК 60065-2005ГОСТ Р МЭК 60065-2005ГОСТ Р МЭК 60065-2005ГОСТ Р МЭК 60065-2005ГОСТ Р МЭК 60065-2005ГОСТ Р МЭК 60065-2005ГОСТ Р МЭК 60065-2005ГОСТ Р МЭК 60065-2005ГОСТ Р МЭК 60065-2005ГОСТ Р МЭК 60065-2005ГОСТ Р МЭК 60065-2005ГОСТ Р МЭК 60065-2005ГОСТ Р МЭК 60065-2005ГОСТ Р МЭК 60065-2005ГОСТ Р МЭК 60065-2005ГОСТ Р МЭК 60065-2005ГОСТ Р МЭК 60065-2005ГОСТ Р МЭК 60065-2005ГОСТ Р МЭК 60065-2005ГОСТ Р МЭК 60065-2005ГОСТ Р МЭК 60065-2005ГОСТ Р МЭК 60065-2005ГОСТ Р МЭК 60065-2005ГОСТ Р МЭК 60065-2005ГОСТ Р МЭК 60065-2005ГОСТ Р МЭК 60065-2005ГОСТ Р МЭК 60065-2005ГОСТ Р МЭК 60065-2005ГОСТ Р МЭК 60065-2005ГОСТ Р МЭК 60065-2005ГОСТ Р МЭК 60065-2005ГОСТ Р МЭК 60065-2005ГОСТ Р МЭК 60065-2005ГОСТ Р МЭК 60065-2005ГОСТ Р МЭК 60065-2005ГОСТ Р МЭК 60065-2005ГОСТ Р МЭК 60065-2005ГОСТ Р МЭК 60065-2005ГОСТ Р МЭК 60065-2005ГОСТ Р МЭК 60065-2005ГОСТ Р МЭК 60065-2005ГОСТ Р МЭК 60065-2005ГОСТ Р МЭК 60065-2005ГОСТ Р МЭК 60065-2005ГОСТ Р МЭК 60065-2005ГОСТ Р МЭК 60065-2005ГОСТ Р МЭК 60065-2005ГОСТ Р МЭК 60065-2005ГОСТ Р МЭК 60065-2005ГОСТ Р МЭК 60065-2005ГОСТ Р МЭК 60065-2005ГОСТ Р МЭК 60065-2005ГОСТ Р МЭК 60065-2005ГОСТ Р МЭК 60065-2005ГОСТ Р МЭК 60065-2005ГОСТ Р МЭК 60065-2005ГОСТ Р МЭК 60065-2005ГОСТ Р МЭК 60065-2005ГОСТ Р МЭК 60065-2005ГОСТ Р МЭК 60065-2005ГОСТ Р МЭК 60065-2005ГОСТ Р МЭК 60065-2005ГОСТ Р МЭК 60065-2005ГОСТ Р МЭК 60065-2005ГОСТ Р МЭК 60065-2005ГОСТ Р МЭК 60065-2005ГОСТ Р МЭК 60065-2005
 




ГОСТЫ, СТРОИТЕЛЬНЫЕ и ТЕХНИЧЕСКИЕ НОРМАТИВЫ.
Некоммерческая онлайн система, содержащая все Российские Госты, национальные Стандарты и нормативы.
В Системе содержится более 150000 файлов нормативно-технической документации, действующей на территории РФ.
Система предназначена для широкого круга инженерно-технических специалистов.

Рейтинг@Mail.ru Яндекс цитирования

Copyright © www.gostrf.com, 2008 - 2026