Крупнейшая бесплатная информационно-справочная система онлайн доступа к полному собранию технических нормативно-правовых актов РФ. Огромная база технических нормативов (более 150 тысяч документов) и полное собрание национальных стандартов, аутентичное официальной базе Госстандарта. GOSTRF.com - это более 1 Терабайта бесплатной технической информации для всех пользователей интернета. Все электронные копии представленных здесь документов могут распространяться без каких-либо ограничений. Поощряется распространение информации с этого сайта на любых других ресурсах. Каждый человек имеет право на неограниченный доступ к этим документам! Каждый человек имеет право на знание требований, изложенных в данных нормативно-правовых актах!

  


 

ГОСТ Р 52706-2007

Лампы накаливания вольфрамовые для бытового и аналогичного общего освещения. Эксплуатационные требования

Обозначение:ГОСТ Р 52706-2007
Текущий статус документа: действующий
Название документа рус.:Лампы накаливания вольфрамовые для бытового и аналогичного общего освещения. Эксплуатационные требования
Название документа англ.:Tungsten filament lamps for domestic and similar general lighting purposes. Рerformance requirements
Дата актуализации текста:01.12.2013
Дата издания:21.11.2007
Дата введения:01.01.2008
Дата последнего изменения:22.05.2013
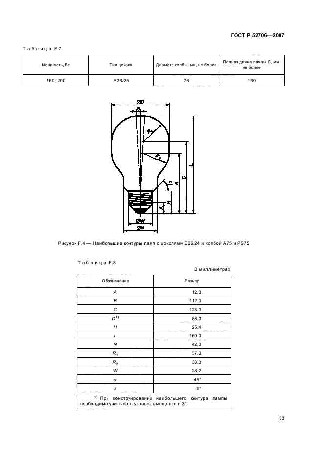
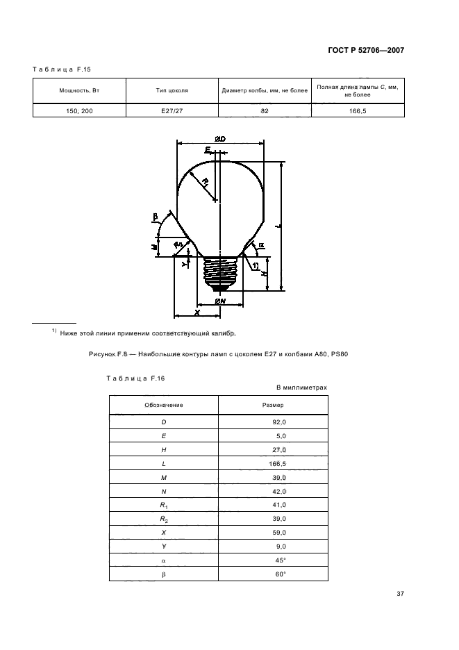
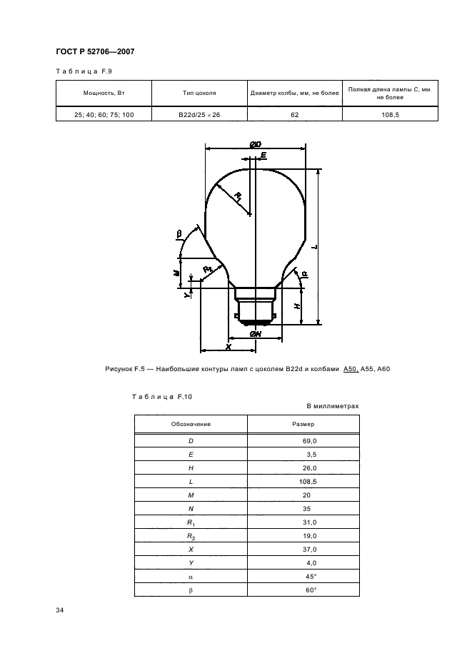
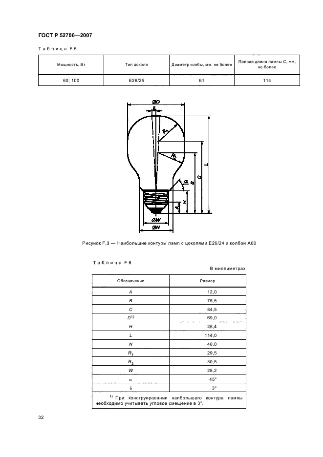
Область применения:Настоящий стандарт распространяется на вольфрамовые лампы накаливания для бытового и аналогичного общего освещения, удовлетворяющие требованиям безопасности для ламп мощностью до 200 Вт включительно по ГОСТ Р 52712, для ламп мощностью 300 Вт и более по ГОСТ 12.2.007.13 и имеющие:
- номинальную мощность от 15 до 200, 300, 500, 750 и 1000 Вт включительно;
- номинальное напряжение от 100 до 250 В включительно; если маркируют диапазон напряжения, то предельные значения диапазона не должны отличаться от среднего значения более чем на плюс минус 2,5%;
- колбы формы A, PS или М;
- колбы прозрачные, матированные или с эквивалентным матированию покрытием, белым покрытием, опаловые, опалиновые или молочные;
- цоколи B22d, E26, E27 или Е40.
Настоящий стандарт устанавливает эксплуатационные требования, методы испытаний, приемку
ГОСТ Р 52706-2007ГОСТ Р 52706-2007ГОСТ Р 52706-2007ГОСТ Р 52706-2007ГОСТ Р 52706-2007ГОСТ Р 52706-2007ГОСТ Р 52706-2007ГОСТ Р 52706-2007ГОСТ Р 52706-2007ГОСТ Р 52706-2007ГОСТ Р 52706-2007ГОСТ Р 52706-2007ГОСТ Р 52706-2007ГОСТ Р 52706-2007ГОСТ Р 52706-2007ГОСТ Р 52706-2007ГОСТ Р 52706-2007ГОСТ Р 52706-2007ГОСТ Р 52706-2007ГОСТ Р 52706-2007ГОСТ Р 52706-2007ГОСТ Р 52706-2007ГОСТ Р 52706-2007ГОСТ Р 52706-2007ГОСТ Р 52706-2007ГОСТ Р 52706-2007ГОСТ Р 52706-2007ГОСТ Р 52706-2007ГОСТ Р 52706-2007ГОСТ Р 52706-2007ГОСТ Р 52706-2007ГОСТ Р 52706-2007ГОСТ Р 52706-2007ГОСТ Р 52706-2007ГОСТ Р 52706-2007ГОСТ Р 52706-2007ГОСТ Р 52706-2007ГОСТ Р 52706-2007ГОСТ Р 52706-2007ГОСТ Р 52706-2007ГОСТ Р 52706-2007ГОСТ Р 52706-2007ГОСТ Р 52706-2007ГОСТ Р 52706-2007ГОСТ Р 52706-2007ГОСТ Р 52706-2007ГОСТ Р 52706-2007ГОСТ Р 52706-2007ГОСТ Р 52706-2007ГОСТ Р 52706-2007
 




ГОСТЫ, СТРОИТЕЛЬНЫЕ и ТЕХНИЧЕСКИЕ НОРМАТИВЫ.
Некоммерческая онлайн система, содержащая все Российские Госты, национальные Стандарты и нормативы.
В Системе содержится более 150000 файлов нормативно-технической документации, действующей на территории РФ.
Система предназначена для широкого круга инженерно-технических специалистов.

Рейтинг@Mail.ru Яндекс цитирования

Copyright © www.gostrf.com, 2008 - 2026