Крупнейшая бесплатная информационно-справочная система онлайн доступа к полному собранию технических нормативно-правовых актов РФ. Огромная база технических нормативов (более 150 тысяч документов) и полное собрание национальных стандартов, аутентичное официальной базе Госстандарта. GOSTRF.com - это более 1 Терабайта бесплатной технической информации для всех пользователей интернета. Все электронные копии представленных здесь документов могут распространяться без каких-либо ограничений. Поощряется распространение информации с этого сайта на любых других ресурсах. Каждый человек имеет право на неограниченный доступ к этим документам! Каждый человек имеет право на знание требований, изложенных в данных нормативно-правовых актах!

  


 

ГОСТ 530-2007

Кирпич и камень керамические. Общие технические условия

Обозначение:ГОСТ 530-2007
Текущий статус документа: заменён
Название документа рус.:Кирпич и камень керамические. Общие технические условия
Название документа англ.:Ceramic bricks and stones. General specifications
Дата актуализации текста:01.12.2013
Дата издания:01.08.2008
Дата введения:01.03.2008
Дата последнего изменения:21.08.2013
Дата окончания срока действия:01.07.2013
Переиздание:переиздание
Взамен:
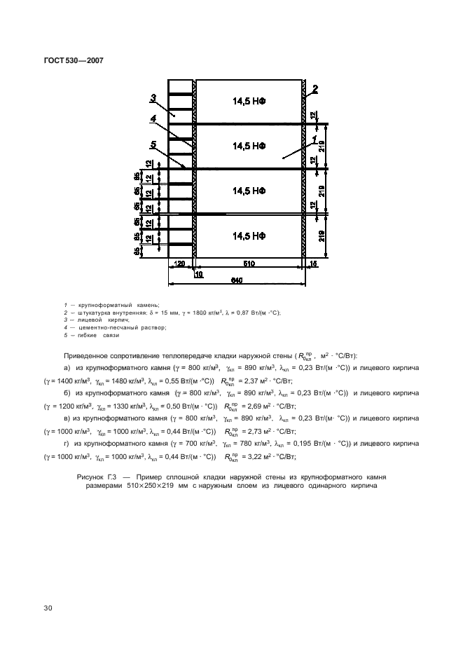
Область применения:Настоящий стандарт распространяется на кирпич и камень керамические, применяемые для кладки и облицовки несущих и самонесущих стен и других элементов зданий и сооружений, и устанавливает технические требования, правила приемки, методы испытаний изделий. Полнотелый кирпич применяют также для кладки фундаментов, наружной части дымовых труб, промышленных и бытовых печей. Изделия могут применяться в других строительных конструкциях с учетом технических характеристик, установленных в настоящем стандарте
Список изменений:№0 от 14.10.2008 (рег. 14.10.2008) «Дата введения перенесена»
Приложение №1:Поправка к ГОСТ 530-2007
ГОСТ 530-2007ГОСТ 530-2007ГОСТ 530-2007ГОСТ 530-2007ГОСТ 530-2007ГОСТ 530-2007ГОСТ 530-2007ГОСТ 530-2007ГОСТ 530-2007ГОСТ 530-2007ГОСТ 530-2007ГОСТ 530-2007ГОСТ 530-2007ГОСТ 530-2007ГОСТ 530-2007ГОСТ 530-2007ГОСТ 530-2007ГОСТ 530-2007ГОСТ 530-2007ГОСТ 530-2007ГОСТ 530-2007ГОСТ 530-2007ГОСТ 530-2007ГОСТ 530-2007ГОСТ 530-2007ГОСТ 530-2007ГОСТ 530-2007ГОСТ 530-2007ГОСТ 530-2007ГОСТ 530-2007ГОСТ 530-2007ГОСТ 530-2007ГОСТ 530-2007ГОСТ 530-2007ГОСТ 530-2007ГОСТ 530-2007ГОСТ 530-2007ГОСТ 530-2007ГОСТ 530-2007

Поправка к ГОСТ 530-2007

Обозначение:Поправка к ГОСТ 530-2007
Дата введения:14.10.2008


Поправка к ГОСТ 530-2007
 




ГОСТЫ, СТРОИТЕЛЬНЫЕ и ТЕХНИЧЕСКИЕ НОРМАТИВЫ.
Некоммерческая онлайн система, содержащая все Российские Госты, национальные Стандарты и нормативы.
В Системе содержится более 150000 файлов нормативно-технической документации, действующей на территории РФ.
Система предназначена для широкого круга инженерно-технических специалистов.

Рейтинг@Mail.ru Яндекс цитирования

Copyright © www.gostrf.com, 2008 - 2026