Крупнейшая бесплатная информационно-справочная система онлайн доступа к полному собранию технических нормативно-правовых актов РФ. Огромная база технических нормативов (более 150 тысяч документов) и полное собрание национальных стандартов, аутентичное официальной базе Госстандарта. GOSTRF.com - это более 1 Терабайта бесплатной технической информации для всех пользователей интернета. Все электронные копии представленных здесь документов могут распространяться без каких-либо ограничений. Поощряется распространение информации с этого сайта на любых других ресурсах. Каждый человек имеет право на неограниченный доступ к этим документам! Каждый человек имеет право на знание требований, изложенных в данных нормативно-правовых актах!

  


 

ГОСТ Р ИСО/МЭК 7811-1-2003

Карты идентификационные. Способ записи. Часть 1. Тиснение

Обозначение:ГОСТ Р ИСО/МЭК 7811-1-2003
Текущий статус документа: заменён
Название документа рус.:Карты идентификационные. Способ записи. Часть 1. Тиснение
Название документа англ.:Identification cards. Recording technique. Part 1. Embossing
Дата актуализации текста:01.12.2013
Дата издания:12.11.2003
Дата введения:01.07.2004
Дата последнего изменения:22.05.2013
Дата окончания срока действия:01.07.2011
Область применения:Настоящий стандарт - один из серии стандартов, описывающих параметры идентификационных карт, как определено в ГОСТ Р ИСО/МЭК 7810, и их применение в рамках обмена информацией.
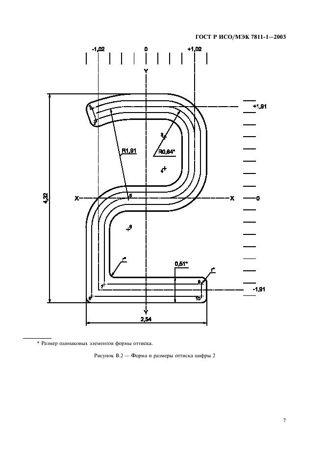
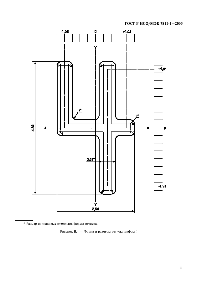
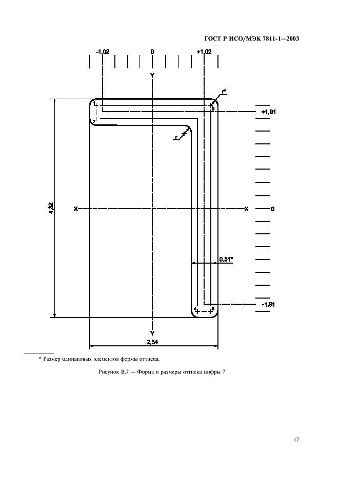
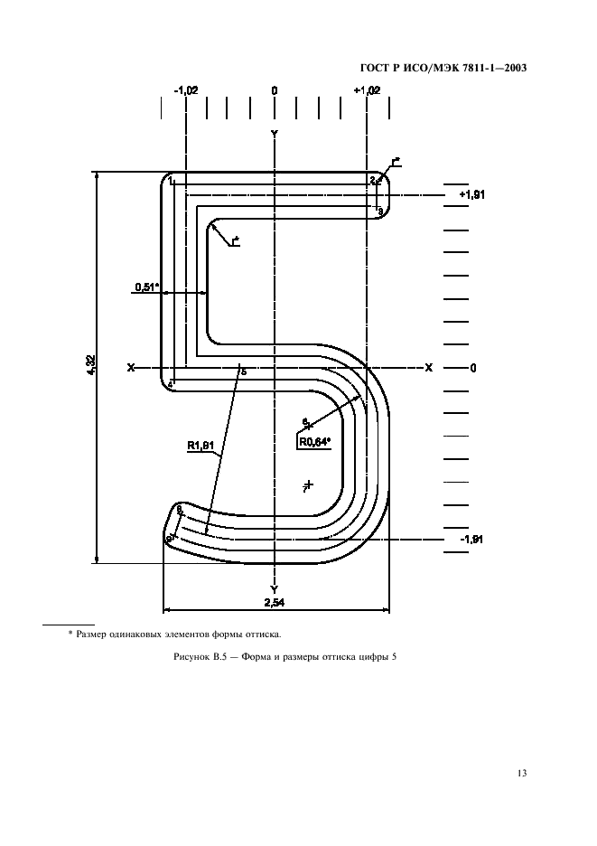
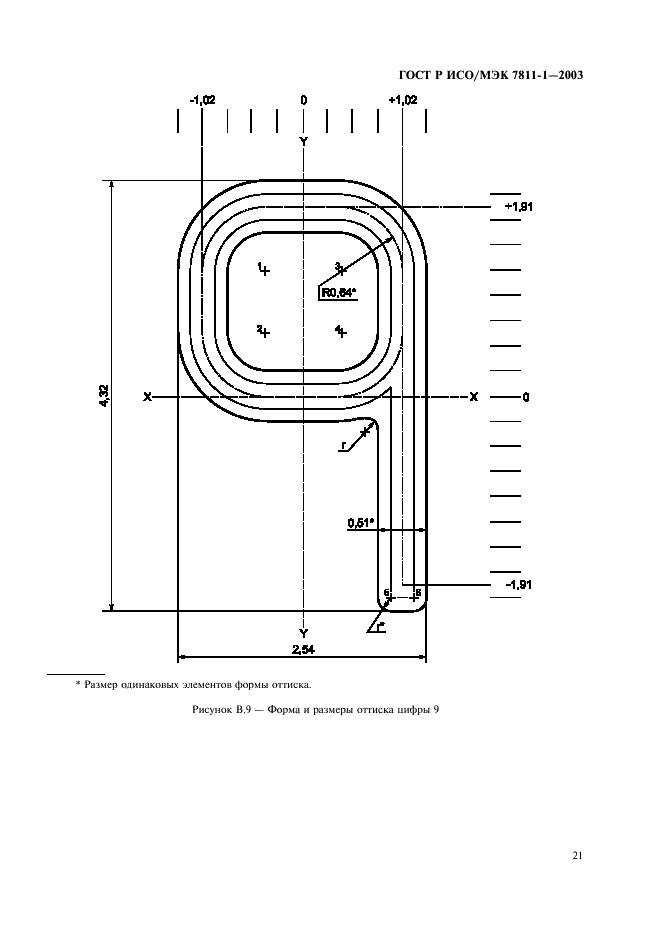
Стандарт устанавливает требования к рельефным символам на картах, предназначенным для передачи данных при помощи импринтеров либо путем визуального или машинного чтения.
Методы испытаний для контроля соответствия карт требованиям настоящего стандарта установлены в ГОСТ Р ИСО/МЭК 10373-1.
Стандарт устанавливает требования к картам, используемым для идентификации. Он учитывает как человеческий, так и машинный аспекты применения карт и устанавливает минимальные требования
ГОСТ Р ИСО/МЭК 7811-1-2003ГОСТ Р ИСО/МЭК 7811-1-2003ГОСТ Р ИСО/МЭК 7811-1-2003ГОСТ Р ИСО/МЭК 7811-1-2003ГОСТ Р ИСО/МЭК 7811-1-2003ГОСТ Р ИСО/МЭК 7811-1-2003ГОСТ Р ИСО/МЭК 7811-1-2003ГОСТ Р ИСО/МЭК 7811-1-2003ГОСТ Р ИСО/МЭК 7811-1-2003ГОСТ Р ИСО/МЭК 7811-1-2003ГОСТ Р ИСО/МЭК 7811-1-2003ГОСТ Р ИСО/МЭК 7811-1-2003ГОСТ Р ИСО/МЭК 7811-1-2003ГОСТ Р ИСО/МЭК 7811-1-2003ГОСТ Р ИСО/МЭК 7811-1-2003ГОСТ Р ИСО/МЭК 7811-1-2003ГОСТ Р ИСО/МЭК 7811-1-2003ГОСТ Р ИСО/МЭК 7811-1-2003ГОСТ Р ИСО/МЭК 7811-1-2003ГОСТ Р ИСО/МЭК 7811-1-2003ГОСТ Р ИСО/МЭК 7811-1-2003ГОСТ Р ИСО/МЭК 7811-1-2003ГОСТ Р ИСО/МЭК 7811-1-2003ГОСТ Р ИСО/МЭК 7811-1-2003ГОСТ Р ИСО/МЭК 7811-1-2003ГОСТ Р ИСО/МЭК 7811-1-2003ГОСТ Р ИСО/МЭК 7811-1-2003
 




ГОСТЫ, СТРОИТЕЛЬНЫЕ и ТЕХНИЧЕСКИЕ НОРМАТИВЫ.
Некоммерческая онлайн система, содержащая все Российские Госты, национальные Стандарты и нормативы.
В Системе содержится более 150000 файлов нормативно-технической документации, действующей на территории РФ.
Система предназначена для широкого круга инженерно-технических специалистов.

Рейтинг@Mail.ru Яндекс цитирования

Copyright © www.gostrf.com, 2008 - 2026